时间:2009-08-02 09:08
人气:
作者:admin
光电传感器的应用?
1. 火焰探测报警器?
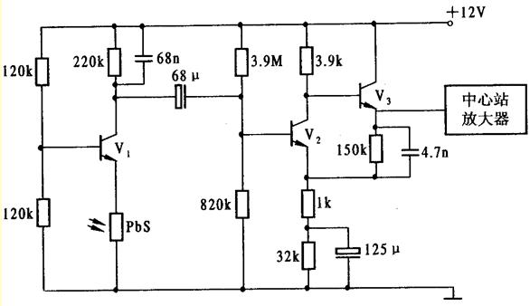
图 8 - 23 是采用硫化铅光敏电阻为探测元件的火焰探测器电路图。 硫化铅光敏电阻的暗电阻为1 MΩ, 亮电阻为 0.2 MΩ(光照度 0.01 W/m2下测试的),峰值响应波长为2.2μm。 硫化铅光敏电阻处于V1管组成的恒压偏置电路,其偏置电压约为 6 V,电流约为 6μΑ。V2管集电极电阻两端并联 68 μF的电容, 可以抑制 100 Hz以上的高频,使其成为只有几十赫兹的窄带放大器。V2、V3构成二级负反馈互补放大器, 火焰的闪动信号经二级放大后送给中心控制站进行报警处理。采用恒压偏置电路是为了在更换光敏电阻或长时间使用后,器件阻值的变化不致于影响输出信号的幅度, 保证火焰报警器能长期稳定地工作。 
2. 光电式纬线探测器?
光电式纬线探测器是应用于喷气织机上, 判断纬线是否断线的一种探测器。图 8 -24 为光电式纬线探测器原理电路图。当纬线在喷气作用下前进时,红外发射管VD发出的红外光,经纬线反射,由光电池接收,如光电池接收不到反射信号时,说明纬线已断。因此利用光电池的输出信号,通过后续电路放大、脉冲整形等,控制机器正常运转还是关机报警。?
由于纬线线径很细,又是摆动着前进,形成光的漫反射, 削弱了反射光的强度,而且还伴有背景杂散光,因此要求探纬器具备高的灵敏度和分辨力。为此,红外发光管VD采用占空比很小的强电流脉冲供电,这样既保证发光管使用寿命, 又能在瞬间有强光射出,以提高检测灵敏度。一般来说,光电池输出信号比较小,需经放大、脉冲整形以提高分辨力。
光电式纬线探测器电路图原理图
3. 燃气热水器中脉冲点火控制器?
由于煤气是易燃、易爆气体,所以对燃气器具中的点火控制器的要求是安全、稳定、可靠。为此电路中有这样一个功能, 即打火确认针产生火花,才可打开燃气阀门;否则燃气阀门关闭, 这样就保证使用燃气器具的安全性。?
图 8 - 25 为燃气热水器中的高压打火确认电路原理图。 在高压打火时,火花电压可达一万多伏,这个脉冲高电压对电路工作影响极大,为了使电路正常工作,采用光电耦合器VB进行电平隔离,大大增强了电路抗干扰能力。当高压打火针对打火确认针放电时,光电耦合器中的发光二极管发光, 耦合器中的光敏三极管导通, 经V1、V2、V3放大,驱动强吸电磁阀,将气路打开,燃气碰到火花即燃烧。 若高压打火针与打火确认针之间不放电,则光电耦合器不工作,V1等不导通,燃气阀门关闭。

燃气热水器的高压打火确认电路原理图
4. CCD图像传感器应用?
CCD图像传感器在许多领域内获得广泛的应用。 前面介绍的电荷耦合器件(CCD)具有将光像转换为电荷分布,以及电荷的存储和转移等功能, 所以它是构成CCD固态图像传感器的主要光敏器件,取代了摄像装置中的光学扫描系统或电子束扫描系统。?
CCD图像传感器具有高分辨力和高灵敏度,具有较宽的动态范围,这些特点决定了它可以广泛用于自动控制和自动测量,尤其适用于图像识别技术。 CCD图像传感器在检测物体的位置、工件尺寸的精确测量及工件缺陷的检测方面有独到之处。下面是一个利用CCD图像传感器进行工件尺寸检测的例子。?
图 8 - 26 为应用线型CCD图像传感器测量物体尺寸系统。 物体成像聚焦在图像传感器的光敏面上,视频处理器对输出的视频信号进行存储和数据处理,整个过程由微机控制完成。 根据几何光学原理,可以推导被测物体尺寸计算公式, 即D=np/M
式中: ?n——覆盖的光敏像素数;?
p——像素间距;?
M——倍率。??
微机可对多次测量求平均值,精确得到被测物体的尺寸。 任何能够用光学成像的零件都可以用这种方法,实现不接触的在线自动检测的目的。?

CCD图像传感器工件尺寸检测系统
上一篇:光敏二极管和光敏晶体管结构原理
下一篇:有机电子技术研发取得新突破