时间:2006-03-13 19:36
人气:
作者:admin
摘要:介绍了莱迪思半导体公司推出的零功耗超快速复杂中编程逻辑器件ispMACH4000Z的特征、结构和原理。该器件的最大待机电流小于30μA,最大工作频率可达265MHz,其低廉的价格和免费的软件支持使得该系列器件广泛地应用于各种基于电池的设备中,把复杂可编程逻辑器件的灵活性扩展到传统消费电子领域。
可编程逻辑器件(PLD,Programmable Logic Device)的灵活性一直受到电子工程师的喜爱,但在各种移动式消费类电子产品市场仍然是ASIC芯片的天地。有几个原因阻碍着CPLD器件进入移动设备市场,尤其是各种基于电池供电的手持设备。一是其高昂的价格,二是其巨大的功耗,还有一个因素是CPLD器件的工作频率。同样规模的CPLD和ASIC,CPLD的最大工作频率往往低于专门设计的ASIC芯片。
基于这种情况美国莱迪思半导体有限公司推出了ispMACH4000Z系列器件。该器件突破了CPLD器件进军移动式消费类电子产品市场所遇到的价格和速度门槛。IspMACH4000Z(In-System Programmable Macro Array CMOS Hight-densigy)系列器件的推出标志着莱迪思公司的第三代BFW(SuperBig,SuperFast,SuperWide)器件的面世。该系列器件的最高工作频率可达400MHz,完全能满足大部分当代消费类电子产品的高速应用场合。
莱迪思公司于2003年3月推出的ispMACH4000Z系列器件采用ispMACH4000器件结构,它将高速度和低功耗结合在一起。该系列器件的待机电流在20~30μA之间,可用于基于电池供电的便携式电子设备中,同时其最高工作频率可达265MHz。
1 ispMACH4000Z器件特征
ispMACH4000Z器件采用先进E2COMS 0.18μm工艺制造,其核心工作电压为1.8V,其主要特征如下:
*具有极低的静态功耗,典型静态功耗为20μW。
*超快型器件结构,其引脚延时(tPD)为3.5ns,最大工作频率为265MHz。
*具有多种温度范围可供选择:
商业级(0~70℃)、工业级(-40~85℃)、汽车级(-40~125℃)。
*设计灵活,具有3种器件密度(32、64和128宏单元)、4个系统时钟,每个逻辑块有36个输入,每个输出可以有多达80个乘积项(PT,Product Terms),输出布线池(ORP,Output Route Pool)可为引脚锁定提供自由;
*具有灵活的控制信号、时钟信号和输出使能信号(OE,Output Enable)。
*引脚和功能与ispMACH4000V/B/C系列器件完全兼容。
*支持LVTTL和LVCOMS的3.3V、2.5V和1.8V标准接口电压。
*具有可编程漏极开路输出(Opendrain)、摆率控制(Slowslew)、总线保持锁存(Bus maintenance)、上拉下拉电阻(Pull)和PCI兼容性等功能。
*满足IEEE1532和1149.1标准。
*具有48脚TQFP封装、49脚caBGA封装、100脚和128脚TQFP封装等多种封装形式,适合于小型化的便携设备。
*通过莱迪公司的ispLEVER软件可对ispMACH4000Z系列器件提供完全的支持平台。用户可以从公司网站(www.latticesemi.com)下载该软件。
2 ispMAC4000Z结构
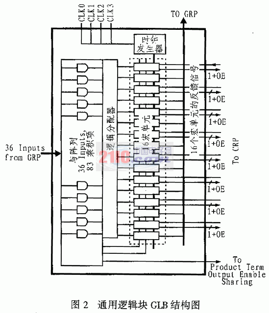
ispMACH4000Z器件由多个通用逻辑块(GLB,Generic Logic Block)组成,各个GLB通过全局布线池(GRP,Global Route Pool)相联,如图1所示。每个GLB有16个宏单元,36个输入。16个宏单元的输出通过输出布线池连以I/O块,同时也连到GRP,而且即使是反馈到同一GLB也必须通过GRP,这样就使得GLB互相之间的连接是恒定且可预知的延时。由于每个I/O可以有不同的供电电压,因此,该器件可以应用于混合电压环境。
在ispMACH4000Z系列中,ispMACH4032ZC器件包含2个GLB,ispMACH4064ZC包含4个,而ispMACH4128ZC则包含有8个。GLB由可编程与阵列、逻辑分配器、16个宏单元和一个时钟发生器组成,其结构如图2所示。
3 ispMACH4000Z器件系列
ispMACH4000Z共有3族器件可供选用。器件名称中的Z代表零功耗,C代表核心电压为1.8V。ispMACH4000Z器件的封装与相应的ispMACH4000器件完全兼容。表1所列是ispMACH4000Z系列器件的主要参数。
表1 ispMACH4000Z器件的主要参数
| 系列中的器件 | 宏单元数 | 用户I/O数 | tPD(ns) | tCO(ns) | ts(ns) | FMAX(MHz) | Vcc | 最大待机电流(A) | 封 装 |
| ispMACH4032ZC | 32 | 32 | 3.5 | 3.0 | 2.2 | 265 | 1.8V | 20 | 49-ball caBAG |
| 48-pin TQFP | |||||||||
| ispMACH4064ZC | 64 | 32 | 4 | 3.4 | 2.5 | 232 | 1.8V | 25 | 48-pin TQFP |
| 64 | 100-pin TQFP | ||||||||
| ispMACH4128ZC | 128 | 64 | 4.5 | 3.9 | 2.8 | 206 | 1.8V | 30 | 100-pin TQFP |
| 92 | 128-pin TQFP |
4 ispMACH4000Z器件的应用
ispMACH4000Z器件可以大量应用于许多基于电池供电的手持设备等消费类电子产品,如移动电话、遥控设备、寻呼设备、手提式借记卡和信用卡读卡器、GPS定位装置、PDA、计算器、收音机、工业仪器、数字相机、数字摄像机、个人视听设备(如CD,DVD,迷你音响等)、便携式医疗设备、汽车设备以及便携式条形码扫描器等领域。
5 结束语
ispMACH4000Z系列器件在具有高速性能的同时也克服CPLD高功耗的特点,其静态功耗和动态功耗已经接近传统ASIC的水平,从而扩展了CPLD的应用领域,能广泛应用于电池供电的电子产品中。