全球最实用的IT互联网信息网站!
AI人工智能P2P分享&下载搜索网页发布信息网站地图
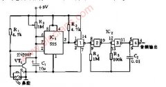
渐响式睡眠唤醒器电路图
阅读全文2009-05-25
简易心电图机校检器电路图
简易电针麻仪电路图
简易电子按摩器电路图
简易探穴仪电路图
家用电热数控温电路图
间歇式臭氧发生器电路图
简易病床呼唤装置电路图
急性冠状动脉供血不足报警电路图
呼吸监测器电路图
智锐通携“硬核”AI医疗硬件登场CMEF,解
思特威亮相2025中国国际工业博览会
无线医疗设备测试知识分享
锁定全球头部医械订单!9月上海精准对接
CPU | 内存 | 硬盘 | 显卡 | 显示器 | 主板 | 电源 | 键鼠 | 网站地图
Copyright © 2025-2035 诺佳网 版权所有 备案号:赣ICP备2025066733号 本站资料均来源互联网收集整理,作品版权归作者所有,如果侵犯了您的版权,请跟我们联系。