时间:2023-01-04 10:59
人气:
作者:admin
应用信息
◆输出电流
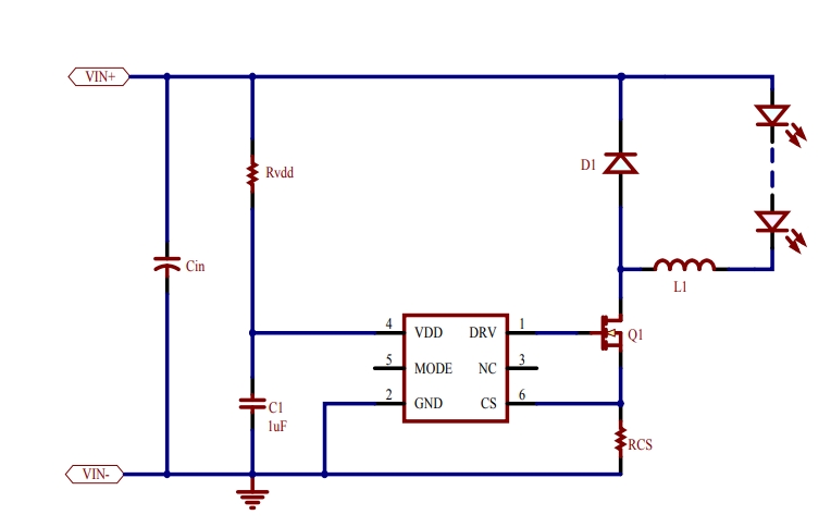
输出电流由芯片内部的误差放大器采样并且和内部 的基准电压进行比较以及误差放大,从而实现系统 的恒流控制,输出电流公式如下: Iout=176mV/RCS
◆芯片工作
系统上电后通过启动电阻对连接于电源引脚 VDD 的电容充电,当电源电压高于 3.4V 后,芯片电路 开始工作,直到 VDD 端口电压稳定达到钳位电压 5.4V 左右,芯片的供电电流主要有 VDD 端口接入 的电阻 RVDD 提供。
◆电感选择
为了确保恒流精度,需要选择合适的电感,使得电感 工作在连续电流模式, 电感的临界值为: 为保证系统的输出恒流特性,应用当中电感值的选择 要大于 LBCM ,电感电流应工作在连续模式。

◆MODE 设置
功能 MODE
全亮 悬空
半亮 VDD
◆过温保护
芯片内置了智能过温保护电路,随着温度的升高,逐 渐降低输出电流,既能防止温度过高烧毁电路,又能 防止突然关闭电流引起照明异常。
◆续流二极管
注意续流二极管的额定平均电流应大于流过二极管 的平均电流。平均电流计算公式如下:

注意,二极管应具有承受反向峰值电压的能力。建议 选择反向额定电压大于 VIN 的二极管。为了提高 效率,建议选择快恢复的肖特基二极管。
◆VDD 供电电阻
芯片主要是通过一个供电电阻 RVDD 到芯片 VDD 提供芯片的工作电流,通常情况下,VDD 满足
VDDVINIDRVDD
公式中可以看出,RVDD 过大会导致系统供电不足, 过小则会导致功耗过大、芯片过热。IVDD 典型值取 2mA。如果 MOS 管的输入电容较大时,芯片工作 电流会增大,相应地应减小供电电阻取值。
◆VDD 旁路电容
VDD 引脚需要并联一个 0.47uF 以上的旁路电容。 PCB 布板的时候 VDD 电容需要紧挨着端口布局。
◆MOS 管选择
MOS 管耐压选择要高于 输入电压的 1.2 倍以 上; MOS 管电流 IDS 选择一般要求是电感最大峰值 电流的 2 倍以上。MOS 管的导通电阻 RDSON 越 小,损耗在 MOS 管上的功率也越小,系统转换的 效率越高。MOS 管阈值电压 VGS 要选择较低的阈 值电压值,芯片的电源工作电压决定了 DRV 驱动电 压,通常芯片的 驱动电压为 5.4V,所以要保证 MOS 管在 VGS 等于 5.4V 时能完全导通。
◆PCB 设计注意事项
1:芯片 SW 端与续流二极管、功率电感的布线覆铜 尽可能长度短、线宽大。 2:芯片 SW 端与 CS 检流电阻的布线覆铜,CS 检 流电阻与输入电容 GND 的布线覆铜,都应尽可能 长 度短、线宽大。 3:芯片的 VDD 电容靠近芯片布局,VDD 电容的 GND 端与 CS 检流电阻 GND 端保持单点连接。 4:系统的输入电容尽可能靠近 AP5125 系统布局, 保证输入电容达到最好的滤波效果。
电源芯片特点
◆宽输入电压范围:9V~100V
◆固定工作频率:140KHZ
◆可设定电流范围:10mA~6000mA
◆内置抖频电路,降低对其他设备的 EMI 干扰
◆平均电流模式采样,恒流精度更高
◆CS 电压:176mV
◆输出短路保护
◆过温保护
◆功能模式:全亮/半亮
◆内置稳压管
◆SOT23-6 封装
应用领域
◆电动车,摩托车灯照明
◆汽车灯照明
◆手电筒
芯片应用原理图:

33W LED车灯产品样版明细

