时间:2023-03-14 15:29
人气:
作者:admin
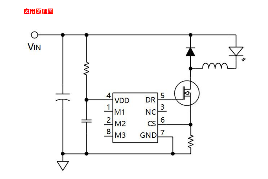
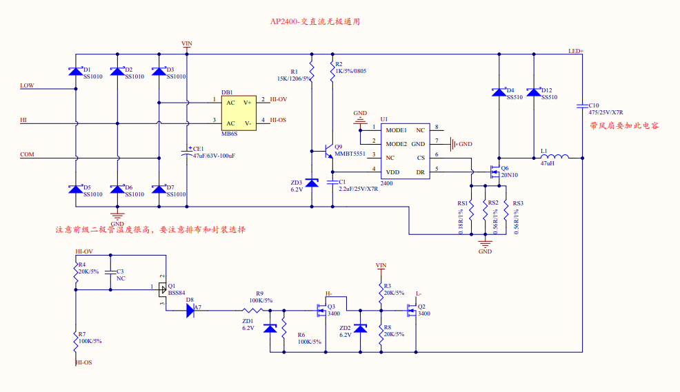
AP2400 是一款 PWM 工作模式,高效 率、外围简单、外驱功率管,适用于 5-100V 输入的高精度降压 LED 恒流驱动芯片。外 驱 MOS,最大输出电流可达 6A。 AP2400 可实现三段功能切换,通过 MODE1/2/3 切换三种功能模式:全亮, 半亮,爆闪,全亮/半亮/爆闪循环模式。 AP2400 工作频率固定在 150KHZ 左 右,同时内置抖频电路,可以降低对其他 设备的 EMI 干扰。另外采用平均电流采样 模式,可以提高宽输入电压情况下的电流 精度。 AP2400 带有输出短路保护功能, 5V~100V 输入条件下,短时短路不会损 坏电源器件。 AP2400 还有过温调节电流的功能。 当芯片内部的温度达到 140℃左右时,会 自动调低输出电流。
产品特点
宽输入电压范围:5V~100V 可设定电流范围:10mA~6000mA 固定工作频率:150KHZ 内置抖频电路,降低对其他设备的 EMI 干扰 平均电流模式采样,恒流精度更高 0-100%占空比控制,无电流节点跳变 输出短路保护 过温保护 三功能模式:全亮/半亮/爆闪/三功能循 环 SOP8 封装
应用领域
电动车,摩托车灯照明 汽车灯照明 手电筒a



下一篇:工程车辆T-Box硬件方案定制