时间:2023-07-24 10:21
人气:
作者:admin
新能源电动汽车在运行过程中需要传感器进行电机和刹车的监控,无刷电动机没有换向机构,需要位置传感器来测试电机转子的角度和转速等参数。传统的磁编码器、光学编码器精度低、抗震动性差、抗腐蚀性弱,都不能胜任电动汽车的恶劣环境,所以现代新能源汽车的电机转子位置解码系统迅速被旋转变压器所代替。
旋转变压器是电机控制器最关键的传感器,作为时变强耦合器件,对其输入信号有较高的要求,且其输出模拟信号因相位移向、电机引入干扰而不能直接被上位控制机所采纳使用,必须采用设计良好、经过标定验证的信号接口电路处理,以实现其模拟信号与控制系统数字信号之间的互相转化。这类接口电路是专用于旋转变压器的模/数转换器,即RDC。
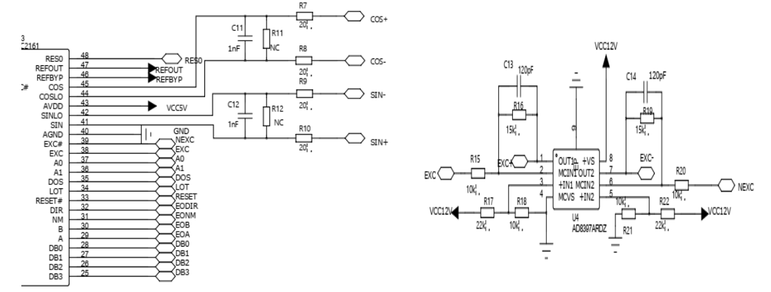
SC2161是芯炽新推出的旋转变压器信号输出/检测芯片,该芯片分辨率为10bit、12bit、14bit、16bit可调,最大精度可达±2.5弧分,且带有参考振荡器的数字可变R/D变换器,现已通过AEC-Q100可靠性测试,符合汽车领域的可靠性要求。

SC2161典型应用电路
SC2161旋转变压器产品特色:
1、比率跟踪转换Type II跟踪环路能够连续输出位置数据,且没有转换延迟。它还可以抑制噪声,并提供参考和输入信号的谐波失真容限。
2、系统故障检测:故障检测电路可以检测旋变的信号丢失、超范围输入信号、输入信号失配或位置跟踪丢失。各故障检测阈值可以由用户单独编程,以便针对特定应用进行优化。
3、输入信号范围:正弦和余弦输入端支持3.15Vp−p ±27%的差分输入电压。
4、可编程激励频率:可以轻松地将激励频率设置为2kHz至20kHz范围内的多个标准频率。
5、3种格式位置数据:通过16位并行端口或4线串行接口可以访问10位至 16位绝对角位置数据。增量式编码器仿真采用标准A-quad-B格式,并提供方向输出。
6、数字速度输出:通过16位并行端口或4线串行接口可以访问10位至16 位带符号的数字量速度。
注:如涉及作品版权问题,请联系删除。