时间:2023-07-26 12:21
人气:
作者:admin
本期内容
各位“攻城狮”朋友们,MPS电源小课堂又准时上线啦~
随着汽车智能化的普及,车上会装配越来越多功能复杂的电子零部件,例如最近几年比较热门的自动驾驶,智能座舱等。这些科技感十足的产品,都需要汽车级DCDC 电源来供电, 而DCDC开关电源又是EMI的源头,是汽车电子绕不过去的难题。
我们将分三期来讨论DCDC开关电源EMI问题, 分别是:
DCDC噪声源分析
汽车级DCDC如何通过芯片设计来优化EMI
汽车DCDC系统EMI优化设计
本期电源小课堂,我们首先来给大家分析下DCDC开关电源的噪声源。
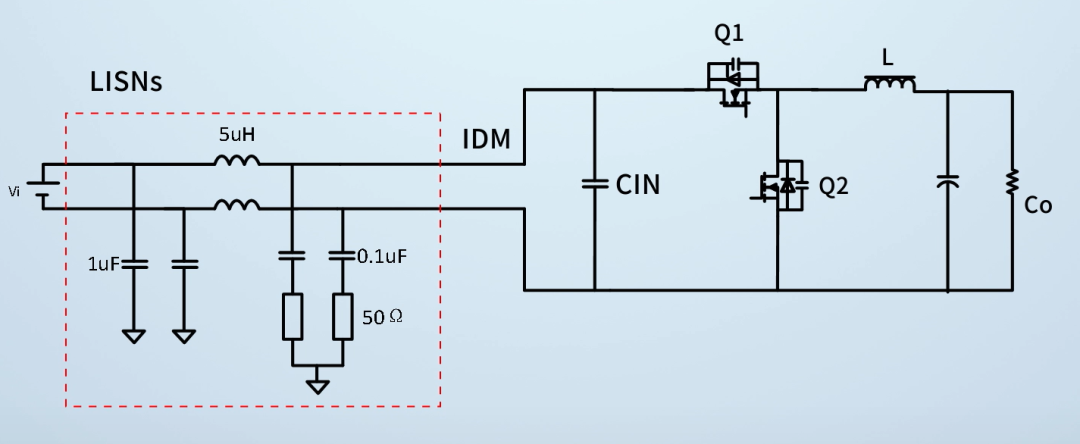
我们以常用的降压型Buck为例,下图是一个典型的Buck电路:

图2
Buck电路工作有如下两个工作过程:

图3 上管Q1开通,电感电流线性上升

图4 下管Q2开通时,电感电流线性下降
由于开关Q1,Q2的轮流导通,则输入电容Cin/Q1/Q2这个环路A1的区域的电流是不连续的,如下图:

图5
A1区就是我们常说的高频电流环,这个不连续的电流就是di/dt EMI噪声源,而输出的环路由于电感电流是连续的三角波,所以噪声较小。
DCDC 的另外一个噪声源就是开关节点SW的dv/dt噪声源,当上下管轮流导通时,SW的电压在高低高低的变化,SW节点的电压变化就形成了dv/dt噪声源。

图6
那么知道DCDC两大噪声源di/dt和dv/dt,他们是怎么产生EMI问题的呢?
首先我们先来看看di/dt 的EMI问题。
我们将典型的Buck电路和传导测试的LISN网络画到一起,如下图:

图7
分析噪声源时,我们可以用戴维南等效电路来分析,Q1上的不连续的电流,产生了di/dt噪声, 我们可以用一个等效的电流源ISW代替,Q2上有电压变化,我们可以用一个等效电压源 VSW 代替,等效电路如下:

图8
根据叠加定理,单独分析 ISW di/dt噪声时, VSW 短路,简化模型如下,ISW噪声可以通过LISN网络,被LISN网络的两个50ohm电阻测到,产生了一个差模噪声干扰:

图9
再单独分析电压源 VSW ,电流源ISW则需要开路,简化模型如图。
这个时候,其实看到VSW跟LISN网络断开,也就是说VSW不产生差模噪声。

图10 电流源短路

图11 简化后模型
通过以上分析似乎di/dt的噪声源似乎很容易处理,如果只是差模噪声,那di/dt的EMI就非常容易了,只需要在输入端加差模LC滤波器,但实际上,很多工程师都发现,输入加了差模PI滤波器,di/dt的EMI问题依然存在,特别是高频段的EMI问题。
其实,实际电路中,会有寄生电感Lp和寄生电容Cp,如下图所示:
随着频率的升高,寄生电感Lp阻抗增加,寄生电容Cp阻抗降低,差模电流路径将被Lp阻断,同时寄生电容Cp将提供一个路径,在高频段di/dt通过LISN,以及寄生电容Cp形成一个回路,由此可见,di/dt在高频段将转换成共模噪声了。

图12
解决di/dt的高频的共模问题, 也就变成了如何优化寄生电感Lp了,我们会在接下来的微信小文章中来分享具体的方法。
那么dv/dt 高频噪声,是怎么被LISN网络测试的?
上面我们分析了VSW不产生差模噪声,那么VSW有没有共模噪声呢?
还是用之前的模型,并将电路的寄生参数画出来,开关节点SW 对大地是有寄生电容Cpsw,VSW的电压变化,会在寄生电容Cpsw产生电流,dv/dt 通过寄生电容Cpsw回到大地,然后回到LISN网络,简化模型如图,所以dv/dt产生一个共模噪声。

图13 Dv/dt噪声源传输路径

图14 简化后模型
dv/dt的EMI 优化,我们也会在接下来的微信文章中来给大家分享。
通过以上的分析,相信大家都对DCDC的EMI两大噪声源有了一定的了解,学习更多干货知识,请持续关注MPS微信公众号以及MPS电源小课堂。
审核编辑:汤梓红