时间:2023-08-23 11:12
人气:
作者:admin
奔驰E级USB充电模块拆解报告
首先谈一下我的感受,大家都用手机,但不一定知道目前国内车厂出现了一台神奇的设计,12个USB充电口,像装修房子一样。而其实汽车电源的设计具有特殊性,想要把单个USB的充电器做好,单就保护还有电压移植的工作就已经很不容易, 12个谈何简单。

USB口涉及到要转化成低电压,各种手机的握手识别,还要保护手机的接口,这个是需要仔细考虑的,USB电压可能会导致整个后端的电压输出不稳定超出电池的限制。

电瓶的的电压范围是8V-16V,蓄电池的电流很大,而且负载随时可能会断开,12V电源总线上就会产生超过电源电压几倍的冲击电压,蓄电池误接和蓄电池双倍电压跳跃激活(24V)操作这样大操作也会造成充电器输入电压超出标称值。
这些电源转换器的瞬态抑制能力存在很大的差异。集成电路的OVP器件可以解决过压问题,但是没有浪涌防护的功能,而TVS管可以做浪涌防护,但是却无法长时间过压。最理想的情况是结合起来用,但是成本和体积都会比较高。
很巧的是,这次刚好拿到了奔驰的USB充电模块,就想拆来和大家分享下。这个模块是奔驰新E级车上的, 新E级给人最大的印象就是跨时代科技感,比如双12.3寸一体式全液晶仪表和中控大屏,包含84颗发光颗粒的几何多光束LED大灯。
而除了这些传统的科技配置外,相信这个级别的消费主力也同样关注座舱内的设计。新E级前排提供了支持Qi标准的无线充电表面,而后排则配置了我手上这个比较特别的USB充电盒。我查了一下,只有E300L以上车型有配备。
我们来看看到底特别在哪里,马上拆解。
外观
整个模块外壳是ABS塑料,外部是磨砂质感,中间是模块插拔按钮,方便模块的安装。而比较别致的地方,就是该模块具有一个USB type C口和一个USB type A口。在目前的量产汽车上,USB A口是相当常见,但Type C口就比较少见了,奔驰E级走在了主流车厂前列。
背面的输入接口拥有三个输入端口。
整个模块呈楔型,斜插入的设计让模块厚度可以做的比较薄,厂商是花了心思的。
再来看一下规格标称,真是相当高的配置了。
• 输入电压 9 ~ 16V
• 输出 4.75 ~ 5.25V
• 最大电流支持到 3A
内部
拧掉背面两颗螺丝,可以看到模块内部结构。结构本身不复杂, PCB板大概只占到1/3的面积,很大的空间都是没有利用的。由于机械结构和设计厚度的限制,显然奔驰选择了集成度很高的方案。
PCB板用了4层板的板材,表面有露铜散热工艺,贴片工艺精良。
PCB板子通过五个塑料点固定,用刀切掉了固定点,取下PCB板。
背面器件不多,主要包含了输入滤波和防反的电路。重要电路用金属罩屏蔽了,应该是考虑EMC兼容要满足奔驰的要求。
取下金属盖,可以看到电感,电容和主芯片。
金属罩是焊接在PCB上,只能通过暴力拆解。拆开可以看到主芯片和电感,看起来电路还是非常简洁的。
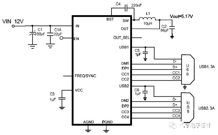
主芯片是来自MPS的汽车级芯片MPQ448x。

测试
充电测试,Type A端口:支持苹果2.4A,三星2A和DCP 1.5A,不支持市面的高压快充协议。
用电量20%的iPhone 7 Plus实际测试,输出5.1V, 电流1.97A,功率达10W。
Type C 端口电压4.76V,电流3A,功率达14.3W,实测确实是3A的输出能力。

同时测试Type A和Type C,分别都能输出2.4A和3A,输出能力大。
总功率为Type C 14.3W加Type A 12.3W,26.6W由一颗芯片输出,功率密度非常惊人。
小结
我觉得豪车,比如BMW、奔驰、奥迪这几家的工程师还是挺严谨的,也为细节付出了很多的成本,有时候一分钱一分货,是用在你不知道的地方。从这次拆解的原车USB充电模块来看,集成度高、方案简洁,设计上考虑了主流的Type A接口,也采用了Type C接口,双口输出能力值得赞赏。国内神车布置12个充电口,总不至于这么设计吧,弄个消费级别的埋在里面,理念不同,结果自然也不同。
审核编辑:彭菁