时间:2019-03-05 15:06
人气:
作者:admin
Infineon公司的TLE9844-2QX是集成了ARM® Cortex®-M0微控制器和继电器驱动器,高边开关,LIN收发器和电源系统,它的外设包括有13个复接模拟输入的10位ADC,能处理多达5个高压监视输入,6个低压输入和2个用于检测电池电压和设备电源的高压输入.还包括有用于电压和温度监测的7个复接输入8位ADC.主要用在汽车窗户提升,顶棚,雨刷,电扇和电泵,泵马达控制和LIN地址继电器马达.本文介绍了TLE9844-2Q主要优势和框图,应用电路及其材料清单,以及应用评估板TLE9844-2QX Appkit主要特性,概念图和电路图,以及PCB设计图和元件分布图.
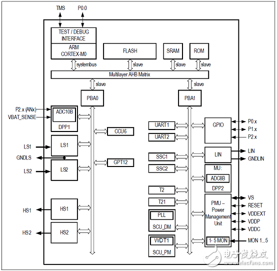
The TLE984x product family integrates an ARM® Cortex®-M0 microcontroller core along with relay drivers, high side switches, LIN transceiver and a power supply system that enables the device to operate at the vehicle battery level.
Its peripheral set includes a 10-bit ADC with 13 multiplexed analog inputs to process up to 5 high-voltage monitoring inputs, 6 low-voltage inputs and 2 high-voltage inputs for sensing the battery voltage and the supply of the device. It further includes an 8-bit ADC with 7 multiplexed inputs for voltage and temperature super vision. Its digital peripherals include a PWM signal generator unit and 16-bit timers along with a number of general purpose I/Os (serial interfaces and UARTs). It includes an on-chip linear voltage regulator to supply external loads.
The TLE984x family concept offers scalability in terms of flash memory sizes ranging from 36 kB to 64 kB with pin-compatible devices. It is specifically designed to drive a wide range of LIN-slave motor control automotive applications via a relay or via a PN MOSFET half-bridge, such as window lifts, sunroofs, wipers, electric fans and pumps to name a few.
TLE9844-2Q主要优势:
Enable cost and board space improvements – our system-on-chip solution integrates data processing, actuation and sensing. The chip comes in a leadless VQFN package with 7 x 7 mm footprint and enables PCB space saving.
The TLE984x family allows driving relays and MOSFETs at VBATT ≥ 6 V without external components, providing a very cost effective solution on a system level.
Enabling high levels of system reliability – extensive diagnostics and protections are embedded within the system-on-chip, more than a discrete approach can offer.In addition both the Embedded Power IC and the external MOFESTs can be protected.
Support multiple and flexible designs with minimal effort – all TLE984x devices are pin and software compatible, maximizing a single design through scalability.
TLE9844-2Q主要特性:
ARM® Cortex®-M0 MCU
System clock up to 40 MHz
Up to 64 kB flash memory
Up to 4 KB RAM
High-side and low-side switches with PWM capability
5 V power supply output
Integrated LIN transceiver compatible with LIN standard 2.2 and SAE J2602-supports fast programming via LIN
Measurement unit:8-bit ADC with 7 channels for voltage and temperature supervision
10-bit ADC with 13 channels (6 analog inputs, 5 HV monitor inputs and battery sense)
On chip temperature and battery voltage measurement
On-chip oscillator and PLL
AEC-Q100 qualified
TLE9844-2Q应用:
Window lift
Sunroof
Wiper
Electric fans
Electric pumps
Wiper
Fan/Blower Motor Control
Pump Motor Control.
LIN addressed Relay Motor Applications
TLE9844-2Q主要特性总结:
• 32-bit ARM Cortex-M0 Core
– up to 40 MHz clock frequency
– one clock per machine cycle architecture
– single cycle multiplier
• On-chip memory
– 64 KB Flash (including EEPROM)
– 4 KB EEPROM (emulated in Flash)
– 768 bytes 100 Time Programmable Memory (100TP)
– 4 KB RAM
– Boot ROM for startup firmware and Flash routines
• On-chip OSC
• 2 Low-Side Switches incl. PWM functionality, can be used e.g. as relay driver
• 2 High-Side Switches with cyclic sense option and PWM functionality, e.g. for supplying LEDs or switch panels(min. 150 mA)
• 5 High Voltage Monitor Input pins for wake-up and with cyclic sense with analog measurement option
• 10 General-purpose I/O Ports (GPIO)
• 6 Analog input Ports
• 10-Bit A/D Converter with 6 analog inputs + VBAT_SENSE + VS + 5 high voltage monitoring inputs
• 8-Bit A/D Converter with 7 inputs for voltage and temperature supervision
• Measurement unit with 12 channels together with the onboard 10-Bit A/D converter and data post processing
• 16-Bit timers - GPT12, Timer 2 and Timer 21
• Capture/compare unit for PWM signal generation (CCU6)
• 2 full duplex serial interfaces (UART1, UART2), UART1 with LIN support
• 2 synchronous serial channels (SSC1, SSC2)
• On-chip debug support via 2-wire SWD
• LIN Bootstrap loader to program the Flash via LIN (LIN BSL)
• 1 LIN 2.2 transceiver
• Single power supply from 3.0 V to 28 V
• Low-dropout voltage regulators (LDO)
• 5 V voltage supply VDDEXT for external loads (e.g. Hall-sensor)
• Core logic supply at 1.5 V
• Programmable window watchdog (WDT1) with independent on-chip clock source
• Power saving modes:
– Micro Controller Unit slow-down mode
– Sleep Mode with cyclic sense option
– Cyclic wake-up during Sleep Mode
– Stop Mode with cyclic sense option
• Power-on and undervoltage/brownout reset generator
• Overtemperature protection
• Short circuit protection for all voltage regulators and actuators (High Side, Low Side)
• Loss of clock detection with fail safe mode for power switches
• Temperature Range TJ: -40℃ up to 150℃
• Package VQFN-48-31 with LTI feature
• Green package (RoHS compliant)
• AEC Qualified

图1.TLE9844-2Q框图

图2.TLE9844-2Q Cortex-M0功能框图

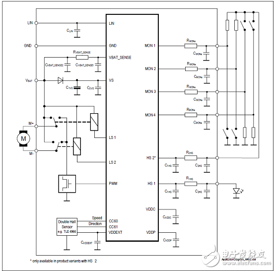
图3.TLE9844-2Q简化应用案例电路图
应用案例外接元件清单(BOM):

应用评估板TLE9844-2QX Appkit
The TLE9844-2QX Appkit is designed to evaluate hardware and software functionalities of theTLE9844-2QX in an application similar designed shape.
The 2-Channel Relay is connected to the integrated low side switches to drive DC motors bidirektionally.
This documentation describes the basic use of the TLE9844-2QX Appkit.The TLE9844-2QX Appkit provides an application near circuit to evaluate relay based bidirectional dc motorapplications.
图4.应用评估板TLE9844-2QX Appkit外形图
The TLE9844-2QX device is placed near a 2-Channel Relay. The board is protected against reverse polarity ofinput voltage supply. GPIOs, high voltage monitor PINs and high side switches are accessible via pin headconnectors.
The Application Kit provides an On-Board debugger. It provides a SWD-Debug connection and a virtual COMport for serial UART communication.
Power supply and motor connectors are accessable via plated through hole contacts, which can be used toplace M2.5 pressnuts (optionally).
应用评估板TLE9844-2QX Appkit主要特性:
• Application near circuit (e.g. Window lift)
• LIN-PWM Interface
• 2-Channel Relay for bidirectional dc motor control
• Analog Pins with additional GND connector (double row pin header)
• GPIOs accessible (pin header)
• High side switches accessible (pin header)
• USB-Communication and Debug-Interface (USB-Connector)
• Example Code (KeilμVision 5)

图5.应用评估板TLE9844-2QX Appkit概念图

图6.应用评估板TLE9844-2QX Appkit互连图

图7.应用评估板TLE9844-2QX Appkit电路图:TLE9845QX和PN-MOSFET半桥和板上调试接口

图8.应用评估板TLE9844-2QX Appkit PCB元件布局图

图9.应用评估板TLE9844-2QX Appkit PCB布局图