时间:2017-08-25 07:01
人气:
作者:admin
导读:我国目前是全球最大新能源汽车生产和消费国家,但在核心元器件方面如电池测量与电池管理等芯片,主要依赖进口。不过随着国产电池管理芯片崭露头角,将打破国外垄断,提升我国新能源汽车核心竞争力。
电动汽车的核心是电池,而电池的核心在电池管理系统(BMS)。国内外许多新能源汽车企业都将电池管理系统(BMS)作为企业最核心的技术来看待,大家耳熟能详的特斯拉的电动汽车“三大件”中,电池来自于松下,电机来自于我国***供应商,而只有电池管理系统(BMS)是自主研发的核心技术,其2008年-2015年期间特斯拉所申请的核心知识产权大都与电池管理系统相关,由此可见电池管理系统对于新能源汽车的重要性。
随着新能源汽车销量的增长,电池管理系统的市场规模快速增长。目前,大力发展新能源汽车已成为各国共识,世界主要国家如美国、中国、日本、德国、韩国、英国等都纷纷建立了自己宏伟的新能源汽车产业规划。
电池管理系统(BMS)主要分为两部分,第一部分是前端模拟测量保护电路 (AFE),包括电池电压转换与量测电路、电池平衡驱动电路、开关驱动电路、电流量测、通讯电路;第二部分是后端数据处理模块,就是依据电压、电流、温度 等前端计算,并将必要的信息通过通信接口回传给系统做出控制。
目前电动汽车的电池管理系统(BMS)产品设计方案,被国外厂商垄断,都选用国外半导体厂商提供的电池管理IC,并以其应用方案为参考进行设计。Maxim、ADI/Linear Technology、Intersil、TI、NXP、ON/Fairchild等是主要方案提供商。
电池管理专用IC的出现和发展是和锂电池应用过程中遇到的种种问题息息相关的。最早是为了解决锂电池的过充过放而设计出了单节电池的充放电保护芯片,后来在锂电池多节串联应用中又发展出应用于多串的芯片,这时候就成为了电池管理芯片,主要是对电池组中的每节电池电压数据进行采集。再以后为了应对电池不一致的问题,进一步集成了功率开关的驱动功能,这就是带有均衡功能的电池管理IC。
德州仪器 (TI)电池管理系统(BMS)方案图

展望新能源汽车快速发展的同时,必须清楚地认识到,技术的发展才是行业发展的基础,而稳定、高效、安全、可靠的产品就是技术的体现,我们必须知晓, 国内目前的新能源汽车行业并不友善,频发的电动车自燃事件和虚假续航里程,都暴露出国内目前新能源电池组、电池管理系统的设计、检测、生产的标准的不完善。这些都是新能源汽车目前急需解决的问题,而之所以会出现这些使用问题,没有使用电池管理系统或使用劣质的不成熟的电池管理系统是主因之一。为了解决新能源汽车的安全性问题,必须把电池管理系统作为政府和汽车产业的重点工作之一。
尽管国内有众多电池管理系统(BMS)企业,也有不少企业掌握了电池管理系统核心算法,但在核心元器件方面如微控制器(MCU)、电池测量与通信IC等等,还主要依赖进口。技术先进、产品稳定可靠是国外公司电池管理产品的核心特点,从技术、功能、品质、标准规范四个维度阐释了他们的竞争力。
经历多年自主研发的积累,近几年,我国电池管理芯片已经一改完全依赖进口采购的格局,拥有从芯片级到系统的关键技术核心知识产权,形成了完整的电动汽车由芯片到系统到整车的国产化产业链。
赛微微电子一直潜心于研发,致力于推动电动汽车芯片国产化,提供从电机控制到电池保护的全套集成电路,设计专业的芯片及解决方案,产品线包括电池电量计芯片、电池管理芯片、电池保护芯片、BMS前端采集芯片以及USB充电控制芯片。
目前,国产芯片的技术水平,已经可以实现对进口品牌的产品替换。但一个瓶颈是,要应用到电动汽车领域,还需要相关厂商的配合。电动汽车电池系统是一个完整的体系,而如何将芯片很好地融入进去,这是摆在国内芯片厂商的难题。
为了推动电动汽车芯片国产化,赛微微电子与东莞钜威动力合作,双方将联合开发电动汽车电池管理系统模拟前端采集IC,并计划共同发起成立电动汽车核心部件国产化产业联盟。联盟计划在三年内实现电动汽车核心部件芯片的国产化,并逐步实现对国外品牌的产品替代。
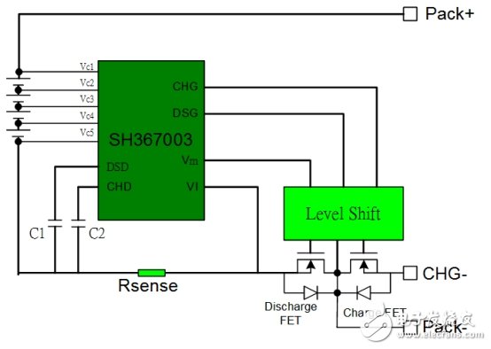
由于技术门槛高,国内锂电池管理芯片的竞争者较少,中颖电子股份有限公司是一家专注于单片机集成电路设计与销售的高新技术企业,于2007年投入锂电池管理芯片的研发,近两年,锂电池管理芯片的应用面和客户都在增加,销售增量主要来自应用于锂电池保护芯片的电动自行车、平衡车、电动工具以及PAD、高端手机维修市场。芯片还可用于道路救援的移动电源、无线吸尘器等。公司锂电池产品分为计量芯片和保护芯片。公司正在致力于新能源汽车锂电池管理芯片的研发,期待他们早日在此有新的突破。
中颖电子SH367003锂电池安全保护方案

由于与安全性直接相关,汽车电子对芯片的要求苛刻。汽车电子要求在承受高温,高压,震动和有水等环境条件下仍能保证高精度和准度,技术门槛高。行业内严格的汽车召回制度也逼迫厂商提高汽车芯片质量的门槛。
只有通过国际相关质量管理体系认证的零部件企业才能进入整车配套体系,具备供应商基本资格。认证程序庞杂,认证周期漫长。一般从意向到批量供货需要10余项认证流程,认证周期一般最短需18个月。此外,即使拿到资格,也只能等待新品产业链的机会。
消费性产品的产品功能设计,一般IC设计业者早已驾轻就熟,而近几年,随着汽车市场逐步走向车联网、电动车领域,需要更多驾驶资讯辅助整合系统,也让国内芯片设计业者找到进入市场的敲门砖。然而,消费性电子产品而言,产品寿命设计约1-3年为替换周期,但车用电子则以10年起跳,上看15年寿命期。如何寻找有经验的实验室,协助客户了解车规,制定相对应的AEC-Q100/101/200验证步骤与手法,顺利进入车厂供应链,是极为重要的事。

所以对于新能源汽车电池管理芯片而言,留给国内新玩家的机会反而更少。虽然国内已有不少芯片厂商,但具备生产车规产品的公司并不多。而且前期的开发及验证期漫长,中国业者都习惯即时上市(Time to Market)的运作模式,缺乏耐心,价值理念与之相悖。
新能源汽车的安全性问题,一直是汽车产业的重点工作之一, 在展望新能源汽车快速发展的同时,我们须认识到,稳定、高效、安全、可靠的电池管理系统(BMS)产品,是保障电动汽车的正常运行的关键,而电池管理芯片是核心,只有芯片的国产化,我国新能源汽车才能拥有可持续发展的未来。
上一篇:英特尔踩足油门加速自动驾驶