时间:2017-05-10 16:19
人气:
作者:admin
导读:电池管理系统(BMS)是电动汽车的核心关键技术,其主要分为两部分,第一部分是前端模拟测量保护电路 (AFE),包括电池电压转换与量测电路、电池平衡驱动电路、开关驱动电路、电流量测、通讯电路;第二部分是后端数据处理模块,就是依据电压、电流、温度等前端计算,并将必要的信息通过通信接口回传给系统做出控制。目前电动汽车的电池管理系统(BMS)产品设计方案,被国外厂商垄断,都选用国外半导体IC厂商提供的电池管理IC,并以其应用方案为参考进行设计。
电池管理系统(BMS)是一个本世纪才诞生的新产品,因为电化学反应的难以控制和材料在这个过程中性能变化的难以捉摸,所以才需要这么一个管家来时刻监督、调整、限制电池组的行为,以保障使用安全,其主要功能为:
1. 实时监测电池状态。通过检测电池的外特性参数(如电压、电流、温度等),采用适当的算法,实现电池内部状态(如容量和SOC等)的估算和监控,这是电池管理系统有效运行的基础和关键;
2. 在正确获取电池的状态后进行热管理、电池均衡管理、充放电管理、故障报警等;
3. 建立通信总线,与显示系统、整车控制器和充电机等实现数据交换。
电池管理系统(BMS)主要分为两部分,第一部分是前端模拟测量保护电路 (AFE),包括电池电压转换与量测电路、电池平衡驱动电路、开关驱动电路、电流量测、通讯电路;第二部分是后端数据处理模块,就是依据电压、电流、温度 等前端计算,并将必要的信息通过通信接口回传给系统做出控制。
目前电动汽车的电池管理系统(BMS)产品设计方案,被国外厂商垄断,都选用国外半导体IC厂商提供的电池管理IC,并以其应用方案为参考进行设计。
Maxim、Linear Technology(已被ADI收购)、Intersil、TI、ADI、NXP是主要方案提供商。
Maxim系列产品构建完备的12节电池监测方案,Maxim的电池监测器(MAX172XX等系列)、电池保护器(DS277X系列)以及电池选择器(MAX1538)能够有效延长电池工作寿命,确保安全、可靠的系统工作。其系列高压器件有助于实现向低碳能源方案的转变,器件集成了先进的功能,可降低电池管理系统的尺寸、成本和设计复杂度。消费者则可获得更高的系统可靠性、更长的电池使用时间和更快的产品上市时间。
1.极大地简化了多节电池组的设计。器件包含12个测量通道,采用电容隔离式阶梯形SMBus通信总线,大大减少了元件数量,降低成本。这种独特的架构允许连接多达31个器件至串联电池组,对多达372节电池进行监测。基于电容的接口提供了成本极低的电池组间隔离,消除了级联电气故障。
2.具有优异性能,Maxim的高压、小尺寸BiCMOS工艺具有业内最高耐压(80V)和优异的ESD保护(±2kV,人体模式)以及热插拔功能,在较宽的工作温度范围内确保符合AEC-Q100标准,保持高度可靠性。
3.模拟前端包含12通道电压测量数据采集系统和一组高压、带故障容错的开关输入。高速、12位ADC对测试的电池电压进行数字化。采用两相扫描技术,获取电池测量数据并修正误差,该技术可同时测量电池电压,在10µs内完成全部120节电池的电压测量采样,即使在嘈杂系统中也能确保优异的精度。在整个电池标称工作温度范围内误差小于±0.25%,在整个AEC-Q100 2类温度范围内误差小于±20mV。
4.可将功耗降低10倍(工作模式下电流为100µA),以延长电池使用时间。独特的内置关断电路将功耗降至极低水平(漏电流仅为1µA),使电池可以保存若干年,而不损耗电池电量。
5.针对汽车应用优化设计,Maxim方案内部具有配置和自诊断模式,这对于安全监测系统的工作至关重要,能够在存在磁场和瞬态噪声的恶劣环境下确保无故障工作。Maxim采用大电流注入、带状线和车内监测等多种方式对IC进行全面测试,确保在具有强瞬态电信号和磁场干扰的电动车电池组中可靠工作。器件具有FMEA标准规定的引脚开路和短路故障检测功能,并能够处理内部电路故障。
Maxim方案图

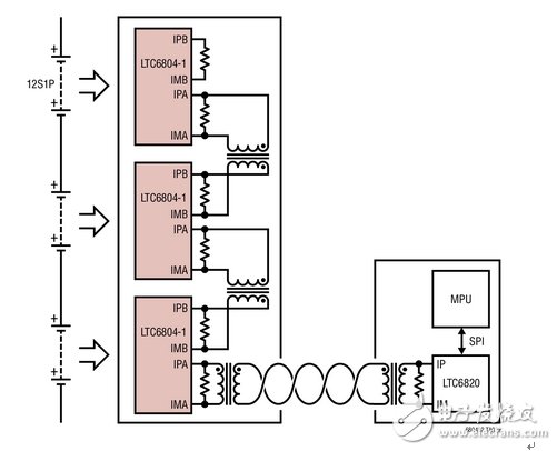
Linear technology的多节电池、高电压电池组监视器系列是完整的电池监视 IC,它们内置了 12 位 ADC、精准的电压基准、一个高电压输入多工器和一个串行接口。可以把这些器件串联起来 (无需使用光耦合器或光隔离器) 以监视到长串联接电池中每节电池。
Linear Technology的LTC6804-1 / LTC6804-2 - 多节电池的电池组监视器,专为汽车和运输应用,特定封装的 AEC-Q100 数据。
方案特点:
1.可测量多达 12 个串联电池的电压,可堆叠式架构能支持几百个电池
2.内置 isoSPITM 接口: 1Mbps 隔离式串行通信,采用单根双绞线,长达 100 米, 低 EMI 敏感度和辐射
3. 1.2mV 最大总测量误差,可在 290μs 内完成系统中所有电池的测量:同步的电压和电流测量
4. 具频率可编程三阶噪声滤波器的 16 位增量累加 (ΔΣ) 型 ADC
5. 针对 ISO26262 标准的系统工程设计,具可编程定时器的被动电池电荷平衡
6. 5 个通用的数字 I/O 或模拟输入: 温度或其他传感器输入,可配置为一个 I2C或 SPI 主控器
7. 4μA 睡眠模式电源电流
Linear Technology方案应用图
