时间:2017-05-25 19:15
人气:
作者:admin
汽车系统需要承受高温差、极端输入瞬变和其它多种干扰的影响。汽车中几乎所有的电子产品都需经过严格的测试,以符合汽车电子委员会(AEC)规定的质量体系标准和组件资质。大多数汽车系统采用12V铅酸电池,并且您可能知道,电池的电压几乎在您可以想到的每种情况下都会发生变化:环境温度、负载条件、使用年限等等,不胜枚举。
正常工作条件下,电压的变化范围可达到9V-16V。在某些工作条件下,甚至会更大。启动内燃机时,12V铅酸电池必须为起动电机的绕组提供足够的能量,在短时间内提供大量的电流,导致电池电压急剧下降。极低的温度会导致电池电压降至更低水平。这种现象称为冷启动。典型的测试波形如图1所示,其中电压可以降至3V。

图1:汽车电池冷启动电压曲线
假设我们正在设计一款由12V铅酸电池直接供电的12V汽车音响系统。如何使音响系统保持恒定的输入电压?记住,如上所述,电池电压的波动范围可达3V至16V。降压转换器有用吗?不行。当电池电压低于12V时,音响系统的输入将下降,可能会导致欠压状态。我们来试一下升压转换器。还是不行。当电池电压大于12V时,音响系统的输入将上升,可能导致过电压状态并损坏电子设备。我们需要的是降压 - 升压转换器。顾名思义,无论输入电压如何,该拓扑都可以降压或升压到稳定的输出电压。最重要的是,即使电压波动,它也能提供恒定的能量。图2所示为降压拓扑的简单级联升压。

图2:级联降压 - 升压转换器
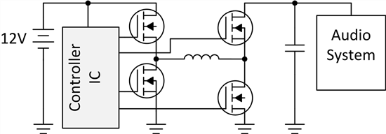
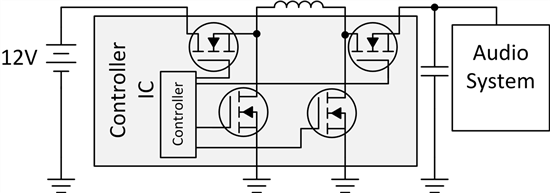
降压 - 升压拓扑有许多变化和简化,而且与图2所示的拓扑结构相比存在很多优点。例如,两个转换器可以简化,并共享一个电感器,从而节省电路板空间(见图3A)。想提高效率吗?去掉续流二极管并添加MOSFET以降低传导损耗,这是四开关降压 - 升压(图3B)。还在担心电路板空间不够用?为何不采用四开关转换器,并将MOSFET移至控制IC内部(图3C),从而节省宝贵的PCB空间。

图3A:2开关降压 - 升压转换器

图3B:4开关降压 - 升压转换器

图3C:具有集成MOSFET的降压 - 升压转换器
想了解更多关于降压 - 升压转换器的一些变体吗?检查新的TI电源管理实验室套件降压 - 升压板和实验指导书。这个新的学习套件主要向用户介绍降压 - 升压拓扑的工作原理以及与设计相关的挑战。评估板采用TI的LM5118控制器集成电路。该套件还提供了一个用于实践学习的实验指导书。掌握TI-PMLK Buck Boost实验室的实验后,请查看TI的其它降压 - 升压电源解决方案,例如具有集成MOSFET的四开关LM5175和TPS63060。
应用电力电子会议(APEC)将于3月26日至30日在佛罗里达州坦帕举行。届时,您可在TI的701号展位上看到新的TI电源管理实验室套件降压 - 升压板和实验板的现场演示。
其它信息:
了解有关TI电源管理实验室套件的更多信息
查看WEBENCH®Power Designer电源设计工具
阅读文章“设计前端DC / DC转换级以承受自动瞬变”。
快速申请样片或购买链接:
LM5118
LM5175
TPS63060
上一篇:四大创新性功能提升驾车体验度