时间:2017-04-27 15:06
人气:
作者:admin
随着CAN总线在电动汽车、充电桩、电力电子、轨道交通等电磁环境比较恶劣的场合应用越来越多,信号干扰的问题已经严重影响到使用者对CAN总线的信任。究竟如何才能抗干扰?本文展示了致远电子CAN总线抗干扰的6条“军规”。
在汽油车时代,CAN总线遇到的干扰少之又少,即使有一些继电器和电磁阀的脉冲, 也不会有很大影响,稍微进行双绞处理,完全可以实现零错误帧。
可是到了电动汽车年代,逆变器、电动机、充电机等大功率设备对CAN的影响足以中断通讯,或者损坏CAN节点,如图1图2所示,就是被逆变器干扰的CAN波形。

图1 干扰前 图2 干扰后
面对干扰,各个汽车厂、零部件厂,测试诊断设备的厂商都纷纷研究抗干扰之“妙方”,以保证CAN稳定运行。本文就以广州致远电子有限公司15年的CAN现场故障排查经验,介绍抗干扰6条“军规”。
干扰不但影响信号,更严重的会导致板子死机或者烧毁,所以接口和电源的隔离是抗干扰的第一条“军规”。隔离的主要目的是:避免地回流烧毁电路板和限制干扰的幅度,保护控制器不死机。如图3所示,为未隔离时,两个节点的地电位不一致,导致有回流电流,产生共模信号,CAN的抗共模干扰能力是-12~7V,超过这个差值则出现错误,如果共模差超过±36V,烧毁收发器或者电路板。

图3 未隔离时的地回流
而增加CTM1051KAT隔离模块后,如图4和图5所示。隔绝了地回流,限制了干扰幅度。

图4 CTM1051KAT隔离模块

图5隔离地回流
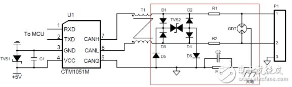
增加隔离后,是否万事大吉了?肯定不是,隔离只是阻挡,如果干扰强度很高,比如达到2KV浪涌,隔离也会被破坏。所以要想达到更高的防护等级,必须增加防浪涌电路。如图6所示,为致远电子高速总线标准防浪涌保护电路。


图6 信号保护电路
此保护电路可达4KV浪涌而不损坏,不过注意如果要通过2500VDC耐压测试时,需要将GDT和R3拆除,防止高压击穿导致测试不通过。
CAN总线为了提高抗干扰能力,采用CANH和CANL差分传输,达到效果就是遇到干扰后,可以“同上同下”,最后CANH-CANL的差分值保持不变。如图7所示。

图7 差分抗干扰示意图
可是,这种抗干扰能力,必须的条件是,CANH和CANL要很紧密地靠在一起,否则受到的干扰强度就不一样,就会导致差分信号受到干扰。所以CANH和CANL要紧密地绞在一起,通常双绞线只有33绞/米,而在强干扰场合,双绞程度要超过55绞/米才能达到较好的抗干扰效果。另外线缆的芯截面积要大于0.35~0.5 mm2 ,CAN_H对CAN_L的线间电容小于75 pF/m,如果采用屏蔽双绞线,CAN_H (或CAN_L) 对屏蔽层的电容小于110 pF/m。可以更好地降低线缆阻抗,从而降低干扰时抖动电压的幅度。
图8 双绞线
带屏蔽层的CAN线,可以良好地抵御电场的干扰,等于整个屏蔽层是一个等势体,避免CAN导线受到干扰。如图9所示,为一个标准的屏蔽双绞线,CANH和CANL通过铝箔和无氧铜丝屏蔽网包裹,如图9所示。需要注意的是和与接插件的连接,在连接部分允许有短于25 mm 的电缆不用双绞。
图9 屏蔽双绞线
较好的CAN屏蔽线带有2层屏蔽层,称为双层屏蔽线,其中内层的CAN_GND是与CAN收发器的地连接,外层的Shield是与外壳大地相连。内层可以平衡信号的地电位,抑制共模干扰,减少错误帧,但强干扰时收发器损坏率会提高;外层可以泄放电荷到大地,如图10所示。

图10 双层屏蔽线
使用屏蔽线后,在屏蔽层没有良好接大地前,屏蔽线是不起作用的。所以我们要选择一种接地方式。通常来说,屏蔽层单点接地可以避免地回流(不同位置的地电位不同而导致的产生电流)、多点接地可以加快高频干扰信号的泄放。所以要根据实际情况选择合适的接地方式。如图11所示。

图11 屏蔽层接地方法
在CAN的应用场合,由于距离一般都较远,所以大部分采用屏蔽层单点接地的原则,在干线上找一点将屏蔽层用导线直接接地,该点应是所受干扰最小的点,同时该点位于网络中心附近。
远离干扰源是最简单的抗干扰方法,如果CAN线与强电干扰源远离0.5米,干扰就基本影响不到了。可是在实际布线中,经常遇到空间太小而不得不和强电混在一起,如图12所示,为某新能源汽车的驱动系统,CAN线与驱动线混在一起,结果导致干扰很大。只要与CAN并行的驱动线,具备2A/秒的电流变化,就会耦合出强磁场而导致CAN线上出现干扰脉冲。所以CAN线必须要和电流会剧烈变化的线缆远离。比如继电器、电磁阀、逆变器、电机驱动线等。
图12 布线乱问题
而解决这个问题,只能尽量保证强电与弱电分开捆扎,距离上尽量远离。实在避不开,也要垂直交叉,也不能平行布线。
使用抗干扰的磁环,目的就是削弱特定频率的干扰的影响。如图13所示,为增加磁环的效果。CAN差分线缆可以两线一起加,或者单端单独加。
图13 增加磁环
磁环的效果可以大大削减特定频率的干扰强度,在增加磁环前,需要用CANScope或者示波器FFT快速傅里叶变化功能,测试出最高干扰的频率,然后向磁环厂家定制对应频率的磁环。如图14所示。为增加磁环前和增加磁环后的FFT的结果。可以看出干扰强度明显减小。

图14 增加磁环后的效果
需要注意的是增加磁环或者共模电感时,不可随意添加,如果适应频率不对,则会影响正常信号通讯。
抗干扰的终极手段就是把CAN转化为光纤传输,光纤是一种无法被电磁干扰的传输介质。如果前5种抗干扰手段均无法解决干扰问题,可以把CAN转化为光纤,实现“无懈可击”。如图15所示。为使用致远电子的CANHub-AF1S1和CANHub-AF2S2组合的光纤主干网络。
图15 使用光纤转换器实现光纤主干传输
致远电子拥有近20年的CAN总线系统解决方案,形成产品系列最全的CAN总线设备家族。具备一支经验丰富的CAN故障诊断和测试的技术团队,可以给客户提供全套的技术服务支持。
图16 致远电子CAN解决方案家族