时间:2017-01-03 15:53
人气:
作者:admin
摘要:RKE系统允许用户使用钥匙扣上的发射机来锁定汽车门或者开锁,此外,RKE还具有防盗作用。MELEXIS的无线收发芯片十分适合用在汽车遥控门禁中,其待机模式下仅消耗5nA电源电流。
RKE(Remote Keyless Entry)是遥控门禁系统/遥控车门开关的简称。RKE系统允许用户使用钥匙扣上的发射机来锁定汽车门或者开锁,该发射机传输数据到汽车内,用户按下钥匙扣上的按钮开关可触发系统工作。除了具有开启汽车制动装置的技术RKE还具有防盗作用。
RKE系统组成
由一个安装在汽车上的接收控制器和一个由用户携带的发射器,即无线遥控车门钥匙组成。

RKE系统的组成
RKE的工作原理
RKE系统允许用户使用钥匙扣上的发射机来锁定汽车门或者开锁,该发射机传输数据到汽车内,用户按下钥匙扣上的按钮开关可触发系统工作。这样将唤醒RKE钥匙扣内部的CPU,CPU则发送数据流到射频(RF)发射机。数据流通常是64到128位长,包括一个前置位、一个命令码和一个滚动码。数据流通常以2kHz到20kHz的速率发送。调制方式为幅度键控(ASK),主要目的是为延长钥匙扣的电池寿命。

RKE钥匙与基站的结构
尤适于RKE系统的收发器
世强代理的Melexis 低功耗425MHz至445MHz发送器MLX72013尤适于RKE系统,该器件采用8引脚SCIC-8封装。其1.9V 至5.5V的供电范围使器件可以采用单节锂离子电池供电,待机模式下仅消耗5nA电源电流。

世强RF发射器MLX72013的结构框图
在传输曼彻斯特编码数据时,世强MLX72103支持高达40kbps的数据传输速率,消耗2.9mA和5.5mA电源电流,同时可向50Ω负载提供-10dBm至+10dBm的输出功率。基于晶体的锁相环产生精确的载波频率,允许接收器使用较窄的IF带宽,从而提高传输距离。
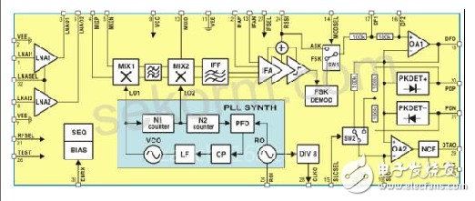
对于RKE的接收器,世强同时提供315MHz至915MHz的超外差ASK接收器MLX71121。MLX71121是一款基于二次变频超外差架构的高集成单通道/双频段RF接收机。可以配合MLX72103使用。
更多RKE方案信息或样片申请,可以登录世强元件电商APP获取。世强元件电商智能硬件创新服务平台为工程师提供全方位覆盖的技术支持与优质服务体验。

世强RF接收机MLX71121结构框图