时间:2016-12-07 10:47
人气:
作者:admin
概述:RSM232隔离RS-232收发器具备电源隔离、电气隔离、RS-232收发器,有提高系统稳定性,简化设计等诸多优点。完全符合EIA/TIA-232E和ITU-T V.28规格,采用5V电源供电,具有2500VDC的隔离电压,波特率可高达115200bps。
产品特性:具有DC 2500V隔离功能;满足EIA/TIA-232-F标准;满载最小数据速率120Kbps;热保护;电磁辐射(EMI)低;电磁敏感度(EMS)低;直接使用,无需外加任何组件。
产品应用领域:由于标准的波特率和良好的EMC特性,被广泛应用于汽车电子;仪器、仪表;石油华工;电力监控;等等。
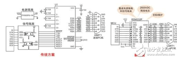
隔离RSM232的应用传统非隔离的RS232常会因回路的地弹、浪涌、静电、热插拔等导致损坏。RSM232系列隔离收发器采用特有的光电隔离技术,可以有效的保护RS-232串口设备,适用于环境恶劣的工控、电力、医疗等领域。

实物连接图
选择RSM232系列隔离收发器模块的好处
RSM232系列隔离收发器采用电源隔离和信号隔离,使通讯总线和控制板应完全隔离,这样不仅可以减少总线上的干扰,更能提高系统安全和可靠性。

RSM232系列隔离收发器保留了传统隔离电路的设计理念,包括电源隔离、信号隔离,更重要的是具有完善的测试系统以及先进的工艺保证产品的一致性,具有防水、防震、使用寿命长等众多优点。采用灌封工艺,能够对电路板以及电子元器件进行全面保护,使其免受潮湿、震动、过热、腐蚀以及辐射的影响,延长电子产品的寿命。
为客户带来的价值对比

小编点评:虽然看上去,隔离收发器好像要强一点,但是还是应该根据不同的应用场合,选用对应的隔离收发器模块实现不同的输出接口,这才是最明智的选择。