时间:2016-10-28 14:50
人气:
作者:admin
随着C型USB连接器成为消费者领域的新标准,USB正在进入汽车信息娱乐系统等更多解决方案。设计最高的可靠性时,车中处在不同位置的USB端口扩展带来了独特的挑战。因为具有如防电池短路、短路和静电放电(ESD)条件故障,汽车的USB应用呈现其他市场不存在的使用案例。由于电源流经主车辆电池,它们受到预期操作期间产生的高电压和电流峰值影响。此外,从处理器、USB集线器、充电控制器和负载开关连接到VBUS和数据线上的下游电路需要防止电池短路事件。
为了防止USB电池短路,当USB接口端的电压高于过压阈值时,过电压保护电路必须用来断开系统电源。过电压的场效应晶体管(FET)应具有快速响应时间以尽快断开系统电源,保护上游片上系统(SoC)免受有害电压和电流尖峰的影响。此外,USB 2.0规范要求使用过电流检测电路以自动限制过电流事件中的电流。内部开关可防止过量电池损坏上游设备,保持5V电轨稳定,并合理隔离故障。
在两部分系列的第1部分中;我解释了保护USB电路出现电池短路故障的最佳途径。在这篇博文中,我将延伸说明优化您的汽车USB防电池短路设计的最佳途径。
由于汽车制造商可能在整个项目过程中改变整体输出电流要求,具有可调电流限制的保护解决方案可为系统设计人员提供更多灵活性;允许他们轻松地调节USB端口的输出电流,而无需限定一个新设备。若您需要保护灵敏电子出现电池短路事件,并同时支持高达2.4A的电流,你可能需要一个灵活的防电池短路芯片。
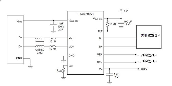
TPD3S716-Q1可为USB电池充电1.2(BC1.2)、C型USB 5V / 1.5 A和专用的高达2.4A的充电外设进行充电。汽车USB 2.0接口保护装置是用防电池短路、短路和ESD保护的单芯片解决方案,具有一个可调节的限流负载开关。过电流保护的电流阈值可通过IADJ引脚上的一个接地(GND)外部电阻RADJ进行调节,如图1所示。

图1:用于TPD3S716-Q1的典型应用配置
USB 一键拷贝(OTG)是普遍用于汽车环境中的另一个规范,因为它使USB设备可在主机和客户端的角色之间切换。此功能对于USB高速应用至关重要,其中,必须使得机头单元成为移动媒体体验延伸。为了实现这一目标,机头单元必须能够相应地在USB设备模式工作。
TPD3S716-Q1具有两个启动输入,可通/断设备的内部FET。VEN引脚可禁用并启用VBUS路径,而DEN引脚禁用并启用数据路径。VBUS和数据路径的独立控制允许您为USB主机和客户端/OTG模式配置此设备,如表1所示。

容易通路且封装足够小以匹配USB连接器的尺寸范围是USB高速保护解决方案的一个重要考虑因素,旨在便于布局并保持信号完整性。流通引脚映射使得信号路径通过封装直通,如图2所示。

图2:TPD3S716-Q1的典型布局示例
设计防止USB电池短路时,可以考虑使用具有可调电流限制、OTG /客户端模式和流通过路由的解决方案。这样做可让您使用当前未在其它防电池短路解决方案中出现的附加功能。