时间:2016-05-09 09:42
人气:
作者:admin
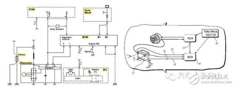
在和业界朋友聊的时候12V的配电系统大家很感兴趣,我这里聊一些简单的。简单来说,车里用12V发电机和电池来供电,示意图1如下:
PCM来控制发电机
BCM来获取电池的电压和电流
此处越来越多用IBS的电流模块来进行
BCM来对铅酸电池进行状态核算

图1 典型的12V系统配线图
我们这里需要考虑:
1)发电机的电是否超过用电的需求?
A:需要,这里有动态和静态,不同的驾驶曲线还有夏天和冬天的差异
2)发电机的电过多之后是否引起电池的过充?
A:过充其实对铅酸电池也不是好事,也会引起能量释放
3)电池过充之后引起的什么问题?
A:寿命下降、油耗上升,电池电压供电偏高

图2 12V系统的智能控制
实际上,我们一般会考虑静态的需求和动态的需求,去综合考虑:
传统整车的功率可以分开,从开的和不开两种大的状态。
PT部分
整车其他部分
我们一般吧新能源汽车单独分开,因为本身它比较特殊。
新能源也分系统的不同状态
新能源的充电其实比较特殊

图3 12V负载分配
负载表格可以参考以下的情况,我们要考虑
常态功率和最高功率
要考虑使用负荷
要考虑不同温度下的符合变化
表1 12V系统功率表
