时间:2016-03-01 13:58
人气:
作者:admin
导语:朱玉龙在文章中写道,从历史上来看,安全系统的ECU架构是从3MCU=》2MCU=》1多核MCU+外部monitor,双MCU,或者说是MCU+外部ASICMCU的架构。在软件上看有两点:一是主MCU和监控MCU采用Hearbeat监控MCU工作状态,二是采用Data Mirroring的方式进行运行状况监测。
ECU( electronic control unit )即电子控制单元,泛指汽车上所有电子控制系统,它是由输入电路、微机和输出电路等三部分组成。随着汽车电子自动化程度的越来越高,汽车零部件中也出现了越来越多的ECU参与其中,线路之间复杂程度也急剧增加。
ECU有输入处理电路、微处理器、输出处理电路、系统通信电路及电源电路组成,其结构如下图所示:

工作原理:输入电路接受传感器和其它装置输入的信号,对信号进行过滤处理和放大,然后转换成一定伏特的输入电平;从传感器送到ECU输入电路的信号既有模拟信号也有数字信号,输入电路中的模/数转换器可以将模拟信号转换为数字信号,然后传递给微机;微机将上述已经预处理过的信号进行运算处理,并将处理数据送至输出电路;输出电路将数字信息的功率放大,有些还要还原为模拟信号,使其驱动被控的调节伺服元件工作。
根据《Delphi Secured Microcontroller Architecture》一文,里面叙述了Delphi的双核MCU+外部monitor的架构。如下图所示:

从历史上来看,安全系统的ECU架构是从,3MCU=》2MCU=》1多核MCU+外部monitor。

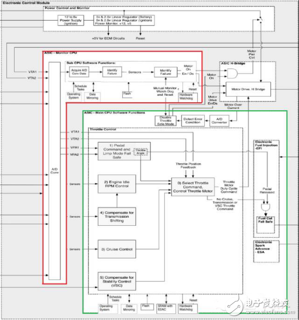
双MCU,或者说是MCU+外部ASICMCU的架构,硬件上如下所示:
1)主MCU和监控MCU都读取相应的传感器信号
2)监控MCU可以控制驱动桥
3)主MCU和监控MCU都具备单独的Hardware watchdog
