时间:2016-01-21 09:38
人气:
作者:admin
一、仪表介绍
每辆汽车上都装备有一定数量的汽车仪表。不同的车型,不同的生产年代,这些电子仪表的数目与类型有很大的变化。各种仪表、指示灯及报警器是驾驶员了解汽车状态的不可缺少的部件。汽车电子仪表随时反映出汽车各机件的运行状态和汽车上各种系统的有用信息,汽车电子仪表为驾驶员正确使用汽车及安全驾驶提供了保证。
传统的汽车仪表是机械或电气机械式,它们是通过指针和刻度实现模拟显示,这种仪表存在着信息量少、准确率低、体积较大、可靠性较差以及视觉特性不好等缺点,还使驾驶员易疲劳,不能满足人们对汽车舒适性和方便性等方面愈来愈高的追求。进入上世纪60年代后,人们开始研制汽车电子仪表,但当时的电子元器件达不到汽车使用所要求的水平,直到70年代后期,随着半导体技术和显示元器件技术的进步,汽车电子仪表终于问世。随着电子技术的进步,新型传感器、新型电子显示器件的出现,汽车电子仪表得以迅速发展。现代汽车使用微机驱动的电子仪表系统日益普及。微机驱动的仪表板采用微机处理来自传感器的信息,并指挥仪表显示器。
现代汽车的仪表板总成一般分成两部分,一部分是指方向盘前的仪表板和仪表罩及平台,另一部分是指驾驶员旁通道上的副仪表板。仪表板是安装指示器的主体,集中了全车的监察仪表,通过它们揭示出发动机的转速、油压、水温和燃油的储量,灯光和发电机的工作状态,车辆的现时速度和行驶里程等。有的仪表板还能显示变速档位、时钟、车内外环境温度、路面倾斜和地面高度等信息。现代轿车多数将空调,音响等设备的控制部件安装在副仪表板上,这样既显得整体布局紧凑合理,也能方便驾驶员的操作〔23〕。随着现代汽车工业和电子技术的发展,汽车中各种系统和机构日趋复杂,汽车行驶和各部分工作状况的信息量显著增加。同时,出于对汽车环保、安全性、经济性、智能化要求的提高,汽车驾驶员需要更多、更迅速地了解汽车运行的各种信息,使得汽车电子仪表向信息显示中心发展,它是驾驶员信息系统重要的组成部分。汽车电子仪表代替传统机械或电气机械式模拟仪表己成为发展的趋向。
利用电子显示技术,也就是薄型平面电子显示器技术做成的汽车平面仪表板显示数字及信息,十分清晰明了,它代替了以往采用的模拟显示的车速和发动机转速表等,使驾驶者在开车的同时,仍然可以清楚地看到仪表数字及其它信息的变动。它具有测试反应速度快、指示准确、图形设计灵活、数字清晰、可视性能好、集成化程度高、可靠性强、功耗低等优点。
由于没有运动部件,反应快,可靠性好,其布置灵活紧凑,并有最佳显示形式。一般除要求汽车仪表耐用、耐振、指示准确、读数方便,以及受温度、湿度的影响小之外,还要求轻巧、舒适、美观并具有较好的互换性。汽车电子仪表恰恰满足了这些要求。
目前,电子仪表板采用电子显示器件和高压驱动器集成电路等技术,有些则采用全数字集成电路,既提高了测试精度,又可将数字信息输入汽车微机内,实现了车速与里程等参数的数据分析和计算,使汽车具有更多的自控功能。转速表、电压表、燃油表、油压表和水温表则采用线性集成电路,方便配接各类电子传感器件。
汽车电子仪表将成为一个集感觉、识别、分析、信息库、适应和控制六大功能于一体的,提供车辆行驶信息、保障安全驾驶的智能化系统。
1、水温表
水温表用来显示发动机冷却水的工作温度。常用的有电热式和电磁式两种。其中电热式水温表与电热式机油压力表结构工作原理相似。电磁式水温表结构、原理如图3一4所示。
1)结构
由装在气缸盖水套中的热敏电阻传感器和装在仪表板上的水温显示表两部分组成。传感器由外壳、接线端子、负温度系数热敏电阻(有些车型采用正温度系数热敏电阻)组成,水温显示表由塑料支架、两个串联线圈L1、L2、带指针的衔铁等组成。

图1 电磁式水温表结构图
2)工作原理
当电源开关接通时,电流由蓄电池正→极点火开关→线圈L1→分两路(一路流经热敏电阻;另一路流经线圈L2)→搭铁→蓄电池负极构成回路。
当水温低时,传感器中热敏电阻的阻值大,电流经L1后,大部分流入L2中,产生的合成磁场使带指针的衔铁会向左偏转,使表针指向低温刻度;当水温高时,传感器中热敏电阻的阻值减小,L2中的电流相对减少,产生的合成磁场使带指针的衔铁会向右偏转,使表针指向高温刻度。
2、燃油表
燃油表用来显示燃油箱内燃油的多少。常用的有电热式、电磁式、电子式三种。其中电热式燃油表的结构与原理与电热式机油压力表基本相同,下面主要介绍电磁式和电子燃油表。
(一)、电磁式燃油表
1)结构由装在燃油箱内的浮筒传感器和装在仪表板上的燃油指示表组成。浮筒传感器由电阻、滑杆、浮子组成。燃油指示表由两个绕在铁心上的线圈、转子、指针、分流电阻等组成。
2)工作原理当油箱无油时,浮子下沉,滑线电阻上的滑片移至最右端,将右线圈短路,电流由蓄电池正极→点火开关→接线柱(上)→左线圈→接线柱(下)→浮子滑片→滑杆→搭铁→蓄电池负极。左线圈产生的磁场使转子带动指针左偏,使指针在“E”位上。
当油量增加时,浮于上升,滑线电阻部分接入,这一部分电阻与右线圈并联,同时又与左线圈串联,电流由蓄电池正极→点火开关→接线柱(上)→左线圈→接线柱(下)→两路(一路经滑线部分电阻;另一路经右线圈)→搭铁→蓄电池负极。左线圈由于串联了电阻使左线圈中的电流相对减小,磁场减弱,而右线圈中有电流通过,电流相对增大,合成磁场使转子带动指针右偏,指示出油箱中的油量。
当油箱中装满油时,浮子带着滑片移到电阻的最左端,电阻全部接入电路中。此时左线圈中电流更小,磁场更弱,而右线圈中电流增大,磁场加强,转子便带着指针向右移,使指针在“F”(满)位上。
(2)、电子燃油表
1)电子燃油表结构如图3一5所示
电路由两块IC电压比较器及相关电路、发光二极管显示器、浮筒传感器三大部分组成。Rx是传感器的可变电阻,电阻R巧和二极管VDS组成稳压电路,给ICI、ICZ两块电压比较器反向输入端提供基准电压信号。电容C和电阻R16组成延时电路,接到电压比较器的同向输入端,Rx产生的变化电压信号经延时后与基准电压信号进行比较放大。

图2 电子燃油表
2)工作原理
当油箱内燃油加满时,Rx阻值最小,A点电位最低,ICI、ICZ两块电压比较器输出为低电平,6只绿色发光二极管全部点亮,而红色发光二极管VDI熄灭,表示油箱已满。
当油箱内的燃油量逐渐减少时,Rx阻值逐渐增大,A点电位逐渐增高,绿色发光二极管VD7、VD6、VD5、…、VD2依次熄灭。燃油量越少,绿色发光二极管亮的个数越少。
当油箱内燃油用完时,称的阻值最大,A点电位最高,ICI、ICZ两块电压比较器输出为高电平,6只绿色发光二极管全部熄灭,而红色发光二极管VD1亮,表示油箱无油。
3、车速里程表
车速里程表用来显示汽车行驶速度和行驶里程。常用的磁感应式和动圈式车速里程表两种,它们都由车速表和里程表两部分组成,其原理都是利用永久磁铁磁场和新产生的磁场相互作用来带动指针偏转显示车速。下面以磁感应式为例介绍车速里程表的结构及原理。
结构车速表由永久磁铁、带轴及指针的铝碗、罩壳、刻度盘组成,里程表由三对蜗轮蜗杆、中间齿轮、里程计数器等组成。表的主动轴由变速器输出轴通过齿轮啮合及软轴驱动。
1)工作原理
汽车静止时,在游丝的作用下,铝碗指针位于刻度盘零位。汽车行驶时,主动轴带着永久磁铁旋转,磁力线磁化铝碗,使铝碗产生磁场,永久磁铁磁场与铝碗磁场相互作用产生力矩,克服游丝的弹力,指针被铝碗带着转动一个与主动轴转速大小成正比例的角度,即在刻度盘上显示出相应的车速。
主动轴与蜗轮蜗杆机构具有一定的传动比,汽车行驶时,软轴带动主动轴,并经三对蜗轮蜗杆减速后驱动里程表右边第一数字轮,并从右向左逐级传到其余的数字轮,累计出行驶里程。同时,里程表上的齿轮通过中间齿轮,驱动短里程数字轮,并向左逐级传到其余的数字轮,记录短程行驶里程。当需要清除短里程记录时,按一下短里程表复位杆,可使短里程计数器的指示回零。
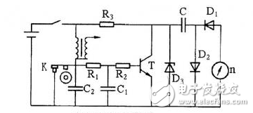
4、发动机转速表
发动机转速表用来显示发动机运转速度。常用的是电子式转速表。如图3所示。
1)结构
由R1、R2、C1组成的积分电路(作用是给开闭脉冲信号整形)、充放电电容C、放大管T、稳压管DZ(使电容C充电电压稳定,提高转速表的测量精度)及转速表n等组成。其转速信号取自于点火系统初级电路的脉冲信号。D3起保护作用,防止T集电极出现瞬间高电压被击穿。
2)工作原理
发动机工作使断电器触点K闭合时,三极管T 的基极搭铁无偏压处于截止状态,电源正极→R3→C→D2→搭铁→电源负极。给电容C充电;当触点断开时,三极管T的基极电位接近电源电压,T由截止转为导通,此时电容C上充满的电荷→T→转速表n→二极管D1→C构成放电回路,驱动转速表。触点重复开闭,电容C不断进行充放电,使转速表n显示通过电流的平均值。断电器触点的开闭频率与发动机的转速成正比,通过转速表n的放电电流平均值也与发动机的转速成正比。

图3 电子式转速表