时间:2015-11-18 10:49
人气:
作者:admin
系统的总体结构与工作原理
该系统采用GPS技术对移动目标进行实时定位,利用GSM数字移动通信网络进行实时数据传输。整个系统是由GPS卫星定位系统和地面移动通信系统两大部分组成,而地面移动通信系统是由指挥监控中心、车载移动单元和GSM通信网络三个部分组成。
车载移动单元主要组成部分的设计
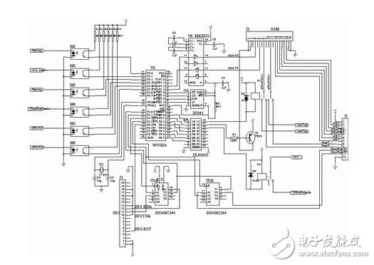
车载移动单元是由主控制器CPU、GPS接收机、GSM无线通信模块、功能控制单元(手柄)和液晶显示屏组成,其结构原理如图1所示。

图1 车载移动单元硬件结构原理图
车载移动单元通过GPS接收天线接收GPS卫星发射的定位信号,经过CPU主控器处理,计算出车辆的日期、时间、经纬度、速度和行驶方向等定位数据。主控制器CPU是核心,处理接收机发来的定位信息,将定位信息和监控中心发来的控制信息显示在液晶屏上,并控制GSM模块进行短信息的收发,手柄控制单元实现遥控监听、请求服务、中文短信息接收及通话等功能。由于GSM无线模块和GPS模块都以串口通信方式与MCU相连,因此硬件设计较简单,在本设计中MCU选择华邦公司的W77E58,是因为它带有两个串行口能同时与GSM模块、GPS模块进行通信,并且它的指令完全兼容MCS-51,片内有32k flash MTP ROM,可编程的看门狗定时器等,采用它可以省去很多外围元器件,提高了系统的稳定性。系统主控制器电路如图3所示。
GSM无线通信
GPS车辆定位监控管理系统的通信方式有两种:专用无线通信网和公众GSM网。GPS/GSM车辆定位监控管理系统利用GSM短信息业务实现数据的双向传输,短信息业务在移动台和移动业务交换中心之间建立的是信令连接,具有优先权,可通率极高,误码率极低。这是GSM公众网带来的专用网和集群网无法比拟的好处。短消息用于车辆监控最大的优点在于建立连接简单,接续快,服务费用低,这适合定时把定位信息发送到监控中心。

图2 系统主控制器电路

图3 WM01-G900/1800外围电路设计框图
在实际应用中,我们选用WM02-G900/1800。它的外围电路设计框图如图4所示,其相关的性能指标如表1所示。它与单片机之间采用标准的串行口进行通信,通信的最高波特率可以达到 115 200b/s。GSM模块与SIM卡之间主要通过SIMCLK和SIMDATA信号线进行数据通信。为了保证发送短消息与短消息到达之间的时间间隔尽量短,选用的SIM卡最好是同一个电信运营商提供的。在使用GPRS功能时,还需要选择支持GPRS的SIM卡,并开通GPRS服务。该模块还支持驱动两路麦克风、两路扬声器和一路蜂鸣器。其中一路麦克风和扬声器可以连到手柄的听筒上,以实现车载电话功能;另一路可以实现监听和免提功能,但这两路不能同时工作,如果在通话中需用免提方式,可以通过AT指令:AT+SPEAKER=0或1进行切换。
无线数据通信电路设计
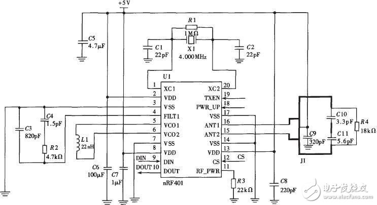
无线数据通信电路主要担负机动车辆与固定基站系统进行近距离的无线数据交换任务。由核心芯片 nRF401及其附属元件组成。nRF401是双信道、高性能、低功耗的专用无线通信芯片,工作频率为433.93/434.33MHz.工作电压为 3.3v,最高通信速率为20kbps,可以直接与单片机串口相接,进行异步通信,实现数据发送和接收。无需对数据进行编码。数据输入端DIN与单片机的 TxD端相接,数据输出 DOUT端与单片机的RXD端相接。在本电路中,通信速率设计为19.2 kbps.电路原理如图所示。

图4 无线数据通信单元电路
GSM通信模块电路设计
GSM通信模块采用SIEMENS的TC35I.TC35I是SIEMENS公司专为GSM通信设计的专用模块。具有语音、数据、传真和点对点短信功能,工作于EGSM 900和GSM 1800频段,重仅10g,在3.5~4.8V范围内均能正常T作。对AT Commands Interface Version 8.5所定义的主要指令都能很好地执行,另有扩展指令20多条。
TC35I接口由40芯电缆组成。其中1~5脚接电池的“+”端,6~10脚接电池的“-”端,11~12脚为直流电源输入端,可输入 8~20V/500mA的直流电。内部有自动充电控制电路。15脚IGT为模块开机控制,31脚EMERGOFF为关机控制,都是低电平有效,也可以通过命令实现开关机。17脚为振铃输出,18脚Rx为串行数据输出,19脚TX为串行数据输入,32脚为工作状态指示灯输出,24~29脚接SIM卡。与微处理器的接口电路如图4所示。通信速率为19.2kbps.

图5 TC35I与微处理器的接口电路
TC35I的全部指令可以从SIEMENS的网站上下载。车载用户移动交费系统由低成本的AT89C4051单片机组成,工作电源3.3V,基站由高速、高性能的77E58-40单片机完成无线数据通信与身份验证功能。CCD车型识别由另外的独立处理单元完成。
编辑点评:此文介绍了车载GSM无线通信系统的电路设计解析,无线数据通信电路设计由核心芯片 nRF401及其附属元件组成,nRF401是双信道、高性能、低功耗的专用无线通信芯片。
上一篇:什么样的车联网才是我们需要的