时间:2015-09-11 10:26
人气:
作者:admin
在交通事故中,因酒后驾车引起的交通事故占有相当一部分比例。要杜绝酒后驾车,我们就需要在车上安装一台酒后驾车自动保护装置。总共由四部分组成,分别如下:
检测电路:检测电路分为两部分,第一部分为酒精气体检测电路,它是利用酒精传感器对酒精具有高的灵敏度的特性来对空气中含酒精量进行检测,其结构图如图2所示。
酒精传感器是一种二氧化锡半导体型酒精气体传感器,它具有对酒精具有高的灵敏度和快速的响应得特性。但它缺点是由于有电加热丝寿命较短,我们可 以利用第二部分的车内人体红外检测电路来控制它的工作。所以第二部分功能为车内人体红外检测,当检测到有人体时,首先给酒精传感器通0.5-2S的大电流 使传感器快速加热,从而迅速进入正常工作状态(如正常加热传感器需要预热1-2分钟,才能正常工作),然后启动相应电路。
中央处理电路:采用单片机进行智能处理,控制语音提醒和保护等。软件处理流程图如图3所示。
语音电路:如果检测酒精含量接近交通安全标准,会友情提示小心驾驶。如果超过安全标准,动作电路动作,并警告驾驶员严禁驾驶。
动作电路:根据控制电路的处理结果直接切断发动机。
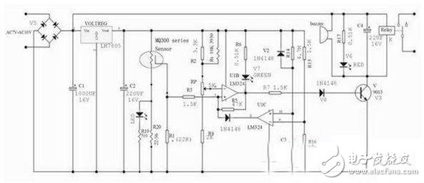
车酒后驾车自动保护系统图如图1所示。有了此汽车酒后驾车自动保护装置,有效控制了因酒后驾车引起的交通事故。此系统还可应用在其它需要严禁控制酒后操作的的场合。比如叉车、吊车。

图1 系统电路图
利用酒精传感器的含有酒精气体检测装置,当在车内检测到酒精浓度超过标准,电路中继电器动作,切断汽车发动机,使汽车不能开动。如图, 此电路控制简单,缺点只要车内酒精浓度超标则会动作,所以应用存在局限性,如出租车就不适合。

图2 酒后驾车自动保护系统图
汽车整车电路通常有电源电路、起动电路、点火电路、照明与灯光信号装置电路、仪表信息系统电路、辅助装置电路和电子控制系统电路组成,所以汽车电路保护是要学习的。

图3 汽车保护电路图
整车电路的组成
1、 电源电路
也称充电电路,是由蓄电池、发电机、调节器及充电指示装置等组成的电路,电能分配(配电)及电路保护器件也可归入这一电路。
2、 起动电路
是由起动机、起动继电器、起动开关及起动保护电路组成的电路。也可将低温条件下 起动预热的装置及其控制电路列入这一电路内。
3、点火电路
是汽油发动机汽车特有的电路。它由点火线圈、分电器、电子点火控制器、火花塞及点火开关组成。微机控制的电子点火控制系统一般列入发动机电子控制系统中。
4、照明与灯光信号装置电路
是由前照灯、雾灯、示廓灯、转向灯、制动灯、倒车灯、车内照明灯及有关控制继电器和开关组成的电路。
5、仪表信息系统电路
是由仪表及其传感器、各种报警指示灯及控制器组成的电路。
6、辅助装置电路
是由为提高车辆安全安性、舒适性等而设置的各种电器装置组成的电路。辅助电器装 置的种类随车型不同而有所差异,汽车档次越高,辅助电器装置越完善。一般包括风 窗刮水及清洗装置、风窗除霜(防雾)装置、空调装置、音响装置等。较高级车型上还装有车窗电动举升装置、电控门锁、电动座椅调节装置和电动遥控后视镜等。电子 控制安全气囊归入电子控制系统。