时间:2014-11-24 17:09
人气:
作者:admin
Intersil 可提供从输入过压保护 (OVP) 到多电池平衡的全系列 BMS。Intersil 充电器可满足手持设备、移动互联网设备 (MID)、笔记本电脑、电源工具和其他众多设备的充电需求。这可通过适用于紧凑型应用的全集成式解决方案和适用于更高功率应用的充电控制器得以实现。
工业级 BMS
Intersil 的锂离子电池组监测、保护和平衡 IC 的设计目的是:满足消费电子产品、家用电器、备用电池、电动摩托车/电动自行车等便携式和电池供电应用的严格的安全性、可靠性和性能要求。
解决方案概述

这些BMS集成电路集成内置的故障检测,所有主要的内部功能。它们可以检测外部故障,如明线和过/欠电压,以及温度和电池平衡故障,以减轻电池组故障。整体的ISL94212,ISL94203和ISL94208的高度集成的功能提供了许多好处和它们的使用可以显著降低总体电池管理成本。
1)ISL94212:多节锂离子电池管理
ISL94212是一个多节锂离子电池管理IC的监督高达12串联电池。该部分进行准确的监测,电池均衡和广泛的系统诊断。

ISL94212应用框图
2)ISL94208:4至6节锂离子电池管理模拟前端
ISL94208用作微控制器,并且在多单元锂电池组中作过流保护模拟前端。

ISL94208应用框图
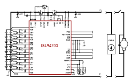
3)ISL94203:3至8节锂离子电池组监视器
ISL94203是支持3?8串联电池的锂离子电池监控器IC。它提供完整的电池监控和包装的控制。

ISL94203应用框图
4)ISL2802x:精密数字电源监视器
Intersil的ISL2802x数字电源监视器(DPM)系列,可在一个很宽的输入共模电压范围进行高精度测量(0V至60V),为设计人员提供安全边际高的水平,往往必需的是有线,无线和数据基础设施应用。
详细资料:Intersil工业级电池保护、监控与平衡解决方案
汽车级 BMS
Intersil的ISL78600汽车级锂离子电池管理解决方案专为满足下一代混合动力电动汽车(HEV),插电式混合电动车(PHEV)和电动汽车(EV)应用程序的严格的安全性,可靠性和性能要求。
在汽车级(AEC-Q100),ISL7860012芯电池组管理器可以用作ASIL额定BMS一个独立的部分或部署结合备份/冗余电池监测IC更高ASIL评级。该ISL78600集成了内置的故障检测,其所有主要的内部功能,并检测外部故障,如开线,过压和欠压,以及温度和电池平衡故障,以减轻电池组故障。总的来说,ISL78600的高度集成的功能提供了许多关键的好处,可以显著减少HEV/ PHEV/ EV的电池组及其相关系统的整体成本。
ISL78600:多节锂离子电池管理
ISL78600锂离子电池管理器集成电路监督多达12串联连接的电池。该器件提供准确的监测,电池均衡和广泛的系统诊断功能。三种电池平衡模式结合 - 手动均衡模式,定时平衡模式和自动平衡模式。自动均衡模式下终止时表示由主机微控制器规定的电荷转移的价值已经达到了平衡作用。

ISL78600应用框图