时间:2014-11-27 13:54
人气:
作者:admin
电源设计工程师通常采用灵活的电源监视、时序控制和调节电路来管理他们的系统。本文讨论电源管理的原理和方法。
多年来,为了使电子系统安全、经济、耐用和正常工作,对越来越多的电源电压进行监测和控制变得极为重要——特别是对于使用微处理器的系统。监测一组电源电压是否超过阈值或者仍然处于正常工作范围内,以及该电压是否相对于其它电压依照正确时序启动或关闭,对于系统工作的可靠性和安全性来说是至关重要的。对于这个问题,在每个不同角度上都有着许多解决的方法。例如,利用一个由精密电阻分压器、比较器和参考电压所组成的简单电路,能够用来检测一组电源电压是否高于或低于某一规定电压。在复位发生器中,例如ADM8032,这种元件与一个延迟元件相结合来控制器件——例如微处理器、专用集成电路(ASIC)和数字信号处理器(DSP)——在电源启动的同时就处于复位状态。这种等级的监测对于许多应用来说是足以胜任的。当需要监测多组电源电压时,通常将多个器件(或是多通道比较器及其相关电路)并联使用,但是增加了对监控IC的要求,不再是简单的阈值比较。
在许多应用中,电源的数目也显著增加。在一些复杂、昂贵的系统中,例如局域网(LAN)交换机和蜂窝电话基站,通常都会有内含10组或更多电源的线路卡;即使注重降低成本的消费类系统,例如等离子电视,也可能有多达15组的独立电源,其中许多电源需要监测和时序控制。现今许多高性能的IC都需要多组电源,例如,对于许多器件而言,提供独立的内核电源电压和I/O电源电压已成为一种标准作法。在高端产品方面,每颗 DSP可能需要高达四个独立供应的电源。在许多情况下,多颗多电源器件可能共同存在于同一系统中,其中包含FPGA、ASIC、DSP、微处理器和微控制器(以及模拟单元)。
许多器件都采用标准电源电压(例如 3.3 V),而另一些器件可能需要专用电源电压。除此之外,一个特定的标准电压还可能需要根据不同的供应对象而个别加以调整。例如,有时会需要像3.3 VANALOG和3.3 VDIGITAL这样独立供应的模拟电源和数字电源。为了提高效率(例如:供应给内存使用的电源电流可能达到数百安培)或者为了满足时序要求(个别的器件在不同时间需要3.3 VA以及3.3 VB),多次产生相同的电压有时可能是必要的。所有的这些因素都促使电源数目的增加。电源电压监测和时序控制有时会变得极为复杂,特别是当一个系统必须设计成能够支持电源上电和电源关断的时序控制、以及能够在工作期间内不同时间点上,针对各组电源所有可能的故障状况产生多种响应,而中心电源管理控制器正是解决这个难题的最佳方案。
随着电源电压数目的成加,故障发生的机率也随着增加。其风险与电源数目、器件数量和系统复杂程度成比例增加。外在因素也会增加风险,例如,假如在初始设计阶段,主要的ASIC的特性没有被完整的定义清楚,那么电源设计工程师必须用硬件方法完成电压阈值监测和时序控制,因为会随着ASIC的发展其电源电压指标会发生变化。假如其技术要求改变,那么其PCB必须根据——明确的进程予以修改,这通常涉及到成本问题。另外,对于某些特定器件来说,其电源电压的指标可能会在其开发期间有所变化。在这种情况之下,对于任一个中心电源系统管理器来说,一个易于调整电源电压的方法应该是非常有用的。事实上,在对于此类系统的电源进行监测、时序控制和调节所应具备的灵活性是非常必要的。
1.基本监测
图1示出一个利用ADCMP3543比较器和参考电压源IC监测多组电源电压的简单方法。其中,每组电源都使用一个独立的电路,电阻分压器将电源电压降低,并对每一组电源电压设定一个欠压跳变点。此外,所有的输出都结合起来,以产生一个公共的电源好信号。

图1.用于三电源系统基于比较器的欠压检测和共同电源准备好输出指示
2.基本时序控制
图2示出了如何用分立器件完成基本的时序控制,此处采用逻辑阈值而不是比较器。这里的12 V和5 V电源是在别处电路产生的。为了确保系统能够正确地工作,必须导入一段时间延迟。在此是利用一个电阻电容(RC)的组合,以便缓慢地将串联的5 V电源电压施加在 N沟道场效应晶体管(FET)的栅极上。此处所选用的RC值可确保在FET达到其阈值电压并且在开启之前有足够的延迟时间,其中3.3 V和1.8 V电源电压是由低压差(LDO)稳压器ADP33304和ADP33335产生的。这两个电压的启动时间也是利用RC时序控制的。由于RC能驱动每个LDO的关闭(SD)接脚,因此是不需要串联FET。这里设定的RC值是为了确保在SD接脚的电压爬升到其阈值以前有足够的延迟时间(t2, t3)。

图2.四组电源系统的基本分立式时序控制
这种简单、低成本的时序控制电源的方法,占用很少的PCB面积,所以许多应用都能够完全接受。这种方法适合于成本是主要考虑,对于时序要求很简单,而且时序电路的精确性不是十分重要的系统。
但在许多情况下,还会需要有比RC延迟电路更高的精确性。此外,这种简单的解决方案也不能容许以结构化的方法来处理故障情况(例如:一个5 V电源电压失效最后也会影响到其它电源电压)。
3.利用IC进行时序控制
图3示出如何使用ADM68206和ADM10867电源时序控制IC正确可靠地时序控制同一系统中的电源电压。内部比较器会检测电源电压何时超过精密设定值。经过可编程的启动延迟之后产生输出,从而使得ADP33098和ADP33359稳压器能按照需求的时序工作。使用电阻比值来设定阈值;利用一只电容器来设定延迟时间。

图3.使用监测IC实现的对对电源系统时序控制时序
市面上可提供多种多样的电源时序控制IC10。有一些器件具有能够直接启动电源模块的输出,并且可提供多种输出配置。有些IC包含内置电荷泵电压产生器。这点对于需要对上行产生时序控制,但却又欠缺高电压源(例如,12 V电源)的低电压系统特别有用,用以驱动N沟道FET栅极。许多这类器件也具有允许(enable)引脚,可以接受来自于按钮开关或是控制器的外部信号,以便在需要时能够重新启动时序控制或者关断所控制的电源。
4.集成的电源系统管理
有些系统具有许多电源,这类应用对于需要使用大量IC和利用电阻器和电容器来设定延迟时间和阈值幅度的分立式作法而言,会变得过于复杂、耗费成本,而且也无法提供适当的性能。

图4.一个用于八组供应系统的集中式排序以及监测解决方案
考虑一个具有八组电源,需要复杂电源启动的时序控制系统。必须监测每组电源,以免产生欠压或过压故障。当产生故障时,根据故障机制,要么关断所有电源电压,要么初始化关断电源时序。此外,必须根据控制信号的状态采取执行措施,并且必须根据电源的状态产生标志位。要利用分立器件和简单的IC来完成如此复杂的电路,可能需要动用数以百计的单独元件、占用很大的PCB面积以及便随的大量成本。
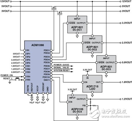
在具有四组或更多电源系统中,使用一个集中式的器件来管理电源会是比较合理的作法。这个方法的一个例子可从图4中看到。
5.集中式监测和时序控制
ADM106x Super Sequencer™11超级时序控制器系列仍然使用比较器,但是有一些重要的不同点。每个输入端都有两个专用的比较器,以完成欠压和过压检测,这样便可对ADP182112和ADP2105 DC/DC变换器和ADP1715 LDO所产生的电压提供区间监测。欠压故障是电源启动之前的正常状态,因此这个状态为时序控制提供指示。过压状态通常表示一种严重故障——例如FET或电感器短路,所以必须立即行动。
系统具有电源数量越多通常也会越复杂,因而受精度限制越严格。另外,在低电压状态下(例如1.0V和0.9V)利用电阻器来设定精确的阈值也成为问题。虽然在5V电源上可以接受10%的容许误差,但这个容许误差对于1V电源来说不能接受。ADM1066在最坏情况下允许输入检测器比较器的阈值设定在 1%范围内,而与电压值(低到0.6 V)无关,并且工作在该器件允许的整个温度范围,这可增加每个比较器的内部尖峰毛刺滤波和延迟。它的逻辑输入可以用来启动电源上电顺序、关闭所有的电源、或执行其它的功能。
这些来自一组比较器并且送往功能强大和灵活的状态机内核的信息,可用于以下几种用途:
时序控制:当最近被允许的电源输出电压进入到一个比较器区间内,可触发一个时间延迟以便按照启动电源的时序开启下一个电源。具有多重电源启动和电源关闭时序,或是具有差异甚大的电源启动和电源关闭时序的复杂时序控制都可以做到。
超时:假如一个已被允许的电源电压并未按照预期上来,可以执行一套适当的反应作业(例如产生一个中断信号或关闭系统)。相对之下,纯模拟的解决方案只会悬挂在时序中的那点上。
监测:假如任一电源上的电压超出了预设的区间,可以依据发生故障的电源、发生故障的类型和当前的工作模式,执行一套适当的反应作业。具有五组以上电源的系统通常都相当昂贵,因此全面的故障保护是极为重要的。
6.电源调整
除了能够监测多组电源电压以及提供复杂的时序控制解决方案之外,ADM1066这类集成电源管理器件,还可提供暂时性或是永久性调整个别电源电压的工具。 DC/DC变换器或稳压器的电压输出,可以通过调整该器件上的调整节点或者反馈节点上的电压来改变。一般来说,一个模块中介于输出与地线之间的电阻分压器,会在调整引脚和反馈引脚之间设定一个标称电压,从而设定出一标称输出电压。通过切换反馈回路中的额外电阻器或者控制可变电阻的简单机制,便可改变调整电压和反馈电压,进而调整输出电压。
ADM1066配备有数模转换器(DAC),可以直接控制调整节点和反馈节点。为了得到最大的效率,这些DAC不会在地线与最大电压之间工作,而是会以标称的调整电压或反馈电压为中心点,在一相当窄的区间中工作。衰减电阻器的阻值会经由DAC的每个LSB改变,来对电源模块输出的递增变化产生比例缩减的效果。这种开环调节方式提供了提升边限或者降低边限的标准,相当于那些利用参考电路中的数字电阻切换所获得的结果,并且可以将输出调整到类似的精度。ADM1066还包含一个用来测量电源电压的12 bit模数转换器(ADC), 以方便实现一个闭环电源电压调节方法。通过给定的DAC输出设定,电源模块的电压输出可由ADC予以数字化,并用软件方法与所设定的目标电压进行比较。这样,便可调整DAC来校正电压输出,使其尽可能接近目标电压。这个闭环调节方法提供了一个非常精确的方式来调整电源。使用了闭环方法,就与外部电阻的精确度完全无关。在图4中,DC-DC4的输出电压便是利用其中一个内置DAC来加以调整的。
这种电源调节方案有两个主要用途,第一是电源容限的概念,也就是当电源处于设备规定的电源电压范围的边界值时,测试系统做出的反应。要求数据通讯、电信、蜂窝电话基础设施、服务器、和储存区域网络设备等制造商在将他们的系统交给终端客户之前必须严格测试。系统中的所有电源电压都应该在一定的容许误差范围内工作(例如±5%、±10%)。电源容限特性允许所有的内置电源电压通过确保正确工作所做的测试,调整到容许误差范围的上限和下限。具有电源调整能力的集中式电源管理器件,便可以用来进行这种电源容限测试,同时只需要完成一次测试所需的额外器件和PCB面积最小——在制造商的测试地点完成容限测试期间。四角区域测试——也就是通常需要在工作电压和温度范围进行测试,因此ADM106213除了具有闭环电源电压容限检测电路之外,还集成了温度检测和回读功能。
电源调节方案的第二个用途是为了补偿工作现场的系统电源电压的波动。有许多的原因会造成电源电压波动。就短期间而言,当温度改变时,电压的轻微改变是十分常见的;就长期来说,某些器件的参数可能会随产品的长期使用而产生轻微的漂移,这可能也会导致电源电压的漂移。ADC以及DAC环路可以周期性地被启动(例如每10,30,或60秒),再结合了软件校正环路,便能够将电源电压保持在其应有的状态。
7.使用灵活性
ADM1066具有内置非易失存储器,所以当系统的时序与监测需要在开发过程中逐步发展时,允许按照需求进行多次重新编程。这意味着硬件设计可以在产品原型设计的初期完成,而且监测和时序的最优化可以随着项目的进展来进行。