时间:2014-09-04 12:58
人气:
作者:admin
2014年9月4日,致力于亚太地区市场的领先电子元器件分销商—大联大控股宣布,其旗下品佳推出安森美半导体(On Semi)公司专门针对分散式门控模块开发的功率驱动芯片NCV7707。NCV7707专用于控制前车门负载,包括后视镜位置、加热和折叠,除此之外,还有两组半桥用于控制锁电机以及4组高边输出驱动灯泡。
汽车车门电子系统已经被广泛的应用于现在的汽车中,大部分的汽车都已经采用电动车窗及中控门锁,部分中高端车型还拥有防夹保护和儿童安全锁,后视镜调节,折叠及除霜。一些灯光控制的应用也被加入车门电子系统,如转向灯,LED内饰灯等。
常用车门电子系统如下图所示,集中式设计---中央BCM模块直接控制各车门门锁、车窗电机、控制面板、后视镜、灯光等部件,从而需要应用大量线束,增加了成本同时也给维修带来极大的不便。

图示1- Centralized Door Electronics System
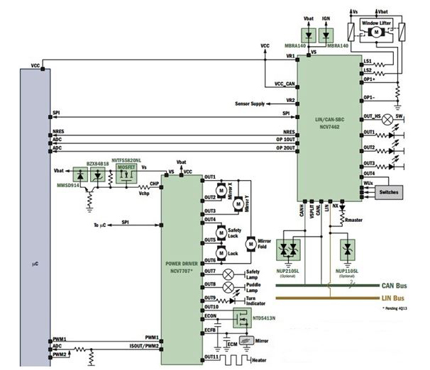
而分散式车门电子系统,如下图所示,各车门独立模块,通过CAN/LIN总线通信,各子模块采用车门模块驱动芯片NCV7707,系统基础芯片NCV7462,极大简化了设计。

图示2-De-Centralized Door Electronics System
【NCV7707主要特性】
• 工作电压范围5.5V-28V
• 6路高边开关6路低边开关
• 4路车灯高边驱动
• 1路高边驱动以作后视镜加温除霜
• 电致变色后视镜控制
• 每路输出独立PWM控制
• 每路可编程PWM发生器控制车灯
• 多路负载电流监测,模拟信号输出
• 24位SPI接口用作输出控制和诊断
• 短路、过载、过温保护

图示3- Solution for De-Centralized Front Door Electronics Systems
关于大联大控股:
大联大控股是亚太区市场份额领先的电子元器件分销商,总部位于台北(TSE:3702),旗下拥有世平集团、品佳集团、诠鼎集团及友尚集团,员工人数近6,000人,代理产品供货商超过250家,全球超过130个分销据点(亚太区约80个),2013年营业额达137亿美金。
大联大控股开创产业控股平台,持续优化前端营销与后勤支持团队,扮演产业供应链专业合作伙伴,提供创造需求(Demand Creation)、交钥匙解决方案(Turnkey Solution)、技术支持、仓储物流与IC电子商务等增值服务,满足原始设备制造商(OEM)、原始设计制造商(ODM)、电子制造服务商(EMS)及中小型企业等不同客户需求。国际化经营规模与本地化销售管道,长期深耕亚太市场,连年获得专业媒体评选为「亚洲最佳IC分销商」,稳踞全球第三大电子元器件分销商。
为提高大联大的本土化服务质量,满足大中国区服务区域客户的差异化需求,大联大(中国)服务六大领域包括中资(China Based Manufacturers)、台商(Taiwan-Based Manufacturers)、外商(Electronic Manufacturing Service)、日商(Japan-Based Manufacturers)、韩商(Korea-Based Manufacturers)及港商(HongKong-Based Manufacturers)客户。大联大除提供客户最佳的交钥匙解决方案(Turnkey Solution),并为满足客户小批量器件采购需求,特别成立专责的小批量服务团队(SQS, Small Quantity Service)。大联大已分别于内地及香港成立大联大商贸、大联大商贸(深圳)及大联大电子(香港),以「产业首选.通路标杆」为企业愿景,全面推行「团队、诚信、专业、效能」之核心价值观,以专业服务,实现供货商、客户与股东互利共赢。