时间:2014-06-09 10:10
人气:
作者:admin

设计注意事项
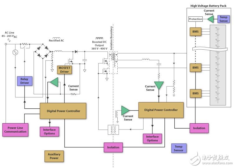
插入式混合电动车 (PHEV) 和电池电动车 (BEV) 是两项快速兴起的技术,可使用功能强大的电机作为动力来源。为了给这些电机供电,在车辆中安装了由数百节电池(总计 300-400V)组成的大型电池组。由于电池的电量有限,PHEV 和 BEV 必须定期再充电,而这通常通过连接到电网来进行。
这些车辆的充电系统包含从 AC 线生成 DC 电压的 AC/DC 整流器,以及生成电池组所需的 DC 电压的 DC/DC 转换器。另外,高级充电系统还可能使用 PLC 调制解调器与电网通信,以便根据电网条件调节充电。在操作和充电过程中还必须仔细监控电池组,以便最大程度地提高能源使用率并延长电池使用寿命。
高性能模拟部件还可提供重要系统的功能和特性,例如传感器反馈、隔离、芯片电源和通信收发器。
bq7xPLxxx 器件系列专为多节电池组而设计。它们可以处理电源工具和电迁移率等较高功率应用中的电压和电流。电池组中串联的电池越多,影响电池组的状况和能源供应的充电状态、阻抗和电容的差异也就越大。bq7xPLxxx 器件包括使电池回到平衡状态的电路。这样可延长电池组的使用寿命并有助于为应用提供尽可能多的能源。每个 bq7xPLxxx 器件均可防止电池过充、过放电、过温和高电压的情况,从而保证电池组和系统的安全。