全球最实用的IT互联网信息网站!
AI人工智能P2P分享&下载搜索网页发布信息网站地图
2015科技领域进展盘点 特斯拉无人驾驶领衔
阅读全文2015-12-01
通过高级驾驶员辅助系统为无人驾驶车辆开疆辟
东芝携车载电子产品闪耀高交会 半导体业务发展
阅读全文2015-11-30
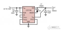
汽车降压型稳压器的电路设计分析—电路图天天
TI工程师再论车载平视显示
先进驾驶辅助系统方案设计与电路精华集锦
阅读全文2015-11-27
详解汽车倒车雷达的电路设计—电路图天天读(
语音交互系统为车载驾驶保驾护航
阅读全文2015-11-26
谁会是量产豪华车的最强大脑?
恩智浦、同济大学合作支持上海智能网联汽车示
阅读全文2015-11-24
智能座舱HMI自动化测试之语音交互专项测
新能源汽车中的电是如何转换的?
CHIPWAYS通过ISO 26262 ASIL D产品认证
车规级CXL SSD固态硬盘解决方案
CPU | 内存 | 硬盘 | 显卡 | 显示器 | 主板 | 电源 | 键鼠 | 网站地图
Copyright © 2025-2035 诺佳网 版权所有 备案号:赣ICP备2025066733号 本站资料均来源互联网收集整理,作品版权归作者所有,如果侵犯了您的版权,请跟我们联系。