时间:2023-12-02 09:22
人气:
作者:admin
这篇文章非常详细的讲解了宽带分相网络(或移相网络、多项网络)的设计,这个设计是现有分相网络的雏形,其基本理论和推导方法非常经典,以供学习参考。
本文发表时间是1950年,作者W. Saraga 是一位德国犹太物理学家,出生于柏林,父亲是罗马尼亚人,母亲是俄罗斯人。
The Design of Wide-Band Phase Splitting Networks*
宽带分相网络设计*
W. SARAGA , SENIOR MEMBER, IRE
摘要
近年来,已有许多文章和专利讨论了分相网络的性质和设计,特别是与单边带调制器配合使用的情况。然而,它们都限制在特定的设计方法或特定数量的设计参数上。本文给出了对分相网络的一般性研究结果,分别处理网络分析、网络综合和性能曲线逼近问题。对于最重要类型的曲线逼近,如泰勒和切比雪夫逼近,给出了任意数量的设计参数和任意所需逼近精度的显式公式。提供了经典全通滤波网络的替代方案,并且发展了损耗补偿相移网络。通过这种方式,提供了对复杂指标的分相网络的清晰和相对简单的设计指南。此外,我们相信其中一些提供的理论结果和开发的方法,例如,泰勒和切比雪夫逼近、损耗补偿的方法、网络综合的某种方法,以及将逼近曲线表示为两个变量的迭代函数(迭代指数为分数)是新颖且具有一般理论意义的。
I. 引言
过去十年间,经常讨论如何设计分相电路以在宽频带上产生恒定的相差。这些电路主要用于载波电话的单边带调制器、多相无线电系统、频移键控以及阴极射线示波器的宽带圆时基。
有趣的是,在早期提及信号频带分相的三个参考文献中,没有提供直接分相的宽带网络,而是使用了辅助的两相单频载波源,配合适当的调制器和解调器级联。 (Wirkler, Vilbig )。早在1925年,Hartley 描述了一个由两个具有不同截止频率和不同级数的滤波器组成的宽带分相网络。Honnell 和 Lenehan 描述了非常简单的宽带分相电路,但没有提供恒定幅度输出。由Byrne 、Loyet 、Hodgson 、Dome 、Norgaard 和 Luck 描述的宽带分相电路由两个具有恒定输出幅度的相移网络组成。
Byrne和Loyet提供了各种分相电路的理论和测量的指标性能,但没有提供任何设计信息。另一方面,Hodgson详细讨论了设计方法。他的主要建议是分别设计每个相移网络,以使其在相关频带上的相移与频率的对数成线性关系,即,其中和是常数。如果对于两个网络是相同的,但对于每个网络是不同的,比如和,那么两个相移和的差值是,即为所需的常数。Dome遵循相同的一般思路,但Hodgson的讨论主要是在格型和桥相移网络方面,而Dome描述了一些对经典格型网络的有趣替代方案。在Hodgson的专利中,两个相移网络的个体性能是分别标定的;Luck讨论了分相电路的设计和性能作为一个整体。这是一个重要的进步。但是,Luck只考虑了具有四个设计参数的网络。
本文的目的是研究具有任意数量的设计参数、任意期望带宽和任意接近期望理想性能的分相网络。 行文将按以下顺序进行:(1)网络分析,(2)性能曲线逼近,(3)网络综合。将发现获得具有一般有效性和适用性的结果相对容易。在许多方面,需要解决的问题类似于或与在滤波器设计的综合方法和理论开发中遇到的问题相同。然而,在由恒定阻抗电路组成的分相电路的情况下,解决这些问题比滤波器设计的情况更容易,因为不会出现不匹配所引起的复杂问题。此外,恰好在椭圆函数变换理论中,这对滤波器以及分相电路设计都适用,对于分相电路设计的变换比适用于滤波器设计的变换更简单。
II. 基本电路
图1所示显示了一个由两个相移网络组成的分相电路,它们在输入端并联。在我们研究的初期,假定相移网络是传统的全通恒阻单级点格型网络,其串联臂的电抗分别为 和 ,格臂的电抗分别为 和 。

图1. 基本的分相电路
译注:图1经过重绘,右边是对其中一个移相网络进行分析,经过验证,角度公式和图有出入,问题应该在输出的极性上,将电压极性反转就可以得到式(1)。
然后,网络分别产生的相移 和 由以下公式给出
因此,相移差 由以下公式给出
如果 ,。因此,在理想的 分相电路中, 应为1,或 。
与1的偏差大小的重要性只能通过参考分相电路的特定应用来讨论。考虑使用分相网络的单边带调制器是有意义的。如果假定所有幅度和相位关系都完全符合要求(见图2),

图2. 使用分相电路的单边带调制器
但不完全为1,可以显示所需的边带幅度 和抑制的边带幅度 由以下公式给出:
其中 是相位差 与 的偏差,即
其中 是 时 的值。
译注:这里可以推导出总输出公式:
代入式(4)得到:
式中求和第一项为上边带,也即所需边带(式(3a)中表示误差对所需边带的抑制,越小越好),第二项为下边带,即为所抑制的边带(式(3b)中表示误差对抑制边带的抑制,越大越好)。将式(4)代入式(2)可以得到式(5):
如果给定了 ,我们可以通过以下公式直接获得 :
将(3a)和(3b)与(5)结合起来,我们可以获得 和 作为 的函数。结果已在图3中绘制。

图3. 输出(所需和需抑制的边带)作为相位与 偏差和的函数
要注意,转换 使 和 保持不变,并将 转换为 。
式(2)与源电阻 和负载电阻 之间的格型滤波器的插入损耗 的计算中出现的表达式非常相似,其中串联臂电抗为 ,格臂电抗为 。我们发现
译注:式(6a)和(6b)推导如下,依据格型网络传递函数公式:
令且代入上式得到:
求其幅度值:
和式(6)结果一致。这个结果表现出两格型网络分相的相位变化和单个格型网络的幅频响应有类似性。这里作者非常巧妙的由相频曲线直接类比到了幅频。
注//en.wikipedia.org/wiki/Lattice_network
通过比较(6b)和(2),可以看出 和 分别从电抗 和 中以相同的方式形成。这种相似性对于分析和综合分相网络具有重要意义,并将在后续讨论中使用。
III. 网络分析
本节的目标是为网络设计和综合找到函数 的一般特性,作为必要的准备,该函数由式(2)定义,如果 是从物理可综合网络得到。由于
我们从 和 的特性讨论开始。从式(1)中可以得出,作为归一化频率 的函数, 和 必须满足 Foster 的电抗定理;例如,它们必须是 的奇有理函数;所有的极点和零点都是简单的,并且出现在实频率上;零点和极点是交替的;在 和 时,只允许0或这两个值。每个表达式的分母和分子的次数差1。
是一个限制较少的函数。像 和 一样,它是 的奇有理函数,在零和无穷频率时为零或无穷。但是它的零点和极点不需要交替或出现在实频率上,分母和分子的次数可以相差很大。
这直接来自于式(7),并且由于式(6b),对于 和 同样有效。现在只处理 ,因为要求 在从 到 的带宽上近似等于1,显然不允许在这个带宽内有 的任何极点或零点。另一方面,我们已经看到在 和 时, 将是0或,因此 将倾向于对于非常大和非常小的 值偏离1。因此,建议(参见,例如,Hodgson ),除了0和,实 值不应出现任何极点或零点,因为这样的极点或零点会增加 从1的偏离;0和 处的极点或零点应为1次。然后,分子和分母的次数必须相差1。我们将在下一节中看到,泰勒和切比雪夫逼近将满足符合此约束的表达式。
在接下来的内容中,我们将假设在 时,我们有 。然后 将呈现以下形式
其中 或 1 ,并且常数 和 以及 都是正实数。我们将用 表示在 中出现的 的最高次幂,并且我们将在后面看到,逼近阶数也可以用 表示。式(8a)也可以写成以下形式
其中所有的 和 都是实数。当 作为 的函数关于 (即 )是对称时,出现了一个重要的情况,如果 是奇数,变换 导致 ;但是如果 是偶数,它将保持 不变。下面列出了当 是对称且 值从 1 到 6 时的 的表达式:
以上公式为分析网络提供了基本的框架,并为接下来的网络设计和综合奠定了基础。通过这些公式,我们可以更好地理解分相网络的基本特性和参数,为进一步的研究和分析提供了重要的参考。
译注:上面的式8(c)实际上是对拟合的波形做了一个约束:
是一个有理多项式的比(可实现性)
当时,(可实现性)
当时,(滤波器的通带部分,保证相位90°的条件)
当为奇数时,当时,函数(关于(1,1)中心对称)
当为偶数时,当时,函数(关于轴对称)
通过以上约束条件可以求出式(8c),这里以举例说明:
由式(8a)可知
令得到:
上面两式相等得到:
这样得到式(8c)的表达式。
IV. 所需性能曲线的逼近
在本节中,我们将讨论寻找使得 , 或 在范围 到 内成为逼近1的最佳近似的常数值的方法。如果需要的其他值,比如,那么在接下来的讨论中,必须替换为。我们将从泰勒(Taylor)和切比雪夫(Tchebycheff)近似开始,因为在这里可以超越逼近方法的推荐,给出明确的公式,这些公式可以根据 (即 的范围)给出常数。
在本节中,我们将讨论在表达式,或中寻找这些待定常数值的方法,使得在从到的范围内成为对1的良好近似。如果需要的其他值,比如,则在接下来的讨论中,必须替换为。在讨论泰勒和切比雪夫近似时,我们不仅可以推荐这些方法,更能进一步得出具体的公式来明确表达常数,这些公式用表示常数,如用的范围表示常数。
1. 泰勒逼近
第阶的泰勒逼近的特点是存在个设计参数,它们被选择成这样的值,以便对于指定的值,比如说,本身和前个微分系数,对于,对于所需曲线和逼近曲线是相同的。因此,越高,逼近曲线越接近所需曲线。
如果我们假设,那么第阶的泰勒逼近由下式给出:
通过将式(9a)写成下面的形式:
译注:这里突然冒出来的(9a)公式实在是没有理解,查阅相关资料得到:
可以看到这个和切比雪夫多项式非常类似,有人对其进行了推导:
这个公式在处对y=1进行了非常好的逼近,如下图(4a)给出了的函数图像。
我们看到在中出现的的最高次数是,并且是关于对数频率刻度对称的奇有理函数。
将其写成如下形式:
我们可以很容易地证明(令 和 ),在处的前个微分系数为零,这符合对的泰勒逼近的要求。下面列出的的表达式:
这些曲线在图4(a)中用对数-对数坐标绘制,

图 4(a) 泰勒逼近
对于范围从到,即对于。例如,这对应于频率范围从到。
从(9b)中可以看出,如果被替换,对于偶数值保持不变,并且对于奇数值被替换。与的偏差随着的增加而增加。如果范围的限制表示为和,并且范围的限制表示为和,则作为的函数由下式给出:
就函数关系而言,这与(9a)相似。如果我们以下面的形式写出(9e):
我们可以看到,如果我们为和使用由函数定义的刻度,那么作为的函数可以表示为通过坐标系原点的直线,对于任何值,斜率为。这已在图4(b)中示出来。

图 4(b) 泰勒逼近与所需性能的偏差
考虑到(9f)和(9a)之间的功能相似性,图4(b)也表示作为的函数,换句话说,图4(b)可以看作显示与图4(a)相同的曲线。可以看到,如果是给定的,那么随着的增加而减小,即的范围变得更小。
为了综合具有由式(9a)所描述性能的网络,我们必须找到(如将在第V节中解释的)时的值。它们由下式给出:
2. 切比雪夫逼近
切比雪夫逼近的特点是出现的最大偏差是最小的。椭圆函数的变换理论非常方便地描述了关于的对数-轴对称的关于的奇有理函数,在范围到内,以切比雪夫的方式逼近,值在范围和内。如上所述,的这些限制等效于相位差的偏差从所需值的最大和最小偏差和,以及。使用Cayley的符号,可以很容易地证明阶的切比雪夫逼近由下式给出:
在由(10a)和(10b)定义的有理函数中出现的的最高次数是。Cayley用后缀'1'表示和,以表示从模数到较大的模数的"第二变换"。然而,在接下来的讨论中,很多情况下使用后缀来表示变换的顺序是方便的。因此,为了避免混淆,将不使用Cayley的后缀'1'。为了本讨论的目的,有时也方便地表示为。在式(10a)和(10b)中,是由(10b)定义的辅助变量,而是由(10a)通过定义的。已在上面定义过。可以从得出和如下:是的函数,比如说是椭圆函数理论中已知的(例如由Hayashi1编制的表格表示的函数,即。可以通过下面的关系从获得:
接下来,如果给定,随着的增加,会减小,即的范围变得更小。此外,可以在Hayashi的表中找到作为的函数,以及作为的函数。然后由下式给出:
译注:这里使用的雅克比椭圆函数与一般的椭圆函数滤波器所使用的方法不同,这里利用了椭圆函数的双周期特性,让椭圆函数往虚轴方向平行摆放对齐,再使用虚轴一侧实现等纹波特性。可以将公式写为更为紧凑的形式:
下图式时平面零极点分布图:

表 Ia切比雪夫逼近法;和作为的函数。
下表和图显示了作为以的函数的情况:

比(10b)更好的一个形式:
给出作为的函数的最佳表达式,如果
因此,可以为任何和得到,并且,当被指定时,可以选择以使(表示从0的最大偏差)尽可能小。作为和的函数在图5(b)中表示。由于(10c)的形式与(9f)相同,因此如果对和使用线性刻度,再次可以将曲线绘制为斜率为的直线。应该注意,在切比雪夫逼近的情况下,关联到的曲线(图5b)并不同时关联到。可以看出,对于任何给定的和值,从图5(b)获得的值,即对于切比雪夫逼近法,比从图4(b)获得的值,即对于泰勒逼近法,更接近1。

图 5(a) 切比雪夫逼近法。

图 5(b) 切比雪夫逼近法与所需性能的偏差。
作为的函数可以通过椭圆函数的表格直接从(10a)和(10b)中评估,例如,Milne-Thomson的表格和Hayashi的表格。为此,式(10a)和(10b)可以按照表I(a)中显示的方式进行修改。图5(a)示意性地显示了的切比雪夫逼近,其中的范围从到,其中。对于这些图表,没有使用表中给出的公式。仅评估了出现最大值或最小值的值以及的值,并且已经画出了通过这些点的曲线。然而,对于(见第VI节),大量点的数值检查显示了与绘制的曲线非常好的一致性。曲线呈振荡行为,所有的最大值和最小值分别发生在值和处,的值取决于所考虑的值和值。对于偶数值,有个最大值,个最小值,两个与线的交点和个与线的交点。对于奇数值,有个最小值和个最大值,一个与线的交点,一个与线的交点和个与线的交点。
为了能够绘制的这些特征点,我们必须知道和时的值。另一方面,为了能够以式(8c)的形式将写为的有理函数,我们必须知道和时的值,以及在偶数值的情况下的值(见下文)。最后,为了综合一个根据的性能曲线的网络,我们必须找到时的值。所有这些的值可以通过首先反转(10a)来找到作为的函数,然后将的这个表达式代入(10b)中得到。然而,为了简化切比雪夫逼近法的工程应用,列出了变为, 和 时的值,分别在表I,II和III中。列表中的表达式形式规则,如果需要,很容易通过类推将表格扩展到任何值。上文提到的值由下式给出:
表 Ib切比雪夫逼近; 作为 的函数。
令 ,则
此表在表II和III中有更详细的说明。
在处理切比雪夫逼近时,通常很方便使用对这些逼近有效的“指数定律”。令 表示在范围 到 上对 的第阶逼近,并且让 表示 的变化范围,即, 在 和 之间变化。此外,让 表示在 范围 到 上对 的第阶逼近,并且让 表示 的变化范围,即, 在 和 之间变化。那么,当从变化到时,将视为的函数与范围到上对的第阶逼近是相同的,如果。这可以通过以下公式表示:
凭借指数定律,如果我们已经探讨了的情况,我们可以将所有获得的结果应用于 和 。如果我们已经探讨了和,我们可以结合结果以获得 和 的情况。指数定律的一般化解释将在附录中给出。
表 II
切比雪夫逼近;对于的。
表 III
切比雪夫逼近;对于的。
3. 切比雪夫逼近的替代理论
到目前为止,我们已经使用椭圆函数讨论了切比雪夫逼近的理论。这导致了最简洁和最通用类型的表达式。同时,必须认识到许多工程师不熟悉椭圆函数,并且有时很难获得良好的椭圆函数表。因此,重要的是要注意,有可能纯粹代数地制定逼近法,而无需使用椭圆函数。在实践中,结合两种方法,适用于正在考虑的特定案例,有时是最佳选择。对于,代数理论实际上非常简单。从开始,可推出以下关系:
对于和;
对于。
条件得到和。对于的这个值,是范围的第二阶切比雪夫逼近。可以通过应用指数定律来讨论和的情况。结果列在表IV中。
表 IV
对于 的切比雪夫逼近; 代数关系
对于 ,推导 的表达式没那么简单。我们从形式为 的表达式开始,为了使其关于 对称,简化为 。接着我们需要确定 的值,以便在给定的范围 内, 以切比雪夫方式呈现。要求当 时, 等于 ;此外,在未知的 值,比如说 处, 的值也应为 的最小值。因此
必须等于 。比较系数,我们得到三个方程:
如果我们引入 (由Cayley提出的术语)
我们发现
和
式(13a) 和 (13b) 以 的形式确定了 和 ( 也可以通过椭圆函数的表格或像图 5(b) 中的图表来确定)。接着我们可以找到 。因此我们知道 是 的函数以及以下的细节:
如果我们在讨论 的情况时,将独立变量 替换为二阶逼近 ,并将 替换为 ,我们将得到六阶逼近,并通过重复这个过程,我们可以得到十二阶逼近。如果在讨论 的情况时,我们将 替换为 ,并将 替换为 ,我们将得到九阶逼近。然而,对于质数 等,代数理论变得逐渐困难(参见 Cayley)。
译注:前述的代数计算方法类似暴力计算,基本思想是函数曲线关于1对称且等纹波起伏,然后利用对称性计算其他相关阶数的表达式。
4. 通过其他方法逼近
在大多数情况下,关于分相网络性能的要求可能可以通过前一节讨论的切比雪夫或泰勒逼近来满足。然而,有时可能会一些额外的设计约束,对于这些约束,这些类型的逼近并非最佳可能的解决方案。然后需要一些其他类型的逼近。
如果要求在的个特定值处具有精确的相位差,则可以通过解 个线性方程组来获得满足这些要求的函数 的参数。Zobel 已经详细讨论了这种方法,参考了衰减均衡器和相移网络的设计。应用于分相网络的设计不会有任何新的问题。
Zobel 建议不仅在指定了多个点的性能的情况下使用这种方法,而且在需要对整个 值范围进行良好逼近的情况下也使用这种方法。然而,在这种情况下,Zobel 的方法通常会导致失望的结果(参见例如 Saraga 和 Baum 的评论),而且更倾向于使用图像进行曲线拟合的方法。
对图形曲线拟合方法的研究显示,它们可以方便地分类为曲线求和或曲线移位和成形方法(curve shifting and shaping methods)(参见 Saraga )。通常需要转换指定所需性能曲线及其容差带的坐标系,以便可能应用这些图形方法。在求和方法中,通过在不同位置添加多条标准曲线获得符合容差带的曲线。从这些位置可以获得逼近曲线的参数(例如,参见 Laurent, Rumpelt, Saraga, Scowen, Baum )。在移位和成形方法中,只能用于有限数量(不超过 4 到 5)的参数,通过比例变化和剪切移动和成形一个单一的标准曲线,直到它符合所需的容差带(参见 Pyrah, Truscott, Saraga )。我们不在这里讨论这些方法应用于分相网络的特定问题。
V. 网络综合
在这一节,我们假设已经以某种方式确定了合适的性能函数。下一步是确定两个相移网络,这些网络将产生这个函数。要解决的问题是当
已知时,找到和。由于在对称滤波器的设计中也出现了这个问题(见公式(6b))
给出和,并且必须找到物理上可实现的电抗,我们可以将其解应用于我们的问题。Darlington 给出了确定电抗的以下指导(在此根据本文中使用的符号进行了修改):将写成的形式,其中和是的多项式。然后将表示为的形式,其中是的偶次多项式,使得的根(即)具有负实部。那么和。

图 6. 基本分相电路,分解成基本相移段。
Darlington 的方法,虽然没有明确的证明,但可以以包括证明的方式进行修改。为此,我们考虑在 的 值;在这些值,比如说 ,相位差 接近 ,这必须是由于 趋向于 或 趋向于 。现在假设两个基本相移网络具有串联电抗 和 (参见图 1),由串联的“基本”相移段组成,每个段的特征是其相移 和其归一化的串联臂电抗 或其归一化的串联臂电感 (参见图 6)。 然后在每个 处,这些基本相位角之一 必须趋向于 ,并且 ,如果 是 的组成部分,或趋向于 并且 ,如果 是 的组成部分。由于 ,我们发现 。我们选择使 ,归一化的电感,为正的符号。如果为了获得正的 ,我们必须采取正符号,则相应的 是 的组成部分,而在另一种情况下,我们得到了 的组成部分。通过这种方式,我们不仅找到了 和 ,而且同时也找到了组成两个基本相移网络的基本段。可以证明,根据正切函数的加法定理,从基本相移段的电感中形成 和 的表达式会导出由 Darlington 给出的表达式。
将看到, 个基本段导致 中 的最高次数为 ,反之亦然。因此,网络元件的数量随着 的最高次数的增加而增加。
译注:上面给出了综合的基本方法,其基本方法是找传递函数的"特征值"上,即极点,这些极点刚好是的解,而一个对称格型网络电路中又有,在椭圆函数中也可以很方便的求出极点,所以,通过极点将相位和器件值所关联,从而可以综合出所需电路。
VI. 两个实用设计示例
选择实际示例以供本文讨论时,最好选择非常简单的示例,因为这样可以最清楚地展示获得网络的方法。首先,我们将讨论一个需要泰勒近似的案例,我们选择一个简单的案例,即 。然后,最佳逼近由
给出(参见式(9d))。由于 是奇数,两个相移网络的段数必须相差1。假设带有 的网络由两个段组成,分别具有串联臂电感 和 。那么具有 的网络有一个单独的段,例如带有串联臂电感 。因此我们得到
和
在这种简单情况下,我们可以通过比较(14)和(15)中的系数来获得 。那么 ;
代入计算,我们得到了一个关于 的三次方程,其中一个正根是:。然后 ,并且 和 可以互换。在更复杂的情况下,我们将解方程 ,并通过方程 或代数方法得到三个根 和 。根据根的符号,第一个必须对应于 ,其他两个必须对应于 。因此,我们像前述一样得到 和 。
译注:上述综合原理图如下:

仿真得到和的输出相频以及相频差图如下:

作为第二个示例,我们将讨论一个需要 Tchebycheff 逼近的示例。我们将取 ,以便我们可以使用代数方法以及椭圆函数的变换来获得网络元件。指定的 范围假定为从 到 ,其中 。这对应于频率范围从 到 。然后通过 Hayashi 的表格,找到 为 0.5959。 曲线显示在图 5(a)中。表 II 给出了 时四个 值的表达式。然后使用 Milne-Thomson 的表格,我们找到 , 。然后对于一个相移网络 和对于另一个网络 。从 的这些值中,我们发现
和 和 可以互换。
应用代数理论,我们从表 IV 中得到
和
与之前相同。
译注:这里通过值查表的过程可以很方便的使用matlab函数实现(实际上就是找到满足两个椭圆函数在平面对齐的条件):
n = 4; k = 0.003; lambda = ellipdeg(n, k); >> lambda = 0.5959
求解的值使用matlab也非常方便:
[K,Kp] = ellipk(k);
a_bar = zeros(1, n);
for ii=1:n
a_bar(ii) = sqrt(k)*sne(1i*(1+4*(ii-1))/(2*n)*Kp/K, k);
fprintf('a_bar(%d) = %0.5f j
', ii, imag(a_bar(ii)));
end
>>
a_bar(1) = 0.05618 j
a_bar(2) = 2.46908 j
a_bar(3) = -17.79989 j
a_bar(4) = -0.40501 j
综合得到的电路如下:

仿真波形如下:

VII. 相移网络的替代
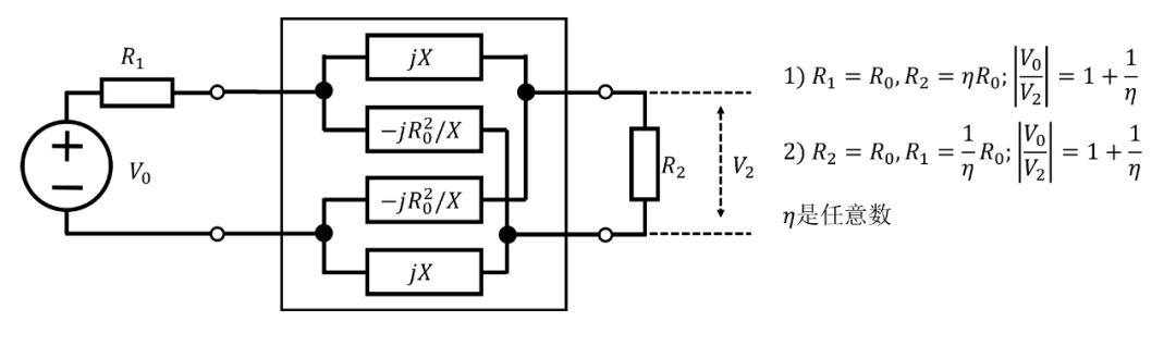
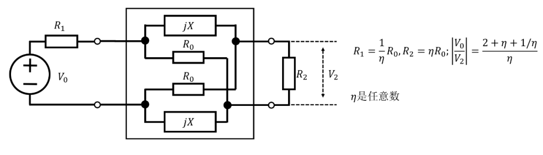
前面的讨论基于传统的恒定阻抗相移网络,其串联臂电抗为 和格臂电抗为 ,插入在等值电阻 之间。然后相移为 。可以在不改变相移的情况下改变其中一个电阻;然后会产生固定的平坦插损。这在图7中示出。

图 7. 经典相移格型网络
Marrison 已经证明,可以用电阻替换两个格臂电抗,而不改变相移(见图8)。

图 8. 图 7 网络的替代方案
然后,如果源阻抗和负载电阻都等于,则产生平坦的插损。可以使源电阻为,负载电阻为。然后产生了取决于的附加平坦插损,但相移仍然不变。Saraga 已经证明,可以用电阻替换剩下的两个电抗臂中的一个(见图9),而不改变相移。

图 9. 图 7 网络的替代方案
然后,如果,固定插损是而不是。两种其他类型的相移网络,一种是Nyquist型,由Sandeman 描述(见图10),

图 10. 图 7 网络的替代方案
另一种由Wald 描述(见图11)可以被证明是图9中网络的特殊情况,但是具有比实际产生相移所需的更多电抗元件。

图 11. 图 7 网络的替代方案
图9中的电路可以用混合电路替换(见Sandeman)。Dome 和Luck 描述了许多所谓的半格网络,这些网络由差分源驱动。
VIII. 损耗补偿移相网络
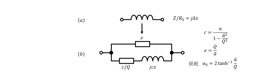
在移相网络的元件中,损耗效应会扭曲相位特性并产生随频率变化的衰减。如果不同元件的 值不同,阻抗也会受到影响。Starr 描述了近似补偿这些损耗效应的方法。Darlington 和 Bode 描述了完美补偿损耗效应的方法。网络的设计是为了满足预失真的指标,这些指标是通过假设负损耗的发生从原始指标中得到的;然后正损耗产生了所需的性能。这里将描述获得损耗补偿相移网络的不同方法。
由于任何相移网络都可以作为单、双参数相移网络的串联组合来构建,因此只需考虑这种网络的损耗补偿就足够了,该方法的基本思想是仅考虑包含与每个电感串联的电阻和与每个电容并联的电阻的网络,以便这些电阻可以承担电抗元件的损耗电阻,并设计这些网络,使它们具有所需的相位特性 和平坦损耗 。对于图 12 中的格型网络,传递常数 由 给出。

图 12. 格型网络,与图 13 和图 14 一起显示以供参考。

图 13. 单参数相移网络的损耗补偿。
对于无损耗的单参数相移网络 (见图 13(a)),并且 。我们的目标是找到一个阻抗 ,其电阻如上所述,使得 ,其中 , 是网络的基本损耗。可以很容易地证明图 13(b) 中的网络代表了这种形式的阻抗 。如果 不是太小,它的元件值将是正的。
现在我们考虑双参数相移网络(无损耗),其中 如图 14(a) 所示。然后

图 14. 双参数相移网络的损耗补偿。
我们需要找到一个阻抗 ,其电阻如上所述,使得
可以证明,如果满足图 14(b) 和 14(c) 中所述的关系,这两个网络具有这种阻抗。在图 14(c) 中,当然可以将电阻 吸收到 中。可以看到,如果 ,则图 14(b) 中的电阻 为负,如果 ,则图 14(c) 中的电阻 为负。在图 14(c) 中, 也可能是物理可实现网络。
如果 ,则可以用图 13(a) 中串联阻抗定义的两个更简单的网络替换图 14(a) 中串联臂电抗定义的相移网络。如第 V 节脚注 28 所述,只有 的情况似乎会出现在分相问题中,但这里也处理了另一种情况,因为图 13 和 14 所描述的三种转换一起使得可以将任何给定的相移网络转换为损耗补偿网络。
注:自撰写此手稿以来,作者已经看到了 Dagnall 和 Rounds 以及 Farkas, Hallenbeck 和 Stehlick 的论文,其中讨论了相移网络的损耗补偿的各种其他方法。
附录
曲线逼近
为 Taylor 和 Tchebycheff 逼近给定 范围和给定阶数 ,式(9e)和(10c)都可以表述为 与 1 的偏差,可以写成以下形式:
对于(9e)的情况是:
以及对于(10c)的情况是:
这意味着在两种情况下, 作为 的函数可以写成如下形式:
其中 表示函数 的第 次迭代。这里的“第 次迭代”不仅指整数值,还包括 的分数值,因为 只有在 是 2 的整数幂时才是整数。Haldane, Silberstein, Hadamard. 已经对非整数迭代函数的概念进行了一些讨论。
不能以同样的方式解释逼近函数 作为 的迭代函数,因为 不仅是 的函数,还是 和 的函数。但是,如果我们将迭代的概念推广以适用于两个变量的函数(见 Boole ),则 可以视为 的第 次迭代,其中 。现将说明这一点。
由于 将两个独立变量变为一个依赖变量,只有当我们引入第二个依赖变量时,才可能进行迭代,比如说,一个任意函数 。然后我们将定义 和 为函数 和 。此外,我们可以为整数和非整数值的 定义迭代函数 和 ,作为满足以下关系的三个变量 和 的函数。
如果我们选择 作为任意函数 ——恰好与 无关——我们会看到,如果 如之前一样,那么指数法则(式(12))可以按照式(16)的形式表示。换句话说: 和 可以解释为 和 的第 次迭代,当它们被视为 和 的一对函数。
有趣的是要注意,如果考虑的是多项式逼近而不是有理函数逼近,也可以进行这样的解释。如果 要通过多项式 在范围 到 中逼近,那么第 阶 Tchebycheff 逼近为
且第 阶偏差 。很容易证明 和 。这些以及与非整数功能迭代相关的其他问题都在作者正在准备发表的数学论文中进行了处理。
致谢
感谢 J. G. Flint,Telephone Manufacturing Co. 的首席工程师,允许发布此论文。作者还想感谢 Miss L. Fosgate 制作了图纸,以及 Miss L. Fosgate 和 Miss J. Freeman 执行和检查了大量的计算。非常感谢 Milne-Thomson 和 Hayashi 由 Scientific Computing Service Ltd., London 提供的椭圆函数表。
参考文献及脚注
Decimal classification: R246.2 R143. Original manuscript received by the Institute, August 1, 1949.
Research Laboratories, Telephone Manufacturing Co. Ltd., London, England.
British Patent No. 301,362, dated August 27, 1927.
Walter H. Wirkler, U.S. Patent No. 2,173,145, dated Nobember 26, 1937.
F. Vilbig, "Experimentelle Untersuchung der Verschiebung eines theoretisch beliebig grossen Frequenzbandes um einen bestimmten Phasenwinkel," Telegraphen-Fernsprech-und Funktech., vol. 27, pp. 560-561; December, 1938.
Ralph V. L. Hartley, U.S. Patent No. 1,666,206, dated January 15,1925.
M. A. Honnell, "Single-sideband generator," Electronics, vol. 18, pp. 166-168; November, 1945.
B. E. Lenehan, "A new single sideband carrier system," Elec. Eng., vol. 66, pp. 549-552; June, 1947.
John F. Byrne, "Polyphase broadcasting," Trans. Elec. Eng., vol. 58, pp. 347-350; July, 1939.
Paul Loyet, "Experimental polyphase broadcasting," Proc. I.R.E., vol. 30, pp. 213-222; May, 1942.
K. G. Hodgson, British Patent No. 547,601, dated January 31 1941.
R. B. Dome, "Wide-band phase shift networks," Electronics, vol. 19, pp. 112-115; December, 1946.
Donald E. Norgaard, "A new approach to single sideband," QST, vol. 32, pp. 36-43; June, 1948.
David G. C. Luck, "Properties of some wide-band phase splitting networks," Proc. I.R.E., vol. 37, pp. 147-151; February, 1949.
Some of the networks obtained as a result of this investigation form the subject of British Patent Application No. 16698/49.
这个假设不失一般性,因为唯一其他可能的选择是 在 。然而,在这种情况下,我们将有 在 ,然后我们可以将以下讨论的结果应用于 ,它逼近1就像 一样。
A. Cayley, "Elliptic Functions," 2nd ed., George Bell & Sons, London; 1895.
K. Hayashi, "Tafeln der Besselschen, Theta, Kugel-undanderer Funktionen," Berlin; 1930.
L. M. Milne-Thomson, "Die elliptischen Funktionen von Jacobi," Julius Springer, Berlin; 1931.
值得注意的是,在滤波器设计的情况下,必须使用从模数 到较小模数 的“第一变换”。尽管这种变换在许多方面与我们问题中使用的变换相似,但它与由式(10a)和(10b)定义的变换不同,因为它仅对奇数 值导致 的有理函数。对于偶数 值,为了使 成为 的有理函数,如 Darlington 所示,必须通过 和 之间更复杂的关系来定义 (请参见脚注 27 中的参考文献)。
O. J. Zobel, "Distortion correction in electrical circuits with constant resistance recurrent networks," Bell Sys. Tech. Jour., vol. 7, pp. 438-534; July, 1928.
W. Saraga, "Attenuation and phase shift equalisers," Wireless Eng., vol. 20, pp. 163-181; April, 1943.
R. F. Baum, "A contribution to the approximation problem," Proc. I.R.E., vol. 36, pp. 863-869; July, 1948.
T. Laurent, "New principles for practical computation of filter attenuation by means of frequency transformation," Ericsson Technics, vol. 3, pp. 57-72; 1939.
E. Rumpelt, "Schablonenverfahren fuer den Entwurf elektrischer Wellenfilter auf der Grundlage der Wellenparameter," Telegraphen Fernsprech. Funk und Fernsch-und Technik, vol. 31, pp. 203210; August, 1942.
F. Scowen, "Electric Wave Filters," Chapman & Hall Ltd., London, pp. 72-74; 1945.
F. Pyrah, "Constant impedance equalisers: Simplified method of design and standardisation," British P.O. Elec. Eng.'s Jour., vol. 92, pp. 204-211; October, 1939.
D. N. Truscott, "Logarithmic charts and circuit performance," Electronic Eng., vol. 14, pp. 745-748; May, 1942.
S. Darlington, "Synthesis of reactance 4-poles which produce prescribed insertion loss characteristics," Jour. Math. Phys., vol. 13, pp. 257-353; September, 1939.
在相移网络的这种分解的一般情况下,得到的各个 值不一定是实数,而可能以共轭复数对出现。然后,两个相应的基本部分可以合并为一个物理部分,其标准化的串联臂电抗为 ,其中 。然而,对于相位分割网络,在使用泰勒或切比雪夫逼近法进行性能曲线时,不会出现复数 值,而且在其他好的逼近中似乎也不会出现。另一方面,在滤波器设计中,它们的出现是规定的。
W. A. Marrison, United States Patent No. , dated September 12, 1933.
W. Saraga, British Patent No. 594,431, dated May 29, 1945, and U.S. Patent Application No. 670,264.
E. K. Sandeman, "Phase compensation," Elec. Commun., vol. 7, pp. 309-315; April, 1929.
M. Wald, "Eine Kunstschaltung zur Verdreifachung des Winkelmasses eines Kreuzgliedes und ihre Anwendung zum Phasenausgleich in Pupinleitungen," Elekt. Nach. vol. 19, pp. 196-199; October, 1942.
A. T. Starr, British Patent No. 342,407, dated October 30, 1929.
H. W. Bode, "Network Analysis and Feedback Amplifier Design," D. Van Nostrand Company, Inc., New York, N. Y., pp. 216-218; 1945.
C. H. Dagnall and P. W. Rounds, "Delay equalization of eightkilocycle carrier programme circuits," Bell Sys. Tech. Jour., vol. 23, pp. 181-195; April, 1949.
F. S. Farkas, F. J. Hallenbeck, and F. E. Stehlick, "Band pass filter, band elimination filter and phase simulating network for carrier programme systems," Bell Sys. Tech. Jour., vol. 28, pp. 196220; April, 1949.
J. B. S. Haldane, "On the non-linear difference equation ," Proc. Cambridge Phil. Soc., vol. 28, part II, pp. 234243 ; 1932.
L. Silberstein, "Construction of groups of commutative functions," Phil. Mag., pp. 43-54; January, 1945.
J. Hadamard, "Two works on iteration and related questions," Bull. Amer. Math. Soc., vol. 50, pp. 67-75; February, 1944.
G. Boole, "A Treatise on the Calculus of Finite Differences," Macmillan and Co., London, 3rd Ed., p. 17; 1880.
https://120years.net/saraga-generatorwolja-saragagermany1931/
审核编辑:黄飞
下一篇:国产射频滤波器的突围之路
Ceva Richard Kingston:2024半导体市场将出现