时间:2023-10-08 10:18
人气:
作者:admin
01
反射的危害
由于阻抗突变而引起的反射和失真会导致误触发和误码。这种由于阻抗变化而引起的反射是信号失真和信号质量退化的主要根源。
引起信号电平下降的下冲可能会超过噪声容限,造成误触发。或者,一个动态低电平信号,其反向峰值也会超出低电平阈值,导致误触发。

短传输线末端由于阻抗突变而造成的发射噪声

02
阻抗突变处的反射
无论什么原因使瞬时阻抗发生了改变,部分信号将沿着原传播方向反射,而另一部分将继续传播,但幅度有所改变。瞬时阻抗发生改变的地方称为阻抗突变,或简称突变。
两个区域的阻抗差异越大,反射信号量就越大。

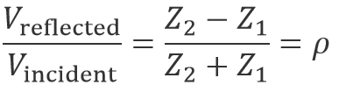
V_reflected表示反射电压
V_incident表示入射电压
Z_1表示信号最初所在区域的瞬时阻抗
Z_2表示信号所在区域的瞬时阻抗
ρ表示反射系数
如果1V信号沿特性阻抗为50Ω的传输线传播,其受到的瞬时阻抗为50Ω,则当它进入特性阻抗为75Ω的区域时,反射系数为(75-50)/(75+50)=20%,反射电压为20% x 1V =0.2V。

只要信号受到的瞬时阻抗发生改变,就会有一些反射信号,
同时继续传输的信号也有一定的失真。
03
为什么会有反射
产生反射信号是为了满足两个重要的边界条件,发生反射的原因:
边界处出现电压不连续,就会产生一个无限大的电场。
边界处出现电流不连续,就会在此处产生净电荷。
为了使整个系统协调稳定,会产生了一个反射回源端的电压。它的唯一目的就是吸收入射信号和传输信号之间不匹配的电压和电流。

交界面两个电压相同的条件为:

交界面两个电流相同的条件为:



反射系数:

入射系数:

没有人知道到底是什么产生了反射电压?只是知道这样产生之后,交界面两侧的电压才能相等,交界面处的电压才是连续的。同理,在交界面两侧也存在电流回路,电流也是连续的。这样,整个系统才是平衡的。
04
阻抗负载的反射
传输线的端接匹配有3种重要的特殊情况。假设传输线的特性阻抗是50Ω,信号由源端沿传输线到达有特殊终端阻抗的远端。
注意:在时域中信号对受到的瞬时阻抗十分敏感。第二个区域可以不是传输线,它可能是一个相应阻抗的分立元件,如电阻器、电容器、电感器或它们的组合电路。
传输线的终端为开路:即传输线的末端没有连接任何端接,则末端的瞬时阻抗是无穷大。这时反射系数为(无穷-50)/(无穷+50)=1。这意味着在开路端将产生与入射波大小相同但方向相反的返回源端的发射波。

传输线的末端与返回路径相短路:末端阻抗为0。此时反射系数(0-50)/(0+50)=-1。1V入射信号到达远端时,将产生-1V 反射信号,它沿传输线向源端传播。短路突变处测得的电压为入射电压与反射电压之和,即1V+(-1)V=0。
传输线末端所接阻抗与传输线的特性阻抗相匹配:此时不存在反射电压,50Ω终端电阻器上的电压仅是入射信号的。
总结:当末端为一般电阻性负载时,信号受到的瞬时阻抗在0 到无穷大之间。这样,反射系数就在-1到+1 之间。

信号从50Ω的区域1到区域2的各种阻抗时的反射系数
如果传输线的特性阻抗为50Ω,终端端接为25Ω,则反射系数为(25-50)/(25+50)=-1/3。
对于1V入射电压,其中的-0.33V 将被反射回源端,终端的实际电压为两个波之和:1V+(-0.33)V=0.67V。
05
驱动器的内阻
典型的CMOS 器件,其值在5~20Ω之间。而早期的晶体管—晶体管逻辑门(TTL),其值高达100Ω。源阻抗对进入传输线的初始电压和之后的多次反射都有重要的影响。
驱动一个高阻抗时,就可以得到这个理想电压源的输出电压,输出端接一个低电阻,例如10Ω,测量在端接电阻器上的电压V_t,就能反求出驱动器的源内阻。



另外一种方法就是改变负载电阻值,直到负载输出电压恰好等于空载开路输出电压的一半时为止。这时,驱动器的源内阻就等于负载电阻。
06
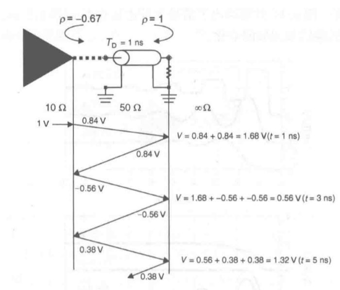
反弹图
进入传输线的实际电压(即入射电压)是由源电压、内阻和传输线输入阻抗组成分压器共同决定。
0.84 V信号就是沿传输线传播的初始入射电压。
源端的反射系数是(10-50)/(10+50)=-0.67,当驱动端遇到0.84 V 的入射信号时,将有0.84V x(-0.67)=-0.56V 的电压反射回线的远端。

内阻小于传输线的特性阻抗,源端出现的是负反射,这将引起通常所说的振铃现象。
信号上升边远小于传输线的时延时,传输线远端电压波形:

1.远端的电压最终逼近源电压1V,因为该电路是开路的,即源电压最终是加在开路端的
2.开路处的实际电压有时大于源电压。源电压仅为1V,然而远端测得的最大电压是1.68V。高出的电压是怎么产生的?它是传输线结构共振的一个特性。记住,没有所谓的电压守恒,只有能量守恒。
07
反射波形仿真
先创建驱动器,再加上理想传输线,并接上终端端接。当入射波传向线的末端,在所有阻抗突变处产生发射时,出现在终端和其他任意节点的电压都可以仿真得到。
下图给出信号上升边从0.1ns到1.5ns,源端端接电阻从0Ω到90Ω变化时,远端信号波形的变化。

不同的信号上升边时远端的电压

不同源端串联端接电阻器时远端的电压
08
用时域反射计测量反射
时域反射计只不过是一个快速阶跃信号发生器和高速采样示波器。
时域反射计确实显示信号感受到的瞬时阻抗变化。

时域反射计内部结构图。一个高速脉冲发生器产生快速上升的电压脉冲,它流经精确的50Ω电阻器,该电阻器与一个很短的50Ω同轴电缆串联,最后接到与被测元器件相连的前面板。用高速采样示波器测得内部点的总电压,并显示在屏幕上。
09
传输线及非故意突变
只要信号受到的阻抗有改变,必然有反射产生,而且反射对信号质量有严重的影响。

传输线电路示例3种类型的阻抗突变:短传输线的串联和并联、
并联电容性、串联电感性。
突变引起的信号失真程度受到两个重要的参数的影响:信号的上升边和阻抗突变的大小。
电感器和电容器的瞬时阻抗取决于变化中的电流或电压的瞬时变化率及其L 和C的值。
10
多长需要端接
最简单的传输线电路由近端驱动器、短的可控阻抗互连和远端接收器组成。信号将在远端高阻抗开路端和近端低阻抗驱动器之间往返反弹。
当互连时延大于0.1ns时,会发生多次反射,并且它们是以每0.2ns(即往返时间)完成一个往返振荡的。当时延小于上升边20%时,反射几乎看不到,但如果超过20%,振铃就开始有明显的影响。

无终端端接情况下,在传输线远端观测到100MHz时钟信号波形
如果上升边1ns,则无终端端接的传输线的最大时延约为20% x 1ns=0.2 ns。在FR4中,信号传播速度是6in/ns,所以无终端端接的传输线的最大长度约为6in/ns x 0.2 ns=1.2 in。

Len_max 表示无终端端接的传输线的最大长度(单位为in)
RT 表示信号上升边(单位为ns)
11
点到点拓扑的通用端接策略
振铃是由源端和远端的阻抗突变、两端之间不断往复的多次反射引起的,如果能至少在一端消除反射,就能减小振铃噪声。
一个驱动器驱动一个接收器的情况称为点到点的拓扑结构。
最常用的方法是将电阻器串联在驱动器端,这称为源端串联端接。端接电阻与驱动器内阻之和应等于传输线的特性阻抗。

点到点拓扑结构的4种常见端接方式示意图。
第一种源端串联端接方式是最常见的。
12
短串联传输线的反射
电路板上的线条常常要通过过孔区域或在元件密集区域布线。此时线宽必然变窄,收缩成颈状(见下图)。如果传输线上有这么一小段的线宽变化,特性阻抗一般就是变大的。

那么,多长的线段和多大的阻抗改变会造成问题呢?
决定短传输线段对信号影响的3个特征是:突变引起的时延(TD)、突变处的特性阻抗(Z0)及信号的上升边(RT)。

为了保持反射噪声低于电压摆幅5%,需要保证特性阻抗的变化率小于10%。这就是为什么电路板上阻抗的典型指标为+/-10%。

Len_max 表示阻抗突变的最大长度(单位为in)
RT 表示信号上升边(单位为ns)
13
短并联传输线的反射
在一段均匀传输线上接一个分支,以使信号去往多个扇出。如果分支很短,就称其为桩线。桩线通常是球栅阵列封装过程的产物。


14
容性终端的反射
所有实际接收器都有门输入电容,一般约为2 pF。此外,接收器的封装引脚与返回路径之间还会有约1pF的电容。
当信号沿着传输线到达末端理想电容器时,决定反射系数的瞬时阻抗将随时间的变化而变化。

上升边为0.5ns的信号,当传输线电路远端容性负载的电容量分别为0.2pF,5pF和10pF时,传输线上的反射信号和传输线号
如果信号上升边小于电容器的充电时间常数,那么最初电容器上的电压将迅速上升,这时阻抗很小。随着电容器充电,电容器上的电压变化率dV/ dt 缓慢下降,这时电容器阻抗将明显增大。如果时间足够长,电容器充电达到饱和,电容器就相当于断路。
传输电压模式的长期效果就像通过电阻器向电容器充电,电容器对信号上升边进行滤波。对接收端信号而言,它就相当于一个“时延累加器”,它与RC电路的充电方式非常相似,电容器上的电压随时间呈指数增长。

在任何电路仿真中都会把栅极电容的影响自动考虑在内。如果接收器加有静电释放(ESD)保护二极管,这一项就会高达5~8pF,一般情况下则会低至大约2~3pF。
15
走线中途容性负载的反射
测试焊盘、过孔、封装引线或连接到互连中途的短桩线,都起着集总电容器的作用。

上升边为0.5ns的信号,当传输线电路中途容性负载的电容量分别为0.2pF,5pF和10pF时,传输线上的反射信号和传输线号。
在信号上升过程中,信号路径与返回路径之间的电容器就是一个并联阻抗Z_cap 。这个跨接在传输线上的并联阻抗引起了反射。为了避免该阻抗造成严重的问题,希望该阻抗能大于传输线的阻抗。



当信号边沿经过与传输线并联的容性突变时,
可以把这个突变描述成并联阻抗。
特性阻抗是50Ω,则所容许的最大电容量为:

16
中途容性时延累加
中途容性负载产生的影响:
1.接收端的下冲噪声 2.远端信号的接收时间被延迟
电容器与传输线的组合就像一个RC滤波器,所以传输信号10%~90%上升边将增加,信号越过电压阈值50%的时间也将推后。传输信号10%~90% 上升边约为

50% 处的时延累加量称为时延累加,约为:

RT10%~90%表示信号上升边10%~90%(单位ns)
△TD表示通过电压阈值50%的时延累加(单位ns)
Z0表示传输线的特性阻抗(单位Ω)
C表示容性突变(单位为nF)
R为1/2 Z0
公式中的系数1/2 是因为传输线的前一半使电容器充电,而后一半则使电容器放电,所以给电容器充电的有效阻抗实际上是特性阻抗的1/2。
例如,50Ω传输线中途的2pF容性突变,使传输信号的10%~90% 上升边约增加50 x 2=100ps。
如果按公式进行预估,则2pF、5pF、10pF电容器对应时延累加分别为50ps,125ps和250ps。

17
拐角和过孔的影响
导线中的电子速度为1cm/s, 90°拐角不会影响电子速度。
90°拐角弯曲处额外线宽,造成容性突变,影响信号质量。


对于高密度电路板线宽为5mil的典型信号线,一个拐角的电容量约为10 fF。10 fF电容器产生的反射噪声如果对信号上升边有影响,上升边的数量级就必须在0.01/4≈3 ps左右。而电容引起的时延累加约为0.5x50x0.01 =0.25 ps。
一般过孔处的有效特性阻抗,包括经过不同平面的返回路径,小于50Ω,约为35Ω。50Ω传输线的单位长度电容为3.3 pF/in,那么过孔桩线的单位长度电容为5 pF/in,即5 fF/mil。根据这一经验法则估算过孔桩线的容性负载。

导线中间位置上分别有、无容性突变通孔时,测得的均匀传输线的时域反射响应。线前端的连接件过孔也是一种容性突变。
这个过孔的容量约为0.4 pF,可预计这单个过孔产生的时延约为0.5x50x0.4pF=10ps。下图说明这个传输信号的时延比相同导线上没有过孔时增加了9ps,这与经验法的预估值接近。

18
有载线
•均匀分布着容性负载的传输线称为有载线。
分立电容的加大对导线的作用就是降低了特性阻抗并加大了时延,它与在过孔中所发生的情况相同。
每个突变看起来就像一个低阻抗区域。当上升边小于电容之间的时延时,对于信号而言,每个突变都是彼此独立的。当上升边大于电容之间的时延时,低阻抗区域相互交叠,从而使导线的平均阻抗下降。

给出3个上升边不同时,有载线的反射信号。该例中,导线的标称阻抗是50Ω,每隔1in 分布3 pF电容器,共有5个这样的电容器,最后10 in 导线是没有负载的无载线。
50Ω导线的单位长度电容约为3.3 pF/in ,当添加的分布式容性负载与此值相当时,特性阻抗和时延就有明显的改变。
19
感性突变的反射
如果信号路径上或返回路径出现突变,信号路径或返回路径上突变引起的局部自感决定了回路电感,信号路径与返回路径之间有局部互感,但回路电感主要由阻抗突变引起的局部自感决定。
近端信号的形状为先上升后下降,称为非单调性,即信号不是稳定一致地单调上升。这一特征本身并不会造成信号完整性问题。但如果近端有接收器,并且它接收到的信号先是超过50%点,再下降到50%点以下,这样就有可能造成误触发。
对于边沿快速上升的入射信号,大的串联回路电感初看是一个高阻抗元件,所以产生返回源端的正反射。

上升边为50 ps的信号分布通过
电感值为0,1 nH,5 nH和10 nH的感性突变时,
在源端和接收端的信号波形。
分立电感器这一串联阻抗突变引起的增量小于导线特性阻抗的20%为限,为了确保电感器的阻抗低于导线阻抗的20%,可容许的最大感性突变约为:

感性突变会引起反射噪声和时延累加。若上升边很短,信号的上升边主要由串联电感决定。•传输信号的10%~90%上升边约为:

10nH突变使10%~90%信号上升边提高到10/50=0.2ns,信号中间点的时延累加约为此值的一半,即0.1ns。
20
补偿
设计中常常用到专用连接器,电路中的串联回路电感是不可避免的,它可能造成过量的反射噪声,补偿技术就是抵消部分此类噪声 。例如:在感性突变的两侧各加一个小电容器,就能将感性突变转变成一节传输线。

用于感性突变的补偿电路。在感性突变两侧加足够的电容可以使其如图50Ω传输线的一部分。

如果连接器的电感为10nH,导线的特性阻抗为50Ω,则所要加上的总补偿电容为10/(50x50)=0.004nF=4pF。最优的补偿方式是将4pF电容分为两部分,分别加在电感器的两侧,即各2pF。
21
思维导图

编辑:黄飞
上一篇:物联网的8大应用场景
下一篇:雷达信号处理需要哪些基础知识
Ceva Richard Kingston:2024半导体市场将出现