时间:2022-05-07 15:44
人气:
作者:admin
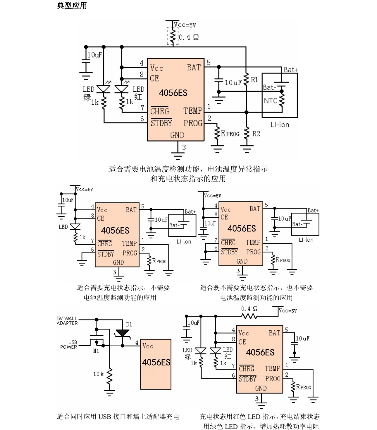
| 深圳市百盛新纪元半导体有限公司介绍: | PL4056是单节锂电池充电管理IC; 充电电流:0.1A~1A,线性 双指示灯,适合USB 5V输入。 |
导向: (导向型号,均可在我们公司网站查到相关介绍) | 锂电池保护电路建议PL5358A,外围仅一个0.1UF的电容,SOT23-5封装。 顺便介绍下锂电池充电IC: 有带电池接反保护功能的充电IC 600MA左右充电IC,可以看PL4054,单指示灯,SPT23-5封装; 2A-3A充电IC, 可以看PL7203,双指示灯,SOP8封装; |






Ceva Richard Kingston:2024半导体市场将出现