时间:2022-05-17 16:24
人气:
作者:admin
字数不多,浓缩的都是精华,请慢慢细看。如果不知道QC2.0是怎样,请搜索百度或者百度经验:高通QC2.0快充协议。里面有详细介绍,这里我就不提了。下面内容均由本人个人编写,编辑。
QC3.0简单说就是QC2.0的一个优化版本而已,就是一个发热量更低,效率更高的QC2.0。原本的QC2.0是输出电压:5V,直接升到9V或者12V,20V。很直接的效果。由于压差的关系,效率会降低,发热量提高,充电时间增加。所以才有了QC2.0的优化版本:QC3.0。
QC3.0相比QC2.0就比较含蓄点,输出电压在3.6V至20V之间。输出电压变动是阶梯型:0.2V一节一节升上去或者降下来,同时兼容QC2.0直接升9V,12V,20V的性格。还是由于由于压差的关系,QC3.0比QC2.0效率会提高,发热量降低,充电时间减少。(按照高通的说法,QC3.0能够比QC2.0效率提升38%,充电速度提升27%,发热降低45%,大约35分钟内就能将一部典型手机从零电量充电至80%。)
QuickCharge 2.0/3.0拥有Class A和Class B两个标准。其中,ClassA标准的QC2.0支持5V/9V/12V三种电压,QC3.0则支持3.6V~12V的波动电压;Class B标准的QC2.0支持5V/9V/12V/20V四种电压,QC3.0则支持3.6V~20V的波动电压。由于智能手机领域用不上夸张的20V电压,所以其周边的充电器、移动电源的QC2.0/3.0都以Class A标准为主。现有支持QC3.0的手机,如下图,还有小米5,等支持的手机会陆续增加。

FP6601Q是高通Quick Charge 3.0/2.0(QC3.0,QC2.0)和华为海思快充(FCP)快速充电协议控制器。可自动识别充电设备类型,调整充电器的输出电压,使之获得设备允许的安全最高充电电压,在保护充电设备的前提下节省充电时间
优点:
●完全支持快速充电QC3.0,QC 2.0,华为海思快充FCP:
●A:3.6V至12V输出电压。
●支持USB 充电规范BC1.2。
●支持中国通信行业标准YD/T 1591-2009
●Supports USB DCP applying 2.7V on D+ line and 2.7V on D- line.
●Supports USB DCP applying 1.2V on D+ and Dlines
●支持苹果Apple设备
●支持三星设备
●可以直接PIN对PIN FP6601(QC2.0快充识别IC)
●SOT23-6无铅封装
FP6601Q是QC3.0,QC2.0和华为海思快充(FCP)识别芯片,功能最齐全的。在本身就支持QC3.0,QC2.0和华为海思快充(FCP)的情况下。还加了USB自动识别功能:APPLE,三星,BC1.2协议。
若手机支持快速充电协议,充电器就会以快速模式充电;若手机不支持快速充电协议,FP6601Q能自动识别插入的手机,自动调节D+,D-电压,使能手机自身允许的最大充电电流,给手机充电(简单理解就是:就是相当于原装充电器给手机充电
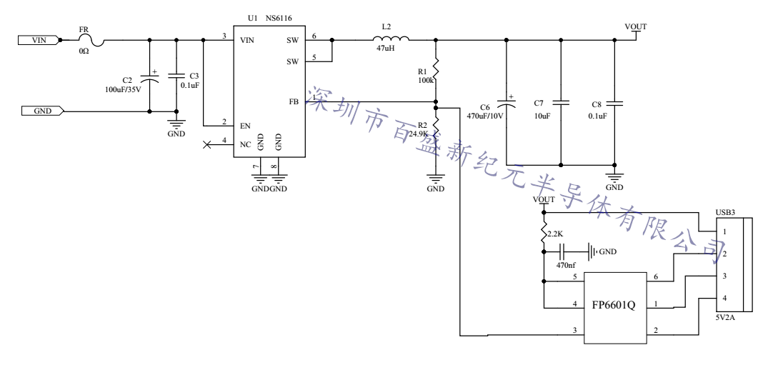
NS6116单口QC3.0快充车充充电器原理图,功能:支持QC3.0,QC2.0,华为FCP,三星AFC快充

现有支持QC 3.0的芯片有骁龙820、骁龙620、骁龙618、骁龙617和骁龙430。
注意!: 这是用在手机内部的芯片,就说有用这些芯片的手机,基本都可以支持QC快充(具体看手机厂商参数)。

注:QC3.0认证高通授权UL了,需要产品过QC3.0认证,可以跟专门做认证的公司咨询。(一般EMI,CE这些认证公司都可以咨询)
授权代理天德钰快充识别IC:
型号 | 封装 | 类型 | 输出电压 | 功能 | 备注 |
FP6600 | SOP8 | 识别IC | 5V,9V,12V,20V. | QC2.0协议,苹果,三星,BC1.2 | PIN对PIN CHY100 |
FP6601 | SOT23-6 | 识别IC | 5V,9V,12V. | QC2.0协议,苹果,三星,BC1.2 | 最小,功能最全的快充识别IC |
FP6601Q | SOT23-6 | 识别IC | 3.6V~12V | QC3.0,QC2.0华为海思FCP,三星AFC快充。 苹果,三星,BC1.2协议 | PIN对PIN FP6601 |
Ceva Richard Kingston:2024半导体市场将出现