时间:2022-02-14 16:15
人气:
作者:admin
LED驱动芯片简介
随着汽车电子行业的快速发展,具有宽输入电压范围的高密度LED驱动芯片,被广泛应用于汽车类照明,包括车外前部和尾部照明、内部照明和显示屏背光照明。
LED驱动芯片按照调光方式可以分为模拟调光和PWM调光。模拟调光相对简单,PWM 调光相对复杂,但线性调光范围比模拟调光更大。LED驱动芯片作为一类电源管理芯片,其拓扑主要有Buck 和Boost。Buck电路的输出电流连续使其输出电流的纹波更小,要求的输出电容更小,更有利于实现电路的高功率密度。

图1 输出电流 Boost vs Buck
LED驱动芯片常见的控制模式有电流模式 (CM),COFT(controlled OFF-time)模式, COFT&PCM(peak current mode)模式。TI经典的LED驱动LM3409,TPS92515就是采用COFT控制。相比于电流模式控制,COFT 控制模式不需要环路补偿,有利于提高功率密度,同时具有更快的动态响应。
区别于其他控制模式,COFT控制模式的芯片具有单独的COFF Pin 脚用于关断时间的设置。本文基于典型的COFT控制的Buck LED驱动芯片,介绍对COFF的外部电路的配置和注意事项。
COFF的基本配置及注意事项
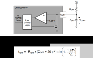
COFT模式的控制原理是当电感电流达到设置的关断电流大小时,上管关断,下管导通。此时关断时间恒定为tOFF。当关断时间达到tOFF后,上管再次导通。上管关闭后,其将保持恒定时间 (tOFF) 关闭。tOFF 由电路外围的电容 (COFF) 和输出电压 (Vo) 来设定。如图 2 所示。 由于 ILED 受到严格的调节,在变化广泛的输入电压和温度下, Vo 将保持几乎恒定,从而产生几乎恒定的 tOFF,可以利用Vo 来计算tOFF。

图2. 关断时间控制电路和 tOFF计算公式
需要注意的是,当选择的调光方法或者调光电路要求输出短路时,此时会发生电路无法正常启动的现象。此时电感电流纹波变大,输出电压变得非常低,远远小于设定的电压。当这种故障发生时,电感电流将以最大的关断时间工作。通常芯片内部设置的最大关断时间达到200us~300us。此时电感电流和输出电压貌似进入了一种打嗝模式,无法正常输出。图3所示TPS92515-Q1 在负载采用分流电阻器的时候,电感电流和输出电压的异常波形。
图4所示列举了三种可能引起以上故障的电路。当调光方式采用Shunt FET,负载选择分流电阻器,负载是LED开关矩阵电路的时候,都可能会使输出电压短路,而导致无法正常启动。

图3 TPS92515-Q1电感电流和输出电压( 电阻器负载输出短路故障)

图4. 可能引起输出短路的电路
为了避免这种情况,即使输出短路的时候,仍需要一路额外的电压来给COFF进行充电。 VCC/VDD可以用作的并行电源为 COFF 电容充电,保持稳定的关断时间,并保持恒定的波纹。客户在设计电路的时候可以在VCC/VDD到COFF之间预留一个电阻ROFF2,如图5所示,有利于后期调试工作。与此同时,TI芯片的数据手册通常会根据芯片内部的电路给出具体的ROFF2的计算公式来方便客户对电阻的选择。

图5 SHUNT FET 外接ROFF2的改进电路
以图3 TPS92515-Q1的短路输出故障为例,采用图5的改进方法,在VCC和COFF之间加一个ROFF2 对COFF进行充电。
选择 ROFF2 分为两步,第一步是计算输出采用分流电阻器时所需的关闭时间 (tOFF-Shunt), 其中VSHUNT 是负载采用分流电阻时的输出电压。

第二步是用tOFF-Shunt 来计算ROFF2, 由VCC经ROFF2对COFF充电,计算公式如下。

根据计算选择合适的ROFF2值(50k Ohm),在图3的故障情况下,连接ROFF2 在VCC和COFF之间,此时电路输出正常。同时需要注意,ROFF2应该比 ROFF1大得多,如果太低, TPS92515-Q1 将会遇到最小的接通时间问题,这将导致电流增加,并可能损坏芯片设备。

图6 TPS92515-Q1 电感电流和输出电压(加ROFF2 后正常)
Ceva Richard Kingston:2024半导体市场将出现