关键词:
智能家居 , 热释电
为被动式人体检测带来高集成化、高可靠性应用方案,营造理想的智慧型生活氛围
艾尔默斯公司(elmos)日前宣布推出系列的“智能家居”解决方案。该家族系列包括基于热释电传感器的被动式人体传感器(PIR)、智能家居KNX总线网络、烟雾报警以及可以实现手势识别的主动式光电传感器技术(HALIOSTM)。
2014-6-17 09:49:56 上传
下载附件 (42.6 KB)
图1: elmos 智能家居解决方案
此次推出的elmos智能家居解决方案,可对室内的照明系统采取选择性工作模式,当有人进入房间的时候,相应的灯光能够自动开启,而没有人在房间则保持关闭状态。该产品还可应用于房间的空调和暖通领域。
智能家居应用中的一个重要产品是热释电被动红外技术,此类传感器是以非接触形式对人体发出的红外辐射进行检测,并将其转换为电压信号。elmos公司此次推出的高集成化、高可靠性的半导体芯片E931.97、E910.97,可将模拟的电压信号再转换成数字信号,并进行滤波和后续的运算处理,最终输出一个有用的开关量信号(或者是一列数字信号)到负载或者是单片机系统,从而实现个性化的功能。

2014-6-17 09:49:56 上传
下载附件 (16.93 KB)
图2:智能探头最简化应用
图2是智能探头E931.97的一个最简化的应用,相比传统分立元器件的方案,该方案的元器件总数非常少,只需6个器件就可以搭建一个完整的应用电路。这样可以大大减少元器件采购、仓储成本,特别是大大缩减了PCB面积,产品更加精致和紧凑,同时又降低了产品的生产和测试费用,节约了大量劳动力成本。在电气性能方面,由于采用了高集成度的半导体技术,外部线路非常简单,降低了布线难度,使得产品具有很好的抗射频干扰的能力。除了这些方面外,该芯片还预留了多个用户设定的功能,用户可根据产品的实际情况做出个性化配置。
elmos为这款芯片提供了两种封装形式,一种是SO14的封装,像其他IC器件一样把芯片和敏感元件分开使用以外。同时,我们也提供体积非常微小的裸芯片,用户可结合人体被动红外传感器技术和现代半导体技术,在不改变原有传感器结构的情况下,将高度集成化的半导体芯片封装在探头内部,造就智能型热释电传感器家族系列。

2014-6-17 09:49:57 上传
下载附件 (36.62 KB)
图3:集成了敏感元件和半导体芯片的智能探头结构框图
图3是智能型热释电探头的结构示意图,可以看出,这个探头包括滤光片,热释电陶瓷(Pyro-ceramic)和外壳,其余所有的功能都可通过一个面积极其微小的半导体芯片(E931.97或E910.97)来实现。该芯片集成了所有被动式人体红外(PIR)感应电路所有电气功能。芯片的输入端是一个输入阻抗非常高的差分输入,热释电材料可以和它直接相连接。被敏感元件识别的人体移动信号输入到芯片内部之后,立刻通过一个16位的ADC转换成数字信号,然后送入二阶巴特沃兹滤波器进行滤波。在芯片内部,经过处理后的信号再通过比较器和触发逻辑电路和预先设定好的灵敏度门槛电平值进行比较,最后输出所期望的脉冲电平信号。在这个过程中,所有的信号都经过了数字化处理,具有良好的抗噪声和抗射频信号能力。
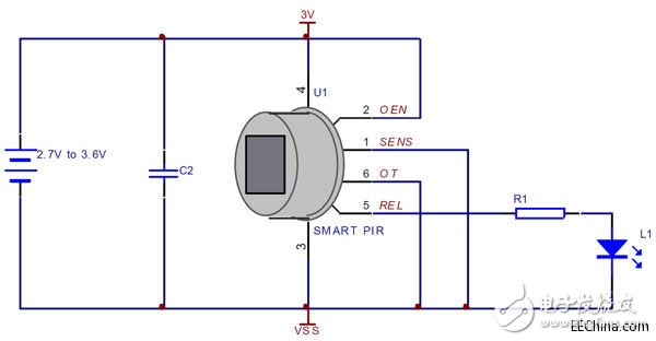
图4是采用E931.97芯片制作的一款智能探头产品,除去智能探头,外面只需要连接3个元器件(不包括电池)就可构成一个实际的应用电路。在此基础上,还可进行其他功能的扩展。如,把第2脚OEN引脚连接到光敏元器件上,可实现昼夜不同的工作模式白天对人体的移动不产生响应,只有当夜幕来临才进入工作状态。另外,给定OT引脚不同的模拟电平值可调节输出的脉宽持续时间。

2014-6-17 09:49:58 上传
下载附件 (18.93 KB)