时间:2018-09-12 11:03
人气:
作者:admin
以太网 通信异常
以太网频繁出现通信异常、丢包等现象,是否会想到是硬件电路设计问题?成熟的以太网电路设计看似简单,但如何保证通信质量,在通信异常时如何快速定位问题,本文将通过实际案例来讲述网络通讯异常的解析过程和处理方案。
一、案例情况
一日,核心板基于TI公司的DP83848KSQ PHY芯片二次开发时搭建一路百兆以太网电路,在研发测试阶段,发现以太网电路频繁出现通信异常,表现为工作一段时间后网络自动掉线,无法重连。多台样机均表现出同样的现象,于是研发展开一系列的问题定位。
二、现场排查
软硬件工程师开始各自的问题定位,这里则谈谈硬件问题定位。
1.电源电路测试
首先先确定电源电路情况,测试PHY芯片工作时和通信异常时的供电电源的电压,电源电压稳定,无跌落,电平为3.3V;其次测试纹波噪声,测试结果也满足要求。电源电路影响暂可以排除。
2.原理图检查:
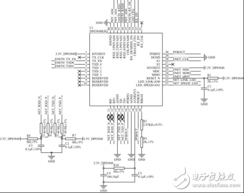
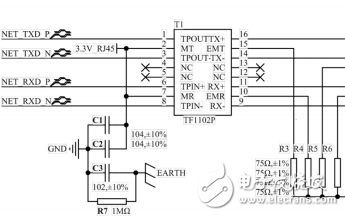
然后从原理图下手,检查PHY芯片的外围电路和对照处理器的引脚顺序,如图1所示,外围电路接线无误,设计符合设计规范。继续检查以太网的变压器电路,如图2所示,该电路也符合设计规范。原理图设计基本可以排除。


3.样机电路测试
时钟信号测试:时钟信号幅值、频率、上升下降时间、占空比等参数均满足要求。
时序测试:数据信号和控制信号的时序裕量均满足手册要求。
数据信号波形测试:在信号测试时,发现PHY芯片的数据信号和控制信号有异常的波形,如下图3、4所示:

图5 PHY芯片的IO参数信息

图6 处理器芯片的IO参数信息
下一篇:总线类型最全汇总!赶紧get起来
Ceva Richard Kingston:2024半导体市场将出现