时间:2015-08-11 10:31
人气:
作者:admin
nRF51822 是功能强大、高灵活性的多协议SoC,非常适用于 Bluetooth® 低功耗和 2.4GHz 超低功耗无线应用。 nRF51822 根据配备 256kB flash + 16kB RAM 的 32 位 ARM® Cortex™ M0 CPU 而建构。嵌入式 2.4GHz 收发器支持蓝牙低功耗及 2.4GHz 运作,其中 2.4GHz 模式与 Nordic Semiconductor 的 nRF24L 系列产品无线兼容。
nRF51822 还具备丰富的模拟和数字周边产品,可以在无需 CPU 参与的情况下透过可程序化周边接口 (PPI) 系统进行互动。灵活的 31 针脚 GPIO 映像方案可使 I/O(例如串行接口、PWM 和正弦解调器)根据 PCB 需求指示映射到任何设备针脚。这可在关于针脚位置与功能方面,达成完全的设计灵活性。
nRF51822 支持 S110 蓝牙低功耗协议堆栈及 2.4GHz 协议堆栈(包括Gazell),这两种协议堆栈在 nRF518 软件开发工具包中均免费提供。nRF51822 需要单独供电,如果供电范围在 1.8-3.6V 之间,用户可选择使用芯片上的线性整流器,如果供电范围在 2.1-3.6V 之间,可以选择直流 1.8V 模式和芯片上的 DCDC 变压器。DC-DC 变压器的使用可在工作期间动态控制,并使 nRF51822 运行期间的射频峰值电流低于 10 mA @ 3V 供电 (TX @ 0 dBm& RX)。
nRF51822 具有 6x6mm 48 针脚 QFN 封装和 3.5x3.8mm 64 球形直接芯片构装之晶圆级封装 (WLCSP)。
nRF51822主要特性:
单芯片, 高灵活性, 2.4GHz 多协议设备
32 位 ARM Cortex M0 CPU 核心
256KB flash 16KB RAM
支持 S110 蓝牙低功耗协议堆栈
S110 需要 80 kB 内存空间
线程安全性和运行时间保护
事件驱动 API
与 nRF24L 系列无线兼容
3 种数据率 (2Mbps/1Mbps/250kbps)
+4dBm 输出功率
-92.5dBm 敏感度、蓝牙低功耗
针对最大化电源效率应用和程序代码简化需求的 PPI 系统
具备对每个周边产品进行电源自动管理功能的灵活电源管理系统
用于模拟和数字 I/O 的可设定 I/O 映射
nRF51822应用:
移动电话配件
PC 周边产品
消费电子 (CE) 遥控器
近接感应/警报传感器
运动、健身和医疗保健传感器
智能 RF 标记
玩具和电子游戏
智慧家用设备
工业和商用传感器

图1 nRF51822框图
智能手环是一种穿戴式智能设备。通过这款手环,用户可以记录日常生活中的锻炼、睡眠、部分还有饮食等实时数据,并将这些数据与手机、平板、ipod touch同步,起到通过数据指导健康生活的作用。
智能手环内置低功耗蓝牙4.0模块,可以与手机、平板、PC客户端进行连接,可以随时随地设置身高、体重、步幅等信息和上传运动数据。另外,智能手环还具备社交网络分享功能,比如用户可以将睡眠质量、饮食情况和锻炼情况以及心情记录等通过绑定微博等社交网络端进行分享。
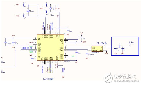
nRF51822是一款为超低功耗无线应用设计的多协议单芯片解决方案。芯片支持BLE4.0和2.4GHZ协议栈,整合了射频发射电路,一个ARM Cortex M0核以及256KB的flash + 16KB的RAM。
手环硬件电路设计部分,包括一颗集成BLE功能的MCU(nrf51822),和由MCU控制的各种外设:
蓝牙射频电路;
使用SPI接口的G-sensor;
使用I2C接口的线性马达驱动电路;
使用I2C接口的LED点阵驱动,与线性马达共享总线;
使用GPIO的按键输入;
使用GPIO的LED灯;
使用GPIO的普通马达驱动电路;
外部复位电路。

图2 智能手环框图
智能手环主要部件描述:智能手环
1.MCU
nRF51822是一款为超低功耗无线应用设计的的多协议单芯片解决方案。芯片支持BLE4.0和2.4GHZ协议栈,整合了射频发射电路,一个ARM Cortex M0核以及256KB的flash + 16KB的RAM。

图3 智能手环MCU电路
2.G-sensor
G- sensor是重力传感器的意思(英文全称是Gravity-sensor),它能够感知到加速力的变化,加速力就是当物体在加速过程中作用在物体上的力,比如晃动、跌落、上升、下降等各种移动变化都能被G-sensor转化为电信号,然后通过微处理器的计算分析后,就能够完成程序设计好的功能,比如 MP3能根据使用者的甩动方向,前后更换歌曲,放进衣袋的时候也能够计算出使用者的前进步伐。

图4 G-sensor电路
3.按键输入模块

图5 按键输入模块电路
4.LED显示
LED显示是手环与用户之间进行数据交互的模块,主要用于数据显示以及用户交互。
根据厂家的不同需求,提供了两种设计方案:
1、LED灯控制显示:以多个LED指示灯的组合形式进行简单的信息呈现。
2、LED点阵列显示: 以LED点阵列的形式显示手环的数据信息:时间、步数、卡路里消耗等。

图6 LED灯控制电路

图7 LED点阵列控制模块电路
5.普通马达模块
因为马达的导通电流可能高达100mA,不能通过GPIO直接供电控制(驱动电流不够),所以使用一个MOS管作为功率放大电路。串联的24欧姆电阻用来调节马达震动强度,减少功耗。在0欧姆时,马达的启动电流为100mA左右,目前配置的实测电流为36mA。
MOS管输入端的下拉电阻是保证在重启瞬间马达保持静止,因为芯片上电后引脚为高电平,MOS处于导通状态,从而使马达存在短暂的震动。

图8 普通马达模块控制电路
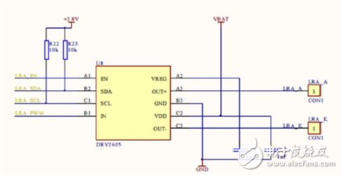
6.线性马达控制模块
线性马达控制复杂,需要用专用的芯片完成(设计中采用了DRV2605驱动芯片)。芯片与MCU通过I2C总线通信。线性马达的功能由驱动芯片控制,驱动芯片本身的输入电压范围是2.5V-5.5V。
给驱动芯片的供电电压,设计中使用的是电池供电,而不是DCDC输出的系统电压。
理由是:驱动芯片的工作电压是使用内部的DCDC完成电压转换。假设DCDC转换效率均为90%,那么使用电池供电,能量效率为90%;使用系统电压供电,效率为90%*90%=81%。

图9 线性马达控制电路
7.电量检测模块
电池的电量和电压有对应关系,系统只要检测到电池电压,即可映像成电池剩余电量。
电池电压在0-4.2V之间变化,经过四分之一的分压电路,输出电压会在0-1.05V之间变化。充分利用了nRF51822的ADC量程0-1.2V,并联的电阻用于稳定电压值。
电路如下:

图10 电量检测模块电路
8.外部复位模块

图11 外部复位模块电路
9.充电电路模块
充电芯片采用了TI的BQ24040,选取该款型号的目的是,能够向MCU提供是否正在充电(CHG_STATE)和是否插入充电器(PG_STATE)的信息(大多数充电IC不提供后者信息)。充电电流可控,预充电与快速电流比例可控。
目前的参考方案按照18mAh的电池,预充电电流为快速充电电流的40%设计。

图12 充电电路模块电路
10.系统电源模块
为了保证足够的电源效率,设计使用了高效率,带轻载优化的DCDC芯片TPS62260,而不是传统的LDO。因为nRF51822内部有LDO,为了提高效率,系统电压应该越低越好,而马达的正常工作电压是3V,白色LED最低工作电压是2.8V,其他IC的最低系统电压是1.8V。因此最终确定的系统电压是2.8V。
电源芯片的选择:
l 传统LDO的静态功耗有优势,但是输入-输出压差越大,效率越低。电池电压如果是3.9V,输出电压为2.8V,效率为2.8/3.9=71%;
l DCDC静态电流大,但是输入电流在1mA以上时,效率能够达到90%以上;

图13 系统电源模块电路
11.调试接口

图14 调试接口电路
12.射频电路
器件之间尽量近,减短走线(1mm走线相当于1nH电感;更长的线会增加对地电容)
不要用过孔(过孔相当于电感)
匹配电路周围要被GND包裹以减小对地电容
匹配网络的下方不要走线或者放置器件,造成匹配网络和参考地之间的一个“黑洞”
建议板厚不超过1.6mm,否则射频性能会下降
大功率和噪声源信号走线要与射频线垂直
LED相比射频是大功率信号,如果不是外观设计要求,强烈建议不要像该PCB方案把LED放置在天线附近(虽然PCB中LED走线已经尽量垂直于天线)

图15 PCB正确走线和等效电路
图16 智能手环PCB外形图

图四智能手环结构图

智能手环功能实现流程图

图八主程序结构流图
Ceva Richard Kingston:2024半导体市场将出现