时间:2014-11-07 09:13
人气:
作者:admin
设计一个可以实现短信收发与数据无线传输的模块的要求,本文采用了ARM Cortex-M3内核的主流产品STM32作为主控芯片,采用SIMCom公司的SIM900A作为通信芯片。在查阅大量相关文献以及相关芯片的数据手册之后,本文设计了一个远程无线通信模块。该模块在实验室试运行一周后,没有出现掉线的情况,数据收发的速度也很快。该模块具有性能稳定,外形小巧,性价比高等优点。厂方投入使用之后,反应良好。
随着网络和现代通信技术的不断发展,远程无线通信技术经过多年的研究与实际应用,现如今在工业控制领域有了非常重要的地位,并且发挥着越来越大的作用。文中根据厂家的要求,设计的无线通信模块,主要实现了短信与数据收发功能,并且做到了模块的稳定,掉线之后能够自动重连。
1 无线通信模块整体设计方案
模块主要有电源部分、主控部分、通信部分、数据传输部分4个部分组成。通信模块采用SIM900A进行无线通信。主控模块采用STM32作为主控芯片,来控制短信的收发与数据传输的顺利进行。远程终端可以是手机或者上位机的数据中心软件,经过处理之后,储存下来,方便日后的查询。本模块具有低功耗,方便灵活,操作简单并且稳定,掉线之后可以自动连接,运行过程十分稳定,并且成本较低。
2 无线通信模块硬件设计
2.1 功能需求
本文设计的无线通信模块,要求单12V电源输入,模块上电运行后有相应的指示灯来指示模块的运行状态。另外要求模块能够实现短信以及数据透传两大主要功能,在手机发送短信给模块之后,模块能够动作,并给出回应。最后要求在建立TCP链接时,仍然能够收发短信。

图1 无线通信模块结构图
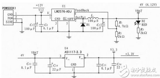
2.2 电源部分
在主电路中,主控芯片STM32的工作电压为2.0~3.6 V,通信芯片SIM900A的工作电压为3.1~4.6 V,为使模块各个部分正常工作,必须对两者进行分别供电,电源供电电路如下:
图中V12外接12 V电源,经过电容滤波后输入到LM2576,实现12 V到4 V的转换,R1、R2在线路中起到分压作用,D2灯亮起时,表示模块已经正常供电。LM2576是美国国家半导体公司生产的3 A电流输出降压开关型集成稳压电路,具有完善的保护电路,比较稳定。

图2 电源模块
2.3 主控芯片
主控模块采用STM32单片机作为微控制器,该芯片能工作于-40~105℃的温度范围,MAX3232芯片用于串行口的电平变换,实现控制器与通信接口之间的通信。串口1与电源电平转换芯片Max3223相连,USART1_TX(输出,所以在配置GPIO时,定义该口的模式为推拉输出,USART1_ RX为输入,定义为悬浮输入模式。串口2与SN65LBC184D通信,实现数据的收发,USART2_RTS、USART2_RX为输入端口,模式定义为悬浮输入模式,USART2_CTS、USART2_TX为输出端口,模式定义为推拉输出。串口3用来控制SIM900A芯片,USART3_RTS、USART3_RX为输入端口,模式定义为悬浮输入,USART3_CTS、USART3_TX为输出端口,模式定义为推拉输出。

图3 主控芯片STM32
2.4 通信芯片
通信芯片采用SIMCom公司的新型紧凑型产品SIM900A,它属于双频GSM/GPRS模块,完全采用SMT封装形式,性能稳定,外观精巧,性价比高,并且能够满足用户的多种需求。在实现断线自动重连功能时,涉及到DCD、RI两个引脚的使用。DCD引脚用来实现模数转换,当模块掉线时,会给DCD引脚一个高电平,当这个电平被DCD引脚检测到之后,模块就是采取相应的动作,来重新连接上线。RI引脚在模块上线之后,就一直保持高电平,在有电话和短信进来的时候,RI管脚就会有一个低电平出现,当RI引脚检测到这个低电平的时候,模块就会采取相应动作,进入到短信或者电话模式。
Ceva Richard Kingston:2024半导体市场将出现