时间:2013-08-19 14:12
人气:
作者:admin
ADI公司的ADP5065是一款内嵌互联直流电压充电输出端与电池端的FET器件,通过FET可以实现电池隔离,当系统驱动电能来自于废电池或没有电池时,系统会立即切换到USB供电模式。ADP5065的输入电压范围为4V~5.5V,最大输入电压高达20V,不用担心USB总线断开或连接过程中的峰值。ADP5065充电器兼容USB2.0、USB3.0和USB电池充电规范1.1。ADP5065采用一个非常小的封装,20引脚WLCSP封装(0.5mm间距)。
ADP5065主要特性
• 3MHz开关模式充电器

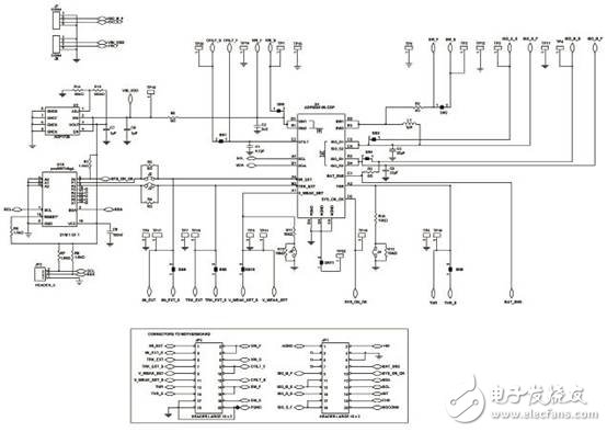
图1 ADP5065设计原理图
• 1.25A专用充电器充电电流
•最高680 mA的充电电流(500mA USB主机)
•工作输入电压4.0V~5.5V
•容错输入电压-0.5V~+20V(USB VBUS)
•电池和充电器输出之间的隔离FET
•电池热敏电阻输入,当电池温度超过限值时自动关闭充电器
•符合JEITA锂离子电池充电温度规范
• SYS_EN_OK标志,暂缓系统开通(直到电池要求的最低水平)
•由最小电池电压和/或最小电池充电的要求水平启动系统
• EOC编程,C/20,C/10和选择特定的电流水平
表1 ADP5065设计方案材料清单


图2 ADP5065方框图
ADP5065应用
•数码相机
•数码摄像机
•单节锂离子电池的便携式设备
• PDA、音频、GPS设备
•手机
Ceva Richard Kingston:2024半导体市场将出现