时间:2012-12-26 10:47
人气:
作者:admin
随着人们生活水平的提高和科技的发展,家庭智能化已成为一种必然趋势而深入千家万户。家庭智能化即智能化家居(Smart Home),亦称数字家园(Digital Family)、家庭自动化(Home Automation)、电子家庭(E-home)、智能化住宅(Intelligent Home)、网络家居(Network Home)、智能屋(Wise House,WH)、智能建筑(Intelligent Building)等。它是利用计算机、通信、网络、电力自动化、信息、结构化布线、无线等技术将所有不同的设备应用和综合功能互连于一体的系统。它以住宅为平台,兼备建筑、网络家电、通信、家电设备自动化、远程医疗、家庭办公、娱乐等功能,集系统、结构、服务、管理为一体的安全、便利、舒适、节能、娱乐、高效、环保的居住环境。其从控制层次来分,一般由中央控制中心、家居智能控制终端、小区智能控制系统、家庭网关和外部网络几部分组成。
1 智能家居系统体系结构
家居系统主要由智能灯光控制、智能家电控制、智能安防报警、智能娱乐系统、可视对讲系统、远程监控系统、远程医疗监护系统等组成,框图如图1所示。

图1 智能家居系统结构框图
2 系统主要模块设计
2.1 照明及设备控制
智能家居控制系统的总体目标是通过采用计算机、网络、自动控制和集成技术建立一个由家庭到小区乃至整个城市的综合信息服务和管理系统。系统中照明及设备控制可以通过智能总线开关来控制。本系统主要采用交互式通信控制方式,分为主从机两大模块,当主机触发后,通过CPU将信号发送,进行编码后通过总线传输到从模块,进行解码后通过CPU触发响应模块。因为主机模块与从机模块完全相同,所以从机模块也可以进行相反操作控制主机模块实现交互式通信。系统主框图如图2所示,系统主从模块的程序流程图如图3所示。其中主机相当于网络的服务器,主要负责整个系统的协调工作。

图2 灯光及家居设备控制框图

图3 系统模块程序流程图
对于灯光控制,可以形成不同的灯光情景模式,以营造舒适优雅的环境气氛。为了提高系统的可维护性及可靠性,设计时应使系统具有智能状态回馈功能、故障自动报警功能、软启动功能。系统能自动检查负载状态,检查坏灯、少灯,保护装置状态等;也可以根据季节、天气、时间、人员活动探测等作出智能处理,达到节能目的。
对于其他家电设备及窗帘控制,与照明控制类似,均可采用手动和自动控制两种方式。
2.2 智能安防及远程监控系统设计
智能安防系统主要由各种报警传感器(人体红外、烟感、可燃气体等)及其检测、处理模块组成。入侵检测报警电路及其他火灾、燃煤气泄漏报警电路类似,其中入侵检测报警框图及电路如图4所示。

图4 入侵检测报警框图及电路
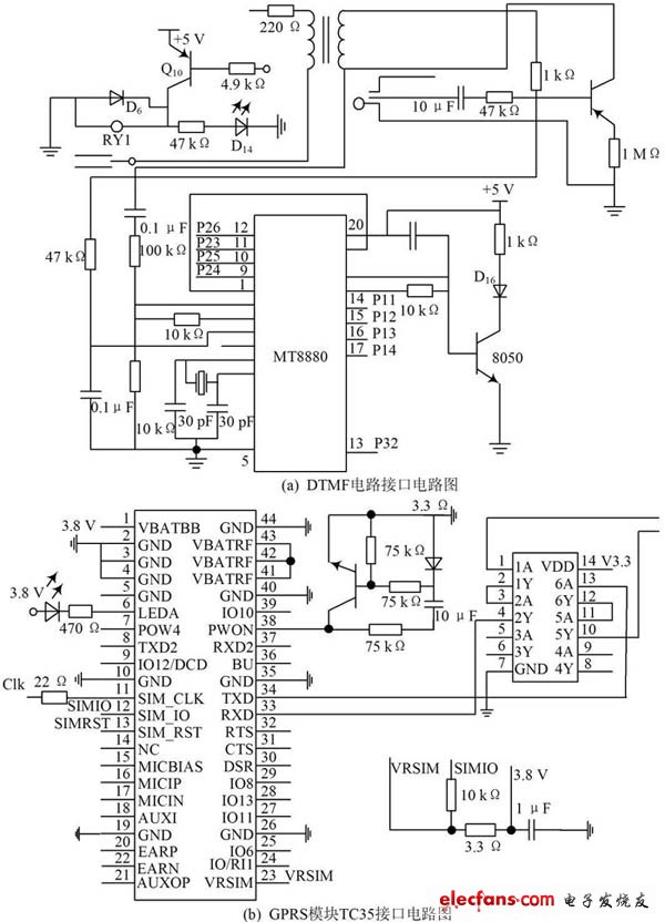
图4中,DTMF(双音多频)收发电路如图5(a)所示,其核心芯片为MT8880,可接收和发送DTMF全部16个信号,具有接收呼叫音和带通滤波功能,能和微处理器直接对接。其自动摘挂机可以通过单片机I/O口控制一个继电器的开关,继电器的控制端连接一个电阻接入电话线两端,从而完成模拟摘挂机。
GPRS通信模块——TC35模块主要通过串口与单片机连接,实现单片机对TC35模块的控制,从而实现远程控制功能。电路如图5(b)所示。

图5 接口电路
Ceva Richard Kingston:2024半导体市场将出现