全球最实用的IT互联网信息网站!

AI人工智能P2P分享&下载搜索网页发布信息网站地图

当前位置:诺佳网 > 电子/半导体 > 移动通信 >

ADMTV316: 移动电视双通道片上接受机支持T-DMB

时间:2009-09-14 08:50

人气:

作者:admin

标签: 移动电视 

导读:ADMTV316: 移动电视双通道片上接受机支持T-DMB-ADMTV316: 移动电视双通道片上接受机支持T-DMB/DAB/FM ADMTV316是一款高集成度的T-DMB/DAB接收机SoC(片上系统),可支持双频带(频带III和FM)。...

ADMTV316:  移动电视双通道片上接受机支持T-DMB/DAB/FM

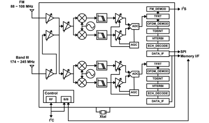
ADMTV316是一款高集成度的T-DMB/DAB接收机SoC(片上系统),可支持双频带(频带III和FM)。该芯片在小尺寸的单一封装内集成了高性能的射频前端调谐器和OFDM(正交频分复用)解调器。零中频下变频射频前端包括低噪声放大器(LNA)、射频可编程增益放大器(RFPGA)、混频器、高分辨率的小数N分频锁相环(PLL)、片上低相位噪声压控振荡器(VCO)、基带可编程增益放大器(BB PGA)以及自动截止频率调谐低通滤波器。ADMTV316的基带部分包括10bit ADC、OFDM解调器和FEC/音频/数据解码器。该器件支持I2C、I2S和SPI等多种串行接口,可以灵活地与外部设备进行连接。ADMTV316具有高灵敏度和宽动态范围,是T-DMB/DAB应用的最佳解决方案。它的设计满足VHF 数字多媒体广播(T-DMB)和ETSI EN 300 401(欧洲DAB)标准中数据业务TTAS.KO-07.0024规范的要求。

ADMTV316的附加特性如下:

  • 支持1,2,3和4传输模式
  • 支持数字频率控制和时序控制
  • 支持多通道同时接收
    - 最大64个子通道
    - 4路增强通道(TDMB/ESM/EPM)
  • 支持多种AP(主接入点)接口
    - SRAM 基本并行接口(控制 +数据)
    - 串行接口(控制接口:I2C,数据接口:SPI)
    - PIP模式下的单SPI接口
  • 支持TII接收
  • 支持FM接收
  • 支持多路配置信息解码器自动设定
    - CIF记数器同步
    - 多路配置和重配置
    - 增强通道(TDMB/EPM)
  • 支持全容量信道解码
  • 最少的外部元件
    - 无需外部系统存储器
    - 包含bit级解交织存储器

  • 特性

    • 用于T-DMB/DAB/FM的射频调谐器和解调器SoC
    • 支持两个频带:频带III和FM
    • 宽动态范围:-100dBm-0dBm @ 50Ω
    • 在PIP模式下可同时接收两个通道的信号
    • PIP模式下的低功耗:180mW
    • 核心电压为1.2V,输入/输出电压有1.8/2.8V两种选择

    • 可选的参考时钟:16.384/19.2MHz
    • 支持JTAG I/O边界扫描
    • 完全兼容韩国的T-DMB标准和ETSI
      300 401 物理层定义
    • 满足TTAS.KO-07.0024规范的要求
    • 满足VHF 数字多媒体广播数据业务
    • 支持ETSI EN 300 744 (204,188)外部编码

    ADMTV316图
    功能框图ADMTV316

    温馨提示:以上内容整理于网络,仅供参考,如果对您有帮助,留下您的阅读感言吧!
    相关阅读
    本类排行
    相关标签
    本类推荐

    CPU | 内存 | 硬盘 | 显卡 | 显示器 | 主板 | 电源 | 键鼠 | 网站地图

    Copyright © 2025-2035 诺佳网 版权所有 备案号:赣ICP备2025066733号
    本站资料均来源互联网收集整理,作品版权归作者所有,如果侵犯了您的版权,请跟我们联系。

    关注微信