时间:2019-12-20 15:15
人气:
作者:admin
印制电路板(PCB)布线在高速电路中具有关键的作用,但它往往是电路设计过程的最后几个步骤之一。高速PCB布线有很多方面的问题,关于这个题目已有人撰写了大量的文献。
本文主要从实践的角度来探讨高速电路的布线问题。主要目的在于帮助新用户当设计高速电路PCB布线时对需要考虑的多种不同问题引起注意。另一个目的是为已经有一段时间没接触PCB布线的客户提供一种复习资料。由于版面有限,本文不可能详细地论述所有的问题,但是我们将讨论对提高电路性能、缩短设计时间、节省修改时间具有最大成效的关键部分。
虽然这里主要针对与高速运算放大器有关的电路,但是这里所讨论的问题和方法对用于大多数其它高速模拟电路的布线是普遍适用的。当运算放大器工作在很高的射频(RF)频段时,电路的性能很大程度上取决于PCB布线。“图纸”上看起来很好的高性能电路设计,如果由于布线时粗心马虎受到影响,最后只能得到普通的性能。在整个布线过程中预先考虑并注意重要的细节会有助于确保预期的电路性能。
原理图
尽管优良的原理图不能保证好的布线,但是好的布线开始于优良的原理图。在绘制原理图时要深思熟虑,并且必须考虑整个电路的信号流向。如果在原理图中从左到右具有正常稳定的信号流,那么在PCB上也应具有同样好的信号流。在原理图上尽可能多给出有用的信息。
因为有时候电路设计工程师不在,客户会要求我们帮助解决电路的问题,从事此工作的设计师、技术员和工程师都会非常感激,也包括我们。
除了普通的参考标识符、功耗和误差容限外,原理图中还应该给出哪些信息呢?下面给出一些建议,可以将普通的原理图变成一流的原理图。加入波形、有关外壳的机械信息、印制线长度、空白区;标明哪些元件需要置于PCB上面;给出调整信息、元件取值范围、散热信息、控制阻抗印制线、注释、扼要的电路动作描述(以及其它)。
谁都别信
如果不是你自己设计布线,一定要留出充裕的时间仔细检查布线人的设计。在这点上很小的预防抵得上一百倍的补救。不要指望布线的人能理解你的想法。在布线设计过程的初期你的意见和指导是最重要的。
你能提供的信息越多,并且整个布线过程中你介入的越多,结果得到的PCB就会越好。给布线设计工程师设置一个暂定的完成点——按照你想要的布线进展报告快速检查。这种“闭合环路”方法可以防止布线误入歧途,从而将返工的可能性降至最低。
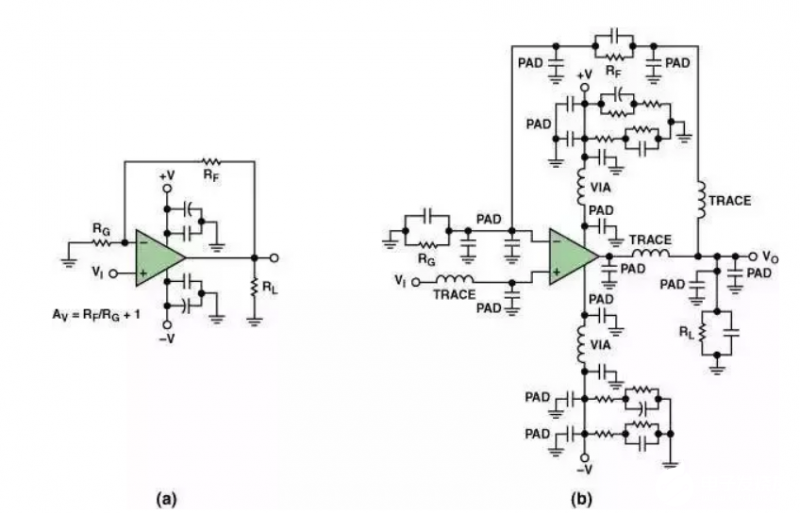
需要给布线工程师的指示包括:电路功能的简短描述,标明输入和输出位置的PCB略图,PCB层叠信息(例如,板子有多厚,有多少层,各信号层和接地平面的详细信息——功耗、地线、模拟信号、数字信号和RF信号);各层需要那些信号;要求重要元件的放置位置;旁路元件的确切位置;哪些印制线很重要;哪些线路需要控制阻抗印制线;哪些线路需要匹配长度;元件的尺寸;哪些印制线需要彼此远离(或靠近);哪些线路需要彼此远离(或靠近);哪些元器件需要彼此远离(或靠近);哪些元器件要放在PCB的上面,哪些放在下面。永远不要抱怨需要给别人的信息太多——太少吗?是;太多吗?不。
一条学习经验:大约10年前,我设计一块多层的表面贴电路板——板子的两面都有元件。用很多螺钉将板子固定在一个镀金的铝制外壳中(因为有很严格的防震指标)。提供偏置馈通的引脚穿过板子。该引脚是通过焊接线连接到PCB上的。
这是一个很复杂的装置。板子上的一些元件是用于测试设定(SAT)的。但是我已经明确规定了这些元件的位置。你能猜出这些元件都安装在什么地方吗?对了,在板子的下面。当产品工程师和技术员不得不将整个装置拆开,完成设定后再将它们重新组装的时候,显得很不高兴。从那以后我再也没有犯过这种错误了。
正像在PCB中,位置决定一切。将一个电路放在PCB上的什么位置,将其具体的电路元件安装在什么位置,以及其相邻的其它电路是什么,这一切都非常重要。
通常,输入、输出和电源的位置是预先确定好的,但是它们之间的电路就需要“发挥各自的创造性”了。这就是为什么注意布线细节将产生巨大回报的原因。从关键元件的位置入手,根据具体电路和整个PCB来考虑。从一开始就规定关键元件的位置以及信号的路径有助于确保设计达到预期的工作目标。一次就得到正确的设计可以降低成本和压力——也就缩短了开发周期。
旁路电源
在放大器的电源端旁路电源以便降低噪声是PCB设计过程中一个很重要的方面——包括对高速运算放大器还是其它的高速电路。旁路高速运算放大器有两种常用的配置方法。
电源端接地:这种方法在大多数情况下都是最有效的,采用多个并联电容器将运算放大器的电源引脚直接接地。一般说来两个并联电容就足够了——但是增加并联电容器可能给某些电路带来益处。
并联不同的电容值的电容器有助于确保电源引脚在很宽的频带上只能看到很低的交流(AC)阻抗。这对于在运算放大器电源抑制比(PSR)衰减频率处尤其重要。该电容器有助于补偿放大器降低的PSR。在许多十倍频程范围内保持低阻抗的接地通路将有助于确保有害的噪声不能进入运算放大器。
图1示出了采用多个并联电容器的优点。在低频段,大的电容器提供低阻抗的接地通路。但是一旦频率达到了它们自身的谐振频率,电容器的容性就会减弱,并且逐渐呈现出感性。这就是为什么采用多个电容器是很重要的原因:当一个电容器的频率响应开始下降时,另一个电容器的频率响应开始其作用,所以能在许多十倍频程范围内保持很低的AC阻抗。

图1. 电容器的阻抗与频率的关系。
直接从运算放大器的电源引脚入手;具有最小电容值和最小物理尺寸的电容器应当与运算放大器置于PCB的同一面——而且尽可能靠近放大器。电容器的接地端应该用最短的引脚或印制线直接连至接地平面。上述的接地连接应该尽可能靠近放大器的负载端以便减小电源端和接地端之间的干扰。图2示出了这种连接方法。

图2. 旁路电源端和地的并联电容器。
对于次大电容值的电容器应该重复这个过程。最好从0.01 ?F最小电容值开始放置,并且靠近放置一个2.2 ?F(或大一点儿)的具有低等效串联电阻(ESR)的电解电容器。采用0508外壳尺寸的0.01 ?F电容器具有很低的串联电感和优良的高频性能。
电源端到电源端:另外一种配置方法采用一个或多个旁路电容跨接在运算放大器的正电源端和负电源端之间。当在电路中配置四个电容器很困难的情况下通常采用这种方法。
它的缺点是电容器的外壳尺寸可能增大,因为电容器两端的电压是单电源旁路方法中电压值的两倍。增大电压就需要提高器件的额定击穿电压,也就是要增大外壳尺寸。但是,这种方法可以改进PSR和失真性能。
因为每种电路和布线都是不同的,所以电容器的配置、数量和电容值都要根据实际电路的要求而定。
寄生效应
所谓寄生效应就是那些溜进你的PCB并在电路中大施破坏、头痛令人、原因不明的小故障(按照字面意思)。它们就是渗入高速电路中隐藏的寄生电容和寄生电感。其中包括由封装引脚和印制线过长形成的寄生电感;焊盘到地、焊盘到电源平面和焊盘到印制线之间形成的寄生电容;通孔之间的相互影响,以及许多其它可能的寄生效应。
图3(a)示出了一个典型的同相运算放大器原理图。但是,如果考虑寄生效应的话,同样的电路可能会变成图3(b)那样。

图3. 典型的运算放大器电路,(a)原设计图,(b)考虑寄生效应后的图。
在高速电路中,很小的值就会影响电路的性能。有时候几十个皮法(pF)的电容就足够了。相关实例:如果在反相输入端仅有1 pF的附加寄生电容,它在频率域可以引起差不多2 dB的尖脉冲(见图4)。如果寄生电容足够大的话,它会引起电路的不稳定和振荡。

图4. 由寄生电容引起的附加尖脉冲。
当寻找有问题的寄生源时,可能用得着几个计算上述那些寄生电容尺寸的基本公式。公式(1)是计算平行极板电容器(见图5)的公式。
(1)
C表示电容值,A表示以cm2为单位的极板面积,k表示PCB材料的相对介电常数,d表示以cm为单位的极板间距离。

图5. 两极板间的电容。
带状电感是另外一种需要考虑的寄生效应,它是由于印制线过长或缺乏接地平面引起的。式(2)示出了计算印制线电感(Inductance)的公式。参见图6。

(2)
W表示印制线宽度,L表示印制线长度,H表示印制线的厚度。全部尺寸都以mm为单位。

图6. 印制线电感。
图7中的振荡示出了高速运算放大器同相输入端长度为2.54 cm的印制线的影响。其等效寄生电感为29 nH(10-9H),足以造成持续的低压振荡,会持续到整个瞬态响应周期。图7还示出了如何利用接地平面来减小寄生电感的影响。

图7. 有接地平面和没有接地平面的脉冲响应。
通孔是另外一种寄生源;它们能引起寄生电感和寄生电容。公式(3)是计算寄生电感的公式(参见图8)。
(3)
T表示PCB的厚度,d表示以cm为单位的通孔直径。

图8. 通孔尺寸。
公式(4)示出了如何计算通孔(参见图8)引起的寄生电容值。

(4)
εr表示PCB材料的相对磁导率。T表示PCB的厚度。D1表示环绕通孔的焊盘直径。D2表示接地平面中隔离孔的直径。所有尺寸均以cm为单位。在一块0.157 cm厚的PCB上一个通孔就可以增加1.2 nH的寄生电感和0.5 pF的寄生电容;这就是为什么在给PCB布线时一定要时刻保持戒备的原因,要将寄生效应的影响降至最小。
接地平面
实际上需要讨论的内容远不止本文提到的这些,但是我们会重点突出一些关键特性并鼓励读者进一步探讨这个题。
接地平面起到公共基准电压的作用,提供屏蔽,能够散热和减小寄生电感(但它也会增加寄生电容)的功能。虽然使用接地平面有许多好处,但是在实现时也必须小心,因为它对能够做的和不能够做的都有一些限制。
理想情况下,PCB有一层应该专门用作接地平面。这样当整个平面不被破坏时才会产生最好的结果。千万不要挪用此专用层中接地平面的区域用于连接其它信号。由于接地平面可以消除导体和接地平面之间的磁场,所以可以减小印制线电感。如果破坏接地平面的某个区域,会给接地平面上面或下面的印制线引入意想不到的寄生电感。
因为接地平面通常具有很大的表面积和横截面积,所以使接地平面的电阻保持最小值。在低频段,电流会选择电阻最小的路径,但是在高频段,电流会选择阻抗最小的路径。
然而也有例外,有时候小的接地平面会更好。如果将接地平面从输入或者输出焊盘下挪开,高速运算放大器会更好地工作。因为在输入端的接地平面引入的寄生电容,增加了运算放大器的输入电容,减小了相位裕量,从而造成不稳定性。
正如在寄生效应一节的讨论中所看到的,运算放大器输入端1 pF的电容能引起很明显的尖脉冲。输出端的容性负载——包括寄生的容性负载——造成了反馈环路中的极点。这会降低相位裕量并造成电路变得不稳定。
如果有可能的话,模拟电路和数字电路——包括各自的地和接地平面——应该分开。快速的上升沿会造成电流毛刺流入接地平面。这些快速的电流毛刺引起的噪声会破坏模拟性能。模拟地和数字地(以及电源)应该被连接到一个共用的接地点以便降低循环流动的数字和模拟接地电流和噪声。
在高频段,必须考虑一种称为“趋肤效应”的现象。趋肤效应会引起电流流向导线的外表面——结果会使得导线的横截面变窄,因此使直流(DC)电阻增大。虽然趋肤效应超出了本文讨论的范围,这里还是给出铜线中趋肤深度(Skin Depth)的一个很好的近似公式(以cm为单位):

(5)
低灵敏度的电镀金属有助于减小趋肤效应。
布线和屏蔽
PCB上存在各种各样的模拟和数字信号,包括从高到低的电压或电流,从DC到GHz频率范围。保证这些信号不相互干扰是非常困难的。
回顾前面“谁都别信”部分的建议,最关键的是预先思考并且为了如何处理PCB上的信号制定出一个计划。重要的是注意哪些信号是敏感信号并且确定必须采取何种措施来保证信号的完整性。
接地平面为电信号提供一个公共参考点,也可以用于屏蔽。如果需要进行信号隔离,首先应该在信号印制线之间留出物理距离。下面是一些值得借鉴的实践经验:
减小同一PCB中长并联线的长度和信号印制线间的接近程度可以降低电感耦合。减小相邻层的长印制线长度可以防止电容耦合。需要高隔离度的信号印制线应该走不同的层而且——如果它们无法完全隔离的话——应该走正交印制线,而且将接地平面置于它们之间。正交布线可以将电容耦合减至最小,而且地线会形成一种电屏蔽。
在构成控制阻抗印制线时可以采用这种方法。高频(RF)信号通常在控制阻抗印制线上流动。就是说,该印制线保持一种特征阻抗,例如50Ω(RF应用中的典型值)。两种最常见的控制阻抗印制线,微带线4和带状线5都可以达到类似的效果,但是实现的方法不同。
微带控制阻抗印制线,如图9所示,可以用在PCB的任意一面;它直接采用其下面的接地平面作为其参考平面。

图9. 微带传输线。
公式(6)可以用于计算一块FR4板的特征阻抗。

(6)
H表示从接地平面到信号印制线之间的距离,W表示印制线宽度,T表示印制线厚度;全部尺寸均以密耳(mils)(10-3英寸)为单位。εr表示PCB材料的介电常数。
带状控制阻抗印制线(参见图10)采用了两层接地平面,信号印制线夹在其中。这种方法使用了较多的印制线,需要的PCB层数更多,对电介质厚度变化敏感,而且成本更高——所以通常只用于要求严格的应用中。
图10. 带状控制阻抗印制线。
用于带状线的特征阻抗计算公式如公式(7)所示。

(7)
保护环,或者说“隔离环”,是运算放大器常用的另一种屏蔽方法,它用于防止寄生电流进入敏感结点。其基本原理很简单——用一条保护导线将敏感结点完全包围起来,导线保持或者迫使它保持(低阻抗)与敏感结点相同的电势,因此使吸收的寄生电流远离了敏感结点。
图11(a)示出了用于运算放大器反相配置和同相配置中的保护环的原理图。图11(b)示出用于SOT-23-5封装中两种保护环的典型布线方法。

图11. 保护环。(a)反相和同相工作。(b)SOT-23-5封装。
还有很多其它的屏蔽和布线方法。欲获得有关这个问题和上述其它题目的更多信息,建议读者阅读下列参考文献。
结论
高水平的PCB布线对成功的运算放大器电路设计是很重要的,尤其是对高速电路。一个好原理图是好的布线的基础;电路设计工程师和布线设计工程师之间的紧密配合是根本,尤其是关于器件和接线的位置问题。需要考虑的问题包括旁路电源,减小寄生效应,采用接地平面,运算放大器封装的影响,以及布线和屏蔽的方法。
1.在PCB设计时,芯片电源处旁路滤波等电容应尽可能的接近器件,典型距离是小于3MM。
2.运算放大器芯片电源处的小陶瓷旁路电容在放大器处于输入高频信号时可以为放大器的高频特性提供能量电容值的选择根据输入信号的频率与放大器的速度选择例如,一个400MHz的放大器可能采用并连安装的0.01uF和1nF电容。
3.当我们购买电容等器件时,还需要注意他的自谐振荡频率,自谐振频率在此频率(400MHz)上下的电容毫无益处。
4.在画PCB时,放大器的输入输出信号脚以及反馈电阻的下面不要在走其他线,这样可以减小不同线之间的寄生电容的相互影响让放大器更稳定5.表面贴装器件的高频新能比较好同时又体积小6.电路板布线时走线尽可能的短同时还要注意的他的长与宽让寄生效应最小化7.对于电源线的处理电源线寄生特性最坏的直流电阻与自感所以我们在布电源线的时候尽可能的加宽些8.对于放大器输入输出连接线上面的电流非常小所以这样他们是很容易受影响的寄生性效应对他们危害很大9.对于超过1CM的信号路径最好是用受控阻抗和两端终接(匹配电阻)的传输线10.放大器驱动阻容性负载为了解决稳定性的问题一种常用的技术是引入一个电阻ROUT 同时最好靠近运放 这样利用串联输出电阻实现对容性负载的隔离。
责任编辑;zl
上一篇:如何选择一款合适的PCB设计软件
下一篇:为什么PCB板要进行无卤制作