时间:2018-02-14 07:48
人气:
作者:admin
电子工程师在电路设计过程中,经常会碰到处理器MCU的I/O电平与模块的I/O电平不相同的问题,为了保证两者的正常通信,需要进行电平转换。以下,我们将针对电平转换电路做出详细的分析。
对于多数MCU,其引脚基本上是CMOS结构,因此输入电压范围是:高电平不低于0.7VCC,低电平不高于0.3VCC。
但在介绍电平转换电路之前,我们需要先来了解以下几点:
1、解决电平转换问题,最根本的就是要解决电平的兼容问题,而电平兼容原则有两条:①VOH>VIH ②VOL

图1 阈值电压
2、对于多电源系统,某些器件不允许输入电平超过电源电压,针对有类似要求的器件,电路上应适当做些保护。
3、电平转换电路会影响通信速度,所以使用时应当注意通信速率上的要求。
4、不同转换方式的驱动能力有所不同,在选择上应适当地加以考虑。
5、当需要转换的路数较多时,转换方式选择不当将会导致元器件较多,或布线不方便。
下面通过致远电子MiniARM核心板的实例来给大家分享常用的电平转换电路方法。
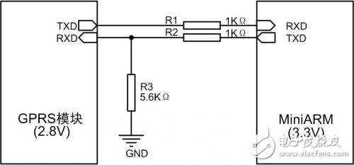
电阻分压法是最简便的一种方法,该电路的工作方式是对逻辑电平高的进行分压。以MiniARM核心板与GPRS模块通信为例。MiniARM核心板IO电平为3.3V,而GPRS模块的IO电平为2.8V,两者之间通信时可以用图2来实现电平匹配。

图2 电阻分压法
对电阻分压的转换电路进行测试,转换后波形如图3所示。

使用二极管来实现电平匹配,以MiniARM核心板与GPRS模块为例。

图4 二极管钳位法
当GPRS模块TXD为高电平时,由于二极管D2的钳位作用,MiniARM的RXD会得到2.8V+VF高电平电压。当MiniARM的TXD为高电平时,由于二极管D1的钳位作用,GPRS模块的RXD会得到2.8V+VF高电平电压。