时间:2018-05-18 02:58
人气:
作者:admin
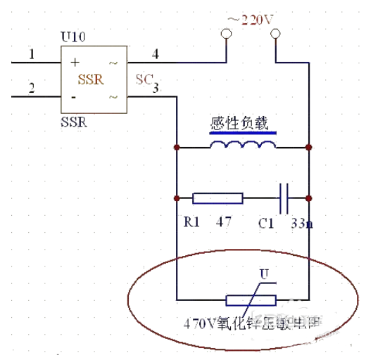
压敏电阻一般并联在电路中使用,当电阻两端的电压发生变化并超出额定值时,电阻内阻急剧变小,呈现短路状态,将串连在电路上的电流保险丝熔断,起到保护作用。压敏电阻在电路中,常用于电源过压保护和稳压。 用压敏电阻三参数测试仪,可测出压敏电压,漏电流,@线形系数。 在业余工作情况下,测量时将万用表置10k档,表笔接于电阻两端,万用表上应显示出压敏电阻上标示的阻值,如果偏离这个数值很大,则说明压敏电阻已损坏。
压敏电压UN(U1mA):通常以在压敏电阻上通过1mA直流电流时的电压来表示其是否导通的标志电压,这个电压就称为压敏电压UN。压敏电压也常用符号U1mA表示。压敏电压的误差范围一般是±10%。在试验和实际使用中,通常把压敏电压从正常值下降10%作为压敏电阻失效的判据。
最大持续工作电压UC:指压敏电阻能长期承受的最大交流电压(有效值)Uac或最大直流电压Udc。一般Uac≈0.64U1mA,Udc≈0.83U1mA
最大箝位电压(限制电压)VC:最大箝位电压值是指给压敏电阻施加规定的8/20μs波冲击电流IX(A)时压敏电阻上呈现的电压。
漏电流Il:给压敏电阻施加最大直流电压Udc时流过的电流。测量漏电流时,通常给压敏电阻加上Udc=0.83U1mA的电压(有时也用0.75U1mA)。一般要求静态漏电流Il≤20μA(也有要求≤10μA的)。在实际使用中,更关心的不是静态漏电流值本身的大小,而是它的稳定性,即在冲击试验后或在高温条件下的变化率。在冲击试验后或在高温条件下其变化率不超过一倍,即认为是稳定的
一般可用下式计算:
U1mA=KUac 式中:K为与电源质量有关的系数,一般取K=(2~3),电源质量较好的城市可取小些,电源质量较差的农村(特别是山区)可取大些。Uac为交流电源电压有效值。对于220V~240V交流电源防雷器,应选用压敏电压为470V~620V的压敏电阻较合适。选用压敏电压高一点的压敏电阻,可以降低故障率,延长使用寿命,但残压略有增大

标称放电电流的计算:
压敏电阻的标称放电电流应大于要求承受的浪涌电流或每年可能出现的最大浪涌电流。标称放电电流应按压敏电阻浪涌寿命次数定额曲线中冲击10次以上的数值进行计算,约为最大冲击通流量的30%(即0.3 IP)左右


压敏电阻的并联:
当一个压敏电阻满足不了标称放电电流的要求时,应采用多个压敏电阻并联使用。有时为了降低限制电压,即使标称放电电流满足要求也采用多个压敏电阻并联。要特别注意的是,压敏电阻并联使用时,一定要严格挑选参数一致的(例如:ΔU1mA≤3V,Δα≤3)进行配对,以保证电流的均匀分配
