时间:2018-05-18 13:16
人气:
作者:admin
三端集成线性稳压器的电路原理及应用,1.三端固定式集成稳压器如果将前述的串联型稳压电源电路全部集成在一块硅片上,加以封装后引出三端引脚,
如果将前述的串联型稳压电源电路全部集成在一块硅片上,加以封装后引出三端引脚,就成了三端集成稳压电源了。
正电压输出的78××系列,负电压输出的79××系列。其中××表示固定电压输出的数值。如:7805、7806、7809、7812、7815、7818、7824等,指输出电压是+5V、+6V、+9V、+12V、+15V、+18V、+24V。79××系列也与之对应,只不过是负电压输出。这类稳压器的最大输出电流为1.5A,塑料封装(TO-220)最大功耗为10W(加散热器);金属壳封装(TO-3)外形,最大功耗为20W(加散热器)。

⑴固定输出连接

在使用时必须注意:(VI)和(Vo)之间的关系,以W7805为例,该三端稳压器的固定输出电压是5V,而输入电压至少大于8V,这样输入/输出之间有3V的压差。使调整管保证工作在放大区。但压差取得大时,又会增加集成块的功耗,所以,两者应兼顾,即既保证在最大负载电流时调整管不进入饱和,又不致于功耗偏大。
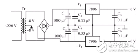
⑵固定双组输出连接

⑶扩大输出电流连接
二极管D以低消T管VBE压降而设置,扩大的输出电流为: ,原输出电流是Io,现可以近似扩大β倍。

7824是一个24V的三端稳压集成电路,用万用表只能大体测量一下它的好坏。7824外形和塑封三极管一样,也有3个引脚,面向有字的一面,引脚朝下,其引脚从左至右分别是输入端,接地端和稳压输出端。可以用万用表电阻档测量个引脚之间的电阻来判断好坏,最好找个好的7824对比着测量。可参考下图检测.

如
用万用表Rx1 档红表笔接中间脚,黑表笔接其余两脚,表针应该不动。如果表针偏转,说明7824坏了。再将黑表笔接中间脚,红表笔接其余两脚,表针应偏转表盘刻度的1/3或1/2,如果表针不偏转或满偏,都说明7824坏了。