时间:2009-12-19 15:09
人气:
作者:admin
利用屏幕截图和TLP 进行ESD 保护元件的大电流性能鉴定
Ashton 博士说在正常工作条件下,ESD 保护元件应该保持在不动作状态,同时不会对电子系统的功能造成任何影响,这可以通过维持低电流以及足以在特定数据传输速率下维持数据完整性的低电容值来达成。而在ESD 应力冲击或者说大电流冲击条件下,ESD保护元件的第一个要求就是必须能够正常工作,要有够低的电阻以便能够限制受保护点的电压;其次,必须能够快速动作,这样才能使上升时间低于纳秒的ESD 冲击上升时间。众所周知,对于电子系统而言,它必须能够在IEC 61000-4-2 标准测试条件下存续。虽然大部分的ESD 保护元件都宣称能够承受IEC61000-4-2 所指定的应力冲击等级,如8 kV 或第四级(Class 4),但业界却没有公认的ESD 保护元
件大电流抑制特性测试的合格标准。对此,安森美半导体给出了自己的定义,也就是在±10 kV 应力电压(高于8 kV)测试下,被测器件仍然符合其数据表规范,且器件特性没有显著变化。不过,要比较不同ESD 保护元件的大电流抑制特性,还需要对其进行测试鉴定。而通过对不同ESD 保护元件施加大电流冲击所产生的波形的屏幕截图对比,是重要的第一步。
图 2 TVS 元件与压敏电阻在8kV IEC 61000-4-2 应力冲击测试下的输出波形对比。图 2 的屏幕截图就是这样一个范例。从图中可以看出,安森美半导体的TVS 元件可以迅速将ESD 应力降低,即从8 kV 静电电压钳位到5 至6 V 的水平;但压敏电阻的曲线则下降得很慢,而且无法降到很低的水平。该曲线表明,TVS 器件的恢复时间非常短,经过TVS 器件泄漏到后面电路的能量也非常少,特别适合于便携式设备的应用。而在多重应力条件下,两者的差别就表现得更为突出。由于TVS 采用二极管工作原理,受到电击后,会立即击穿,然后关闭,对器件没有损伤,因此可以说没有寿命限制。对于压敏电阻而言,它采用的是物理吸收原理,每经过一次ESD 事件,材料就会受到一定的物理损伤,形成无法恢复的漏电通道;而且,要达到更好的吸收效果,就要使用更多的材料,使其体积增加,进而限制了在今天小型化产品当中的应用。
有鉴于此,安森美半导体标准产品部亚太区市场营销副总裁麦满权先生打了一个比方,也就是在ESD 保护方面,压敏电阻保护施展的是“少林功夫”,用“身体(压敏电阻)”去硬扛,会让自己“很受伤”,而TVS 耍的是“太极拳”,在ESD 应力冲击IC 之前,就将冲击力给“引导开”或“消减掉”。
两相对比,其结果是在施加1,000 次8kV IEC 61000-4-2 ESD 脉冲条件下,安森美半导体的TVS 元件的漏电流小于0.1 μA,而压敏电阻在少于20 个ESD 脉冲下漏电流就会超过100 μA。由此可见,在重复ESD 应力作用下,TVS 仍能维持极高的性能,而压敏电阻的性能会随之下降,聚合物也面临着跟压敏电阻类似的问题。

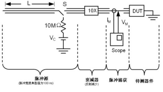
图3 时域反射(TDR) TLP 测试的结构示意图。
不过,用示波器对不同保护元件在ESD 应力冲击测试下的大电流抑制特性或者说是I-V 曲线进行屏幕截图对比也存在不足之处。首先便是这种屏幕截图上的V(t)与I(t)的变化非常复杂,且并不能测量击穿电压、维持电压、维持电流以及二次击穿电流等基础参数,而通过对这些参数的分析可以找到电路设计和工艺的弱点。
在这种情况下,采用传输线路脉冲(TLP)方法就是很好的下一步。所谓的TLP 测试,就是一种利用矩形短脉(50~200 ns)来测量ESD 保护元件的电流-电压特性曲线的方法。这个短脉冲用来模拟作用于保护元件的短ESD 脉冲,而恒定阻抗的传输线路可以生成恒定幅度的方波。
TLP 测试通过方波测试脉冲加到待测器件(DUT)的两个引脚之间进行测试。TLP 测试前要先对电路中的传输线路充电,测试时将被测器件接入,传输线路通过被测器件放电。改变电路和输入电压和传输线路的长度可以模拟不同能量的ESD 脉冲,从而得到器件的ESD 大电流抑制能力。TLP 测试先从小电压脉冲开始,随后连续增加直到获得足够多的数据点,以作出完整的I-V 曲线。通常测试脉冲的幅度会加大到使DUT 彻底损伤为止,作而获得其精确的允许最大脉冲电流。
总的来看,ESD 保护元件的TLP 测试方法优势突出,不仅可以确认屏幕截图数据,还可用于解析ESD 保护元件的基础参数,非常适用于对不同保护元件进行对比。
图4 不同ESD 保护元件的TLP 测试I-V 曲线。
结合 ESD 脉冲测试和TLP 测试,我们可以得出结论,在不同ESD 保护元件中,TVS
元件,特别是安森美半导体的TVS 元件的大电流导电率极佳,且在重复应力条件下仍能
维持优异性能,不存在压敏电阻或聚合物那样的使用增多后会出现性能下降的问题;至于
其在电容方面的不足,也随着新的低电容设计的出现,而消除了早前的大电容问题。