时间:2022-08-09 09:25
人气:
作者:admin
电子行业提供基于各种电路解决方案的驱动器,以应对所有不同的照明应用,同时满足所有技术要求。
在过去的几年里,由于许多有保证的优势(更高的效率、更节能、更长的寿命、更长的使用寿命、成本更低)与其他技术相比。
尽管如此,设计人员每天都在继续面临新的挑战:事实上,对具有低电噪声、高光强度调节(调光器)比和高级保护功能(如极性反转)的紧凑、高效驱动器的需求不断增加, 对GND或Vcc短路,过流或过压保护,过温保护。所有参数保证电流和光通量之间的正确关系。
LED 驱动器本质上是电源,以适合其操作的方式向 LED 供电,但可以通过配备逻辑功能的设备以或多或少先进的方式控制此功能。
LED驱动器
电源的精度以及电压和电流的波动是正确驱动器的基本设计参数。恒流 LED (DC) 驱动器通过具有可变电压的电子电路保持恒定电流,并且通常是 LED 应用最流行的选择。恒压 (CV) LED 驱动器是电源,用于并行操作多个 LED,例如 LED 灯条。
使技术场景进一步复杂化的还有另外两个因素:各种照明应用需要许多不同类型的驱动器;每个特定的驱动器还必须满足许多反映在 LED 驱动器设计阶段的技术要求。其中包括温度和湿度、电压范围、电磁干扰和兼容性 (EMC),以及资格测试规定的可靠性要求。
如果电源允许产生高质量的光,以获得最大的光转换效率(以每瓦流明计)并延长 LED 的寿命,则电源是正确的。LED 灯的质量主要取决于电流的精确调节。
LED 照明应用的主要区别在于它们的功率:通常,在低功率应用(高达 20 瓦)、中(20 至 50 瓦)和高(超过 50 瓦)之间有所区别。低功率应用的一个例子是家用灯泡,而在该范围的另一端,我们发现大型户外区域(如停车场)的照明。
集成电路驱动器
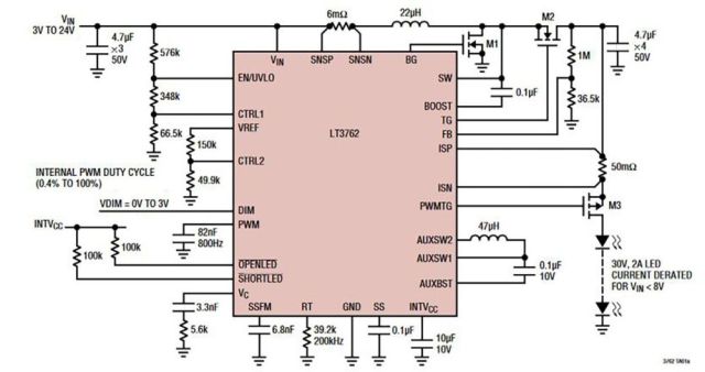
LT3762 是一款高效率同步 LED 控制器升压驱动器,具有高达 60V 的输出电压。这款新的 ADI 驱动器集成了一个内部可编程 PWM LED 信号发生器和用于低 EMI 噪声水平的扩频频率调制。内部 PWM 生成提供 250:1 比率调光,但也可以实现 3000:1 外部调光或模拟调光。其他特性包括具有每周期限制的电流控制模式、100kHz 和 1MHz 之间的可调开关频率、可编程锁定欠压、开路 LED 保护和带有故障状态指示器的短路 LED、过流 LED 保护和热关断(图 1) )。

图 1:LT3762 的典型应用电路 [来源:Analog Devices]
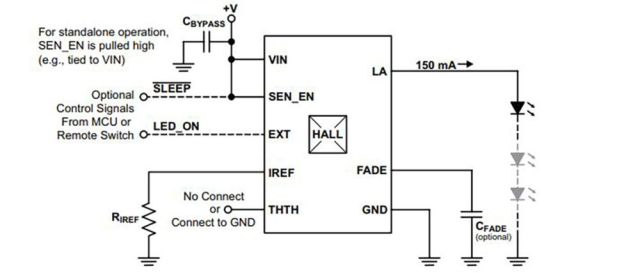
A1569 是带霍尔传感器的 LED 驱动器;它是大型家用电器、消费电子、辅助照明和汽车内部照明的理想解决方案,符合 AECQ-100 标准。这种解决方案确实是同类中独一无二的:它是第一个(高度集成的)解决方案,它将霍尔效应传感器与系统开关功能、线性和可编程电流调节器“结合”在单个集成电路 (SO8) 中,能够提供高达 150 mA 的电流来“控制”一个或多个 LED。仅 800mV 的压差也是该器件的特征,从而确保 Vin 的最小电压仅为 7V(图 1)。

图 2:A1569 IC 的典型应用电路 [来源:Allegro]
基于全极霍尔效应技术的固态开关;集成到设备中支持无声激活,无需接触,与多次出现故障的机械开关相比,这是一次重大升级。该开关高度灵敏(工作点 S = 40 G,TYP),可以支持各种机械配置和具有各种气隙和机械错位程度的不同外壳(图 2)。
审核编辑:汤梓红上一篇:太阳能LED照明系统的构成及特点