时间:2021-03-01 14:11
人气:
作者:admin
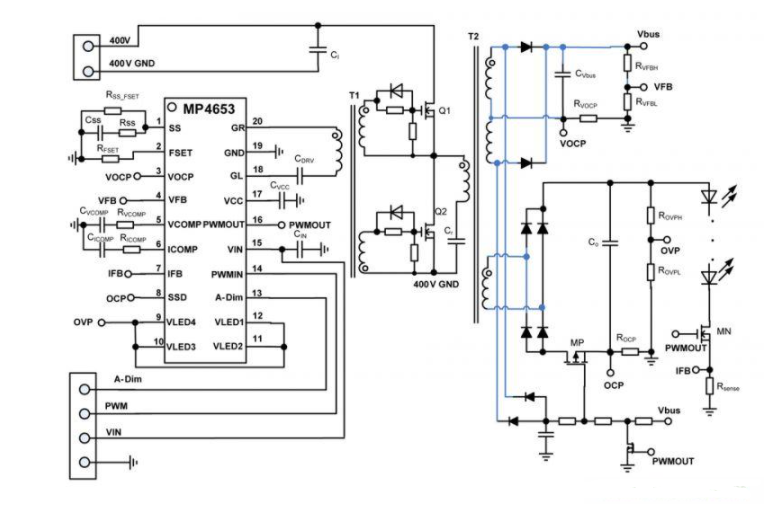
MP4653是一款CC/CV模式LLC 电视LED驱动器,用于LED背光应用,尤其是大尺寸电视LED背光应用。它采用9V至30V输入电源供电,为外部功率级输出两个180度相移驱动信号。其增强型9V栅极驱动器提供了足够的驱动能力,可以通过外部栅极驱动变压器直接驱动外部MOSFET。

MP4653集成了一个用于LED电流调节的恒定电流控制环路,以及一个用于DC总线电压调节的恒定电压控制环路,DC总线电压与其他DC/DC变换器一起工作,可以生成系统电源(如12V/5V)。CC/CV控制环路可以设置LLC功率级的工作频率,从而实现对LED电流以及总线电压的调节。MP4653结合了LED电流的模拟调光和PWM调光功能。
它输出驱动信号以直接驱动调光MOSFET,实现了快速、高对比度的PWM调光。PWM调光信号同时也用于CC/CV模式控制。PWM开启时,CC模式有效,LED电流得到调节;PWM关闭时,CV模式有效,DC总线电压得到调节。栅极驱动信号以及通过功率级的能量在PWM开启和关闭时均能保持连续。这消除了PWM调光时的系统可闻噪声。
MP4653还提供充分的智能保护功能,以提高系统可靠性。它同时为DC总线级和LED驱动级提供故障保护。对DC总线级的保护功能包括过压保护、过流保护以及短路保护。
产品特性和优势
● 副边“ Real LIPS” LLC控制器
● CC/CV频率控制回路
● 消除可闻噪音
● PWM调光和LED故障情况下提供连续驱动信号
● 输入电压范围:9V 至 30V
● 模拟和 PWM 调光功能
● VIN 欠压锁定保护
● DC总线输出过压保护
● DC总线短路保护
● 系统自动恢复和打嗝定时器
● LED 开路/短路保护
● LED输出过压保护、LED过流保护
● LED灯串任意点对GND的短路保护
● 采用SOIC20封装
应用领域
● 液晶电视和监视器
● 台式液晶平板显示器
● 平板视频显示器
● 街道照明
编辑:hfy