时间:2018-01-31 10:37
人气:
作者:admin
要设计这款电路,首先要确定12V蓄电池最多能驱动多少个串联的HBLED,需要在最不利的条件下能够正常工作为设计依据。其最不利的条件是:每只HBLED正向电压4V、蓄电池的最低电压10V、MC34063最大占空比为5/6,在这种条件下,蓄电池通过MC34063的功率变换和电流控制后的最高输出电压为

很显然这个电压可以满足两只HBLED串联式的工作电压,也就是说用12V蓄电池在最低电源电压时通过MC34063的控制仍可以驱动两只HBLED。
根据HBLED的特性以及12V电源电压、2只HBLED串联,电路确定为降压型电路拓扑,控制方式选择峰值电流型控制和最大电压限制。用MC34063构成的HBLED驱动电路如下图所示。

电路由MC34063、电流检测电阻Rse、输入旁路电容器Ci、续流二极管VD、电感L、输出滤波电容器C。、输出电压检测电阻R1和R2以及被驱动的HBLED构成。其中,MC34063与VD、L、C。构成降压型变换器。
在此电路中续流二极管应选择肖特基二极管,可以选择常见的1N5819(1A/40V)或选择额定电压在30V以上、额定电流不低于0.SA的其他型号和封装的肖特基二极管。
上图电路中的输入电容器选择了100μF/16V的铝电解电容器,一般来说能够满足要求。但是,从性能角度考虑,100μF/16V铝电解电容器的等效串联电阻至少为2Q,而50kHz频率下的容抗仅为31.8mΩ!容抗远低于等效串联电阻。这时的电源旁路效果将取决于电容器的等效串联电阻,在0.25A交流电成分流过旁路电容器时,会在电源两端产生约0.SV有效值电压的交流成分,至少会产生1V(峰一峰值电压)的电压波动。尽管这可以保证电路的正常工作,但使用起来还是感觉不那么舒服。如果用封装为1206、介质为X5R的10μF/16V陶瓷贴片电容器(零售价约0.2元),则其等效串联电阻将低于lOmΩ,对应的容抗为0.318Q,总的阻抗低于100μF,远低于铝电解电容器的电容值,输入电源的电压尖峰将得到有效地抑制,可以降低到用铝电解电容器的1/10。
输出滤波电容器的选择需要考虑输出电流中的交流成分在输出滤波电容器和HBLED之间如何分配的问题。如果负载是恒流源,则交流阻抗非常高,绝大多数的交流成分被分流到输出滤波电容器中。如果是电阻性负载,由于输出滤波电容器的阻抗肯定远低于负载,因此负载上的交流成分电流也比较低或者会很低。
此电路首先要确定24V蓄电池最多能驱动多少个串联的HBLED,需要在最不利的条件下能够正常工作为设计依据。其最不利的条件是,每只HBLED的正向电压为4V、蓄电池的最低电压为20V、MC34063的最大占空比为5/6在这种条件下,蓄电池通过MC34063的功率变换和电流控制后的最高输出电压为

显然,这个电压可以满足两只HBLED串联式的工作电压。也就是说,用24V蓄电池在最低电源电压时,通过MC34063的控制仍可以驱动4只HBLED。
24V蓄电池供电的HBLED驱动电路如下图所示。

LED楼道灯的电路如下图所示。电路由电容降压电路、整流电路、LED发光电路和光电控制电路等部分组成。

220V交流电经电容C1、R1降压限流后在A、B两点的交流电压约为15V,由VD1~VD4.进行整流,在C2上得到约14V的直流电压作为高亮度发光二极管VD5~VD8的工作电压,发光二极管的工作电流约为14mA。由于电容C1不消耗有功功率,泄放电阻消耗的功率可忽略不计,因此整个电路的功耗约为15×0.014≈0-2(W)。
为了进一步节省电能和延长高亮度发光二极管的使用寿命,电路中加入了由光敏电阻R2、电阻R3和三极管VT1等组成的光电控制电路,在夜晚光敏电阻R2的阻值可达100K以上,这时C2两端的电压经R2、R3分压后提供给VT1基极的直流偏置电压很小,VT1截止,对发光二极管的工作没有任何影响;白天时,由于光电效应的作用,R2的阻值可减小到1OK以下,这时VT1导通并接近饱和,由于通过C1的电流最大只能达到15mA,由于VTl的分流,C2上的电压可下降到4V以下。
LM317或者MC33269制作的大功率LED恒流驱动电路

驱动电流=1.25/3.6=0.35A,改变3.6Ω电阻可以获得不同的恒定电流。
输入电压必须大于“灯串电压+3V”才能可靠工作,LM317上要加散热器。
LED灯在使用时需要多颗灯珠串联或者并联起来才能工作,采用并联方式驱动多只LED虽然所需的电压较低,但由于每只LED的正向压降不同,使得每只LED的亮度不同,除非采用单独的调节的方式来保证每只LED有相同的亮度。所以并联方式要保证亮度均匀一致,实现起来比较复杂。而采用串联方式能够保证流过每只LED的电流相同,亮度一致,是目前常用的结构。
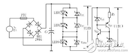
当采用串联型的驱动方式时,如果其中一个或几个LED发生故障而断路(短路对电路影响较小可忽略),会使电路发生断路而不能正常工作。为了避免此缺陷,可在每个LED两端反向并联一个稳压管(如图1所示),当某个LED灯珠发生断路时,其并联的稳压管投人工作,保证了串联灯珠电流不变。要注意的是,稳压管的稳压值要比LED的导通电压要高,否则并联的稳压管会分流掉一部分电流而使LED将变暗甚至不亮。

图 1 LED串联驱动电路
本文采用串联驱动方式,其LED线性恒流控制电路如图2所示。

图2 LED恒流控制电路
图中,Vz1、Vz2、VQ1、VQ2、R1、R2构成线性恒流源,它保证了流过每只白光LED的电流相同,得到均匀的亮度。LED驱动电源采用市电直接整流滤波,得到控制LED的直流工作电压,无需升压或降压处理,故电源驱动电路简洁,且电源效率高。所使用的LED是高亮度的白光LED(工作电压范围为:3.0~3.2V),利用94个LED灯珠组成LED日光灯。
下面,进行线性恒流源电路的工作原理分析,电路采用互补型两端恒流源结构,如图3所示。

晶体管VQ1,稳压管Vz1和R1构成一个恒流源,此恒流源给稳压管Z2提供稳定的工作电流,而晶体管VQ2,稳压管Vz2和R2构成另一个恒流源共给稳压管Vz1稳定的工作电流。由于两个恒流源互相稳定对方的稳压管工作点,使稳定电压Vz1和Vz2以及流过该恒流单元的总电流均不再变化,因此可以保证流过LED的工作电流的恒定。
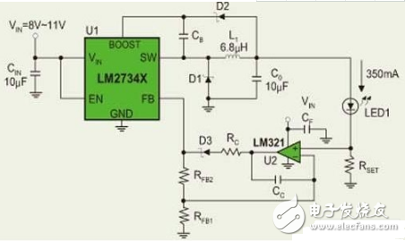
LM2734是1A降压型稳压器。基于LM2734的恒流驱动电路(如下图所示)利用LM321运算放大器获取采样电阻Rset上的电压,结合其它电阻和电容就可以构成一个完整、高效率的大功率LED恒流驱动电路。在实际使用中,有些LED恒流驱动电路可以直接从采样电阻获取反馈电压,如图所示。
