时间:2018-01-31 10:32
人气:
作者:admin
在单片机系统设计中,LED显示方式由于具有使用方便、价格低廉等优点而得到广泛应用。在采用并行显示方式时,显示电路的段码与位控码要占用单片机的较多口线,尽管可采用8155等接口芯片进行扩展,但口线利用率仍较低,不能满足大型控制系统的要求。采用串行显示方式则只需占用2至3根口线,节约单片机大量的I/O线,且使用效果很好。本任务利用74HC595A实现多位LED串行显示。
74HC595芯片
1.74HC595A工作原理
74HC595A内部含有8位移位寄存器和8位D锁存器,内部结构见图所示。

74HC595A内部逻辑结构

74HC595与数码管连接
串行移位寄存器接收外部输入串行数据,一方面可进行串行数据输出,同时向锁存器提供8位并行输入数据,并具有异步复位功能;8位锁存器可三态输出并行数据。该芯片具有串行输入、并行输出两个独立的时钟信号。

74HC595A逻辑功能表
注:U:不变;N:数据刷新;Z:高阻。
2.应用电路设计
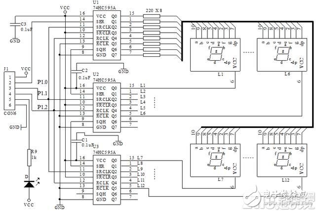
下图为12位LED显示器应用电路。若采用普通的LED并行显示方式需扩展单片机接口,电路复杂、成本高。本系统利用三片74HC595A芯片实现12位串行LED显示控制。使用时,在串行时钟的控制下,可将显示器位控码与段控码逐位串行输入至三个芯片中,然后利用锁存信号实现并行输出,完成12数数码显示更新。利用此显示方式仅占用单片机三根口线,极大节约单片机口线资源。采用串行数据输入,显示速度相对较慢,实际使用时显示效果稳定、可靠,完全满足设计要求。

12位LED串行显示应用电路
初始位控码设定为显示第一位数码管(共阴极),见下表第一行位控码。每显示完一位,需要改变位控码以显示下一位,下表反映了位控码的变化情况。1区寄存器R6、R7用于存放处理位控码。

12位LED显示器位控码形成示意图
3. 显示程序工作方式
本程序采用定时方式控制显示器工作。12位显示器采用动态扫描显示,每位显示器显示时间大约为1.67ms,由定时器T0控制。T0定时时间到产生显示中断,进入显示中断程序显示下一位数据。这种显示方式可提高CPU的工作效率,可准确控制显示器的刷新速度。
4.中断显示子程序应用
编制一程序,在12位数码管上依次显示0、1、2、3、4、5、6、7、8、9、0、1
ORG 0000H
DSDATE BIT P1.0 ;串行数据输入
DSCLK BIT P1.1 ;串行移位时钟
DSLUCK BIT P1.2 ;并行锁存时钟
DISBUF EQU 51H ;显示缓冲区首址
DS20 EQU 34H ;20ms定时寄存器(12位显示计数器)
LJMP MAIN ;转主程序
ORG 000BH
LJMP TIMINT ;转定时显示中断子程序
MAIN: MOV SP,#70H ;置椎栈指针
MOV 51H,#00H ;预置显示缓冲区
MOV 52H,#01H
MOV 53H,#02H
MOV 54H,#03H
MOV 55H,#04H
MOV 56H,#05H
MOV 57H,#06H
MOV 58H,#07H
MOV 59H,#08H
MOV 5AH,#09H
MOV 5BH,#00H
MOV 5CH,#01H
MOV 08H,#DISBUF ;1区R0指向显示缓冲区首址
MOV 0EH,#07H ;置初始位控码(1区R6)
MOV 0FH,#0FFH ;置初始位控码(1区R7)
MOV TMOD,#01H ;置T0为1.67ms定时器
MOV TL0,#00H
MOV TH0,#0FAH
MOV DS20,#12 ;置显示位数计数器
SETB TR0 ;启动T0
SETB EA ;开中断
SETB ET0 ;开T0中断
HERE: SJMP HERE
TIMINT: PUSH PSW ;定时显示中断子程序,状态字进栈
MOV PSW,#08H ;重置状态字,选择1区工作寄存器
PUSH ACC ;累加器进栈
PUSH B ;B寄存器进栈
CLR TR0 ;停止T0定时
MOV TH0,#0FAH ;重置1.67ms定时初值
MOV TL0,#00H
SETB TR0 ;启动T0定时
MOV R5,0FH ;位控码送R4、R5
MOV R4,0EH
LCALL DIS1 ;调用显示一位数码管子程序
SETB C ;形成显示下一位位控码并置于1区R6、R7中
MOV A,R6
SETB ACC.4
RRC A
MOV R6,A
MOV A,R7
RRC A
MOV R7,A
DJNZ DS20,LOOP1 ;12位显示完了否,没完退出,若显示完重置
MOV DS20,#12 ;重置显示计数器
MOV R0,#DISBUF ;重置显示缓冲区指针
MOV R7,#0FFH ;重置初始位控码
MOV R6,#07H
LOOP1: POP B ;恢复现场
POP ACC
POP PSW
RETI ;中断返回
DIS1: MOV DPTR,#TAB ;显示一位数码管子程序,指向段码表
MOV A,@R0 ;取待显示字符数据
INC R0 ;修改缓冲区指针
MOVC A,@A+DPTR ;查表取显示字符段码
MOV R3,A ;将段码与位控码组合成20位有效串行码
MOV R1,#0CH ;20位有效串行码置于R3、R4、R5中
MOV A,@R1
SWAP A
MOV @R1,A
MOV A,R3
XCHD A,@R1
MOV A,@R1
SWAP A
MOV @R1,A
MOV A,R3
SWAP A
MOV R3,A
MOV R1,#20 ;置串行输出计数器
DIS0: MOV A,R3 ;R3、R4、R5串行移位,由R5高位输出。
RRC A
MOV R3,A
MOV A,R4
RRC A
MOV R4,A
MOV A,R5
RRC A
MOV R5,A
MOV DSDATE,C ;最高位送至595芯片串行输入端
SETB DSCLK ;产生595芯片串行输入信号
NOP
CLR DSCLK ;串行输入锁存
DJNZ R1,DIS0 ;20位二进码输出完否,没完继续
SETB DSLUCK ;产生595芯片并行输出信号,字符开始显示
NOP
CLR DSLUCK ;输出字符数据由595芯片锁存
RET
TAB: DB 3FH,06H,5BH ;显示段码表
DB 4FH,66H,6DH
DB 7DH,07H,7FH
DB 6FH,00H,40H