时间:2018-02-04 10:33
人气:
作者:admin
本款省电的LED调光台灯光源采用1W大功率与φ5mm小功率LED混合型组件,调光电路也别具一格为触发器调光电路,结构简单加一片运放,实际照度不亚于25W白炽灯,具有节能、可靠和使用寿命长等特点。
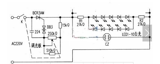
电路原理 电源取自变压器T加上桥式整流D1~D4将市电220V变为直流14V工作电源。运放A1与稳压器IC1组成基准电压供运放A2以及外围电阻R3-R6等组成触发器电路的同相输入基准电压,而反相输入经电阻R9取样,与同相输入作比较,使其输出端脉冲宽度由基准电位器RP调节,并经过驱动三极管BG1和功率三极管BG2放大后点亮LED1~LEDl5发光二极管组件,控制电位器RP即可控制电流大小,完成实际上的调光功能。这里,续流二极管D5与储能电感使输出电流平稳。
元器件要求 T为电源变压器,市售规格为8W9V可以代用。发光二极管组件LED1~LED6和LED10~LED15为φ5mm草帽形自然光色,两边各12枚,少画6枚,总共24枚;LED7~LED8为1W大功率也为自然光色,已带散热片,市场价格已大幅度下降为7元,划得来。但组装时三枚合一,另加装合适条形铝材以增加散热效果。运放A1与A2为双运放LM358,如有LM324完全通用,只是多了两个运放。IC1稳压器为TL31,稳压值为2.5V,其余电阻、电容为常规配置。
电感L1选取外径为φ15mm高频磁环用φ0.25mm漆包线穿绕40T即可。限流电阻R9功率为1W,阻值选取2.2Ω~3.0Ω。
调试 开启电源之后,在电容C1两端可测得直流14V电压,满负荷时为10.5V。发光二极管组件总电流由R9决定,选取适当值,保证流过LED7~LED9工作电流不少于350mA,两边φ5mm草帽形的每路工作电流不大于20mA,可在LEDl-LED6和LEDl0-LEDl5各串联一个20Ω的小电阻,以保持工作电流正常。市电输入端应安装电源开关,规格自选。

几块调光板,简单地组装成如图1所示调光灯,调节电位器,白光LED亮暗变化。根据个人喜好,LED可多组并联,
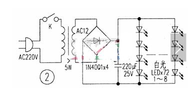
图一中是一组,可作夜灯,多组并联也可看书学习。R1或R2的阻值可适当减小,以增加亮度,但此时调光效果不明显。CZ插座可插入电烙铁,进行调温,此时可根据LED亮暗变化粗略指示烙铁温度。CZ也可插入图2所示LED灯,此时调节电位器就使图2电路变为调光灯了。
图二是小编用邮购的高亮白光LED板组装的LED灯。LED板板长146mm,板宽16mm,每板8只LED、4只一串,并带有15V稳压管。小编用9块板共72只_ED组成LED方阵,18串,用12V供电。可作夜灯,也可看书学习,是个适用的成本低廉的节能调光灯。



12VLED灯调光电路

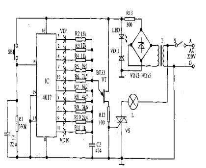
用CD4017制作的调光灯电路

本次设计驱动电路采用的是三极管驱动。三极管是一种控制元件,主要用来控制电流的大小,以共发射极接法为例(信号从基极输入,从集电极输出,发射极接地),当基极电压UB有一个微小的变化时,基极电流IB也会随之有一小的变化,受基极电流IB的控制,集电极电流IC会有一个很大的变化,基极电流IB越大,集电极电流IC也越大,反之,基极电流越小,集电极电流也越小,即基极电流控制集电极电流的变化。但是集电极电流的变化比基极电流的变化大得多,这就是三极管的放大作用。IC 的变化量与IB变化量之比叫做三极管的放大倍数β(β=ΔIC/ΔIB, Δ表示变化量。),三极管的放大倍数β一般在几十到几百倍。
三极管在放大信号时,首先要进入导通状态,即要先建立合适的静态工作点,也叫建立偏置,否则会放大失真。选择合适放大倍数三极管,通过放大电流驱动LED,三级管放大有成本低,易实现,易控制等优点。
设计中的LED驱动电路如下图8所示。本次设计中使用12个LED灯的串并联来模拟LED台灯,实现照明效果。使用的驱动三极管是SS8550,是一种PNP型三极管。

调光实现
LED的亮度受电流控制,通过控制电流调节LED灯的亮度。利用公式
(I为电流的幅值,LI为输出的平均电流值)可知,通过调整PWM不同的占空比
就可以控制电流的大小。
本设计中通过STC89C51单片机引脚P1.3输出PWM波,PWM波为高电平时,三极管Q1输出小电流,PWM波为低电平时,Q1输出大电流。即PWM改变占空比,则输出的平均电流发生改变,平均发光亮度改变,实现了对LED灯的调光。
