时间:2014-12-25 09:43
人气:
作者:admin
监控照明是全球节能的主流,而大功率LED 照明更是今后世界的照明发光系统的主流趋势。大功率LED具有亮度高、节能环保、安全性和稳定性高等特点,比传统光源节电60% ~ 70%.传统的声光控延时控制器能很好地实现对灯的控制,在光线黑暗时或晚上来临时,能有效地实现“人来灯亮,人去灯熄” , 但由于其开关用的是继电器之类的机械控制器,所以在人流量多的地方由于频繁的开关,较容易损坏。
LED射灯驱动电路
V IN 上电时,电感( L ) 和电流采样电阻( RS )的初始电流为零,LED 输出电流也为零(见图2 )。这时候,内部功率开关导通,SW 的电位为低。电流通过电感(L )、电流采样电阻( RS )、LED 和内部功率开关从V IN 流到地,电流上升的斜率由V IN、电感(L ) 和LED 压降决定,在RS 上产生一个压差VCSN, 当为 115 mV 时,内部功率开关关断,电流以另一个斜率流过电感( L )、电流采样电阻(R S )、LED和肖特基二极管( D ); 当( V IN-VCSN ) 为85mV时,功率开关重新打开,这样使得在LED 上的平均电流为IOUT = ( 0. 085+ 0. 015) /2 RS = 0. 1 /R S.如果不使用调光功能,可使DIM 引脚悬空,这时可输出设定的最大电流。

图2 LED射灯驱动电路
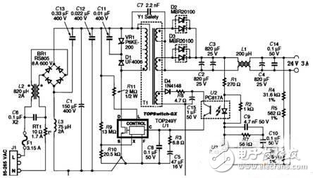
基于Top249Y的72W 开关电源适配器设计
开关电源电路
图3中C 6为X 型电容,滤除电网之间的串模干扰。L2为共模抑制器,可以滤除共模干扰,C 1 为输入滤波电容。R 11使用2MΩ的电阻值实现欠压和过压检测,同时提供降低输出电压频率纹波的电压前馈。TOP249Y 在本电路中的直流电压范围为100~ 450 V,一旦超出了该电压范围,TOP249Y 将自动关闭。电阻R 10使用20. 5 K 电阻值从外部将流限值设定为仅略高于低电压工作时的满载峰值电流,从而允许使用更小的变压器磁芯,同时避免启动和输出负载瞬态的磁芯饱和。VR1即瞬电压抑制管,型号是P6KE200, 电容C 11与之并联以降低齐纳箝位的损耗。D1为阻断二极管型号可选UF4006.目标钳位电压平均值约为180 V.R 4, R 5, R 6为输出电压的取样电阻,取样后与TL431的内部基准电压进行比较,产生误差电压,再通过PC817A 光耦反馈到控制引脚C, 进而改变TOP249Y 的输出占空比,从而稳定输出电压。

图3 72W 开关电源适配器
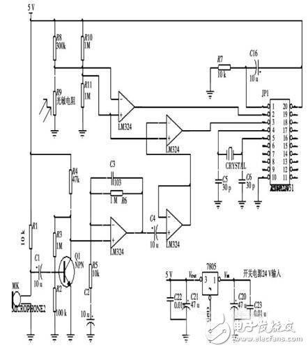
基于AT89C2051的智能控制器
基于AT89C2051的智能控制器电路如图4所示,其主要由传感器单元、A D 转换单元、控制器单元组成。AT89C2051芯片用于对来自声控和光控传感器检测到的信号经过整形以后的信号数据做处理,进而控制LED 驱动器。该电路中AT89C2051 的p3. 0 和p3. 1端口用作输入信号检测,剩下的13 个端口可选择输出控制。软件流程图如图5所示。

图4 智能控制器电路图
设计的LED射灯智能驱动系统,能有效地LED、检测周围环境的变化,及时关闭、开启灯源以及调光。该系统与传统的声光控延时开关照明系统相比,不仅能大量节省电能,而且其特有的调光模块使用电效率大大提高。该系统在工程上有较好的应用前景。
下一篇:几种智能照明平台应用电路详解