时间:2015-03-02 13:53
人气:
作者:admin
LED因其应用广泛,价格公道,而被业界广泛采用,不管是节日的装饰灯还是家庭使用的各种灯具要用到LED的驱动电路,因为它降低的能源的消耗,可长期稳定的工作,今天我就从一个实用的LED电路给大家延伸性的介绍LED照明驱动电路。
发光二极管(LED)因其具有高效、节能、寿命长、环保等特点,已成为现今照明技术的可选方案,并逐渐被应用于照明。促使人们关注LED照明技术的一个关键因素是,其大大降低了能源的消耗,并可实现长期可靠的工作。
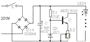
本文先从采用恒流源的电路开始,本电路中的主要元件三极管,要求其耐压要400V以上,功率也要10W以上的大功率管,如MJE13003、MJE13005等,并且要加上散热片,滤波电容C容量为4.7uF,耐压要有400V以上,发光管电流的大小由R2调整决定,为方便调整可用可变电阻调整后再换上相同阻值的固定电阻,本电路可带发光管数量少则十几只,最多可达到90多只,虽然增加了一些成本,但使用效果要比只用电阻限流的电路好得多,即使电压波动较大,电路仍然能保持电流恒定不变,这对发光管的寿命是非常有利的,在此范围内的电流都能基本保持恒定不变。本电路使用发光管数量也不可太少,越少其效率也越低。本电路总耗电功率约6W。

在这里我顺便给大家讲讲LED采用并联接法好还是采用串联接法好?
LED采用并或串联接法,主要应该根据电源盒电路的形式及要求决定。
采用串联接法的电路,当其中一只LED断路时整串的LED都不亮;但当其中一只LED短路时其他LED都还能亮。采用并联接法的电路,当其中一只LED断路时其它的LED都还能亮;但当其中一只LED短路时则整个电路的电源将被短路,这样不仅其它的LED都不能正常工作,而且还有可能损坏电源。故相比之下还是串联接法的电路较有优势。
并联接法只需要在每个LED两端施加较低的电压,但需要利用镇流电阻或电流源来保证每个LED的亮度一致。如果流过每个LED的偏置电流大小不同,则它们的亮度也不同,从而导致整个光源亮度不均匀。然而,利用镇流电阻或电流源来保证LED的亮度一致将缩短电池的使用寿命。采用串联接法本质上可以很好保证流过每只LED电流的一致性,但要求电源电压要高。LED采用并联接法时,由于电路的总电流是各个LED电流之和,所以要求电源要能供给足够大的电流。
其实严格意义上并联或串联接法各有它们的优缺点。需要你在实用的予以考虑多方面因素。在实际运用中常采用串并联形成的LED阵列,这样可以克服或减小上述单个LED断路或短路造成整串LED不亮或对整个电路和电源的影响。所谓串并联就是先用少量LED串联再串镇流电阻组成一条支路,再将若干条支路并联组成“支路组”。此外,还能采用串并串形式,就是在已组成的“支路组”的基础上,再将若干“支路组”串联构成整个灯具电路,此种接法不仅缩小了一只LED故障时的影响面,而且将镇流电阻化整为零,将几只大功率电阻变成几十只小功率电阻,由集中安装变成分散安装,这样既利于电阻散热,又可以将灯具设计的更紧凑。
上一篇:LED驱动电源设计四大问题汇总